TZ型三级立式齿轮减速机特点
本系列减速器适用于各行业,用于立式传动设备。该型号为三级立式圆锥、圆柱齿轮减速器,圆锥齿轮采用弧齿,圆柱齿轮斜齿,具有传动平稳,噪音小等特点。
旋转方向从电机向输入轴看为逆时针(面对输出轴看为顺时针)
型号及含义

标记示例:一机械选用功率为13KW,速比为59.4的TZ型减速器标记为:TZ13-59.4。
TZ系列减速器的基本参数
|
参数 |
型号 |
|
TZ13 |
TZ22 |
TZ40 |
TZ55 |
TZ75 |
|
功率(KW) |
13/6P |
22/8P |
40/6P |
55/6P |
75/6P |
|
速比 |
59.4 |
62.9 |
38.5 |
45.9 |
59.4 |
42 |
48.5 |
54.26 |
48.5 |
54.26 |
48.5 |
58.9 |
|
重量(K g) |
590 |
780 |
1280 |
1300 |
1650 |
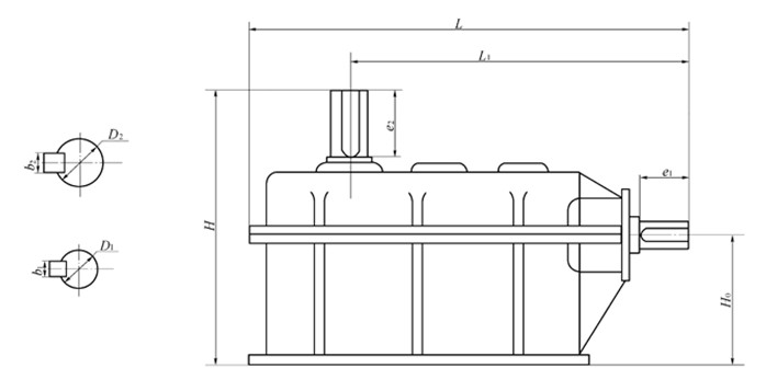
TZ型三级立式齿轮减速器外形安装尺寸
1、外型尺寸

TZ系列减速器外型安装尺寸
|
型号 |
参数 |
|
L |
H |
H0 |
L1 |
D1 |
D2 |
b1 |
B2 |
e1 |
e2 |
|
TZ13 |
1129 |
671 |
290 |
854 |
42 |
85 |
14 |
25 |
90 |
170 |
|
TZ40
TZ55 |
1271 |
75 |
330 |
981 |
45 |
95 |
14 |
25 |
90 |
190 |
|
TZ55 |
1645 |
805 |
345 |
1255 |
60 |
120 |
18 |
32 |
130 |
200 |
|
TZ75 |
1645 |
892 |
345 |
1255 |
60 |
160 |
18 |
40 |
130 |
250 |
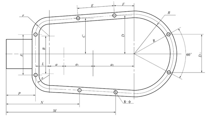
2、地脚尺寸

|
型号 |
参数 |
|
a |
a1 |
a2 |
A |
B |
C |
D |
E |
F |
M |
N |
R |
R |
6-φ |
|
TZ13 |
95 |
187 |
245 |
176.76 |
233.62 |
163 |
360.62 |
190 |
55 |
542 |
150 |
255 |
110 |
6-φ18 |
|
TZ22 |
85 |
220 |
276 |
206.92 |
255.693 |
206 |
381.34 |
186 |
60 |
650 |
195 |
270 |
120 |
6-φ18 |

|
型号 |
参数 |
|
a |
a1 |
a2 |
A |
B |
C |
D |
R=D1 |
E |
F |
r |
L |
P |
M |
N |
8-φ |
|
TZ40
TZ55 |
70 |
285 |
390 |
268 |
256 |
304.9 |
348.267 |
360 |
390 |
125 |
150 |
149.88 |
170 |
940 |
552.4 |
8-φ27 |
|
TZ75 |
70 |
285 |
390 |
268 |
256 |
304.9 |
348.267 |
360 |
390 |
125 |
150 |
149.88 |
170 |
940 |
552.4 |
8-φ27 |
TZ型三级立式齿轮减速机安装使用与维护
1.减速器应安装平稳牢固,安装后应能灵活转动。
2.安装好后,必须注入所需润滑油,一般为L-CKC100~L-CKC220中极压工业齿轮油(原N100、N150、N220),油面应至油位螺塞处。
3.新减速首次使用20天后,必须更换新的润滑油,在以后的使用中应定期检查油的质量,发现老化变质,必须随时更换,同时经常检查油面高度,如低于规定高度时,需及时补足。在一般情况下对长期连续使用的减速器应六个月换油一次。
4.工作过程中发现油温显著升高且超过85℃或产生不正常噪音和振动应停止使用,检查原因,排除故障再使用。
5.使用单位应有合理的使用维护规章制度,对减速器的运转情况及检修中发现的问题应作详细记录,以便检查。