您好!欢迎您进入江苏龙一诺机械制造有限公司官网!
设为主页 加入收藏 客户留言
服务热线
181-6889-2286
专业生产摆线针轮减速机减速电机齿轮减速机
网站首页 企业简介 产品展示 客户服务 新闻中心 技术资讯 联系我们  
产品展示
联系我们

地址:无锡市钱桥工业园

手机:
18168892286
传真:0510-82628805

产品展示

PRODUCT

当前位置:首页 > 产品展示

SHZ型减速器

SHZ型减速器

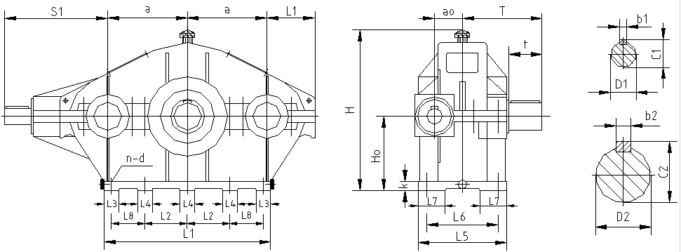
SHZ型减速器外形尺寸,见图23、表26:

图23  SHZ型减速器外形尺寸

表26  SHZ型减速器外形尺寸

中心尺寸
轮廓尺寸
地 脚 螺 栓
高速轴伸i≤137.5
高速轴伸i≥144.9
低速轴伸
质量
(kg)
a   a0   H0
H    L1   L5   L9
d   n   k   L2   L3   L4   L6   L7   L8
D1    l1   c1   b1   s1
D1    l1   c1   b1   s1
D2     t    T    c2   b2
125
125  45   115
258   320   200   80
M12  4   16  145   60       170  50
14j6   25   16   5   190
10j6   20  11.2   3   185
38k6   58   150   41  10
51
145
145  55   130
291   390   230  92.5
M16  4   18  170   70       185  60
18j6   28  20.5  6   230
12j6   25  13.5   4   230
48k6   82   185  51.5 14
87
175
175  60   165
367   470   255 117.5
M16  4   20  205   90       210  60
22j6   36  24.5  6   255
14j6   25   16    5   245
60m6   105  223   64  18
130
215
215  70   200
433   550   290  130
M20  4   25  245  100       240  70
28j6   42   31   8   300
18j6   28  20.5   6   285
75m6   105  235  79.5 20
195
255
255  80   230
493   630   320  150
M20  6   25  285  100  100  270  70
35k6   58   38   10  340
22j6   36  24.5   6   320
90m6   130  275   95  25
288
300
300  95   280
585   750   350  180
M24  6   30  345  120  120  285  80
42k6   82   45   12  405
28j6   42   31    8   365
110m6  165  340  116  28
510
350
350  115  325
678   860   410  200
M24  6   35  390  120  160  350  90
48k6   82  51.5  14  450
35k6   58   38   10   425
130m6  200  395  139  32
680
400
400  135  355
740   950   445  240
M24  8   40  150  120  120  385  100  290
55m6   82   59   16  450
42k6   82   45   12   450
150m6  200  438  158  36
980
450
450  150  400
825   1100  510  270
M30  8   45  160  120  120  430  100  340
60m6   105  64   18  489
48k6   82  51.5  14   466
170m6  240  500  179  40
1350
500
500  165  500
1028  1220  570  305
M36  8   55  160  150  150  490  120  410
70m6   105  74.9 20  540
55m6   82   59   16   517
180m6  240  510  190  45
1850
550
550  180  560
1110  1320  600  325
M36  8   60  200  150  150  530  120  410
75m6   105  79.5 20  575
60m6   105  64   18   575
200m6  280  580  210  50
2490
600
600  200  630
1270  1460  680  360
M42  8   60  220  180  180  580  150  465
80m6   130  85   22  680
65m6   105 69.5  18   655
220m6  280  600  231  50
3240
670
670  220  670
1330  1600  720  385
M42  8   70  250  180  180  640  140  500
90m6   130  95   25  740
70m6   105 74.5  20   715
250m6  330  690  262  56
4550
750
750  250  750
1520  1790  790  425
M48  8   80  280  210  210  690  150  560
100m6  165  106  28  840
80m6   130  85   22   805
280m6  380  765  292  63
6490
840
840  280  840
1666  1980  874  480
M48  10  80  450  250  250  764  150  485
110m6  165  116  28  896
90m6   130  95   25   861
300m6  380  790  314  70
9200
950
950  310  950
1870  2240  1000  520
M56  10  90  500  250  250  870  200  555
130m6  200  137  32 1021
100m6  165  116  28   986
340m6  450  920  355  80
13360
1070
1070 340  1060
2100  2480  1030  545
M56  10  90  500  250  250  895  200  675
150m6  200  158  36 1086
110m6  165  116  28  1051
380m6  450  940  395  80
19100
TEL:18168892286

在线咨询

在线客服
网站首页    |    公司简介    |    新闻中心    |    产品展示    |    售后服务    |    联系我们

Copyright © 2017-2020 版权所有:江苏龙一诺机械制造有限公司 All Rights Reserved.
地址:无锡市钱桥工业园

传真:0510-82628805
手机:18168892286
网站:http://www.txjsjxs.com

苏ICP备15006862号-3