您好!欢迎您进入江苏龙一诺机械制造有限公司官网!
设为主页 加入收藏 客户留言
服务热线
181-6889-2286
专业生产摆线针轮减速机减速电机齿轮减速机
网站首页 企业简介 产品展示 客户服务 新闻中心 技术资讯 联系我们  
产品展示
联系我们

地址:无锡市钱桥工业园

手机:
18168892286
传真:0510-82628805

产品展示

PRODUCT

当前位置:首页 > 产品展示

QXSH型减速器

QXSH型减速器

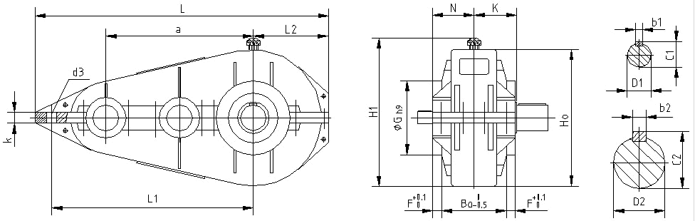
QXSH型减速器外形尺寸,见图19、表22:

图19  QXSH型减速器外形尺寸

表22  QXSH型减速器外形尺寸

中 心 尺 寸
轮 廓 尺 寸
安   装   尺   寸
其 他 尺 寸
质量
(kg)
a
H0
H1
L
d3
L1
k
G
B0
F
L2
N
K
250
250
245
515
480
18
335
20
150
154
18
140
100
103
69
320
320
310
335
670
24
460
25
160
165
20
183
120
125
127
400
400
376
411
815
30
565
32
190
200
20
215
140
145
211
500
500
466
490
990
36
700
40
220
260
25
250
175
180
334
630
630
606
630
1250
42
870
50
260
280
30
330
210
210
708
TEL:18168892286

在线咨询

在线客服
网站首页    |    公司简介    |    新闻中心    |    产品展示    |    售后服务    |    联系我们

Copyright © 2017-2020 版权所有:江苏龙一诺机械制造有限公司 All Rights Reserved.
地址:无锡市钱桥工业园

传真:0510-82628805
手机:18168892286
网站:http://www.txjsjxs.com

苏ICP备15006862号-3