您好!欢迎您进入江苏龙一诺机械制造有限公司官网!
设为主页 加入收藏 客户留言
服务热线
181-6889-2286
专业生产摆线针轮减速机减速电机齿轮减速机
网站首页 企业简介 产品展示 客户服务 新闻中心 技术资讯 联系我们  
产品展示
联系我们

地址:无锡市钱桥工业园

手机:
18168892286
传真:0510-82628805

产品展示

PRODUCT

当前位置:首页 > 产品展示

SHCⅠ、SHCⅡ型减速器

SHCⅠ、SHCⅡ型减速器

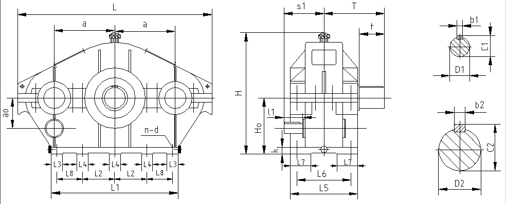
SHCⅠ型减速器外形尺寸,见图11、表13:

图11  SHCⅠ型减速器外形尺寸

表13  SHCⅠ型减速器外形尺寸

中心尺寸
轮 廓 尺 寸
地 脚 螺 栓
输入轴伸i<51
输入轴伸51≤i<100
输入轴伸i≥100
输出轴伸
质量(kg)
a0   a   H0
H    L   L1   L5   L9
d  n  k  L2   L3  L4  L6  L7   L8
D1    l1   c1  b1  s1
D1    l1   c1  b1  s1
D1    l1   c1  b1  s1
D2     t    T  c2 b2
125
190  125  115
258  455  320  200  80
M12 4  16 145  60     170 50
18j6  28  20.5 6 113
14j6  25  16   5 110
12j6  25 13.5 4  110
38k6  58 150  41 10
52
145
225  145  130
291  530  390  230 92.5
M16 4  18 170  70     185 60
22j6  36  24.5 6 133
18j6  28 20.5  6 125
14j6  25  16  5  120
48k6  82 185 51.514
88
175
275  175  165
367  650  470  255  117.5
M16 4  20 205  90     210 60
28j6  42  31   8 156
22j6  36 24.5  6 150
18j6  28 20.5 6  145
60m6  105 223 64 18
132
215
345  215  200
433  790  550  290  130
M20 4  25 245 100     240 70
35k6  58  38  10 186
28j6  42  31   8 170
22j6  36  25  6  165
75m6  105 23579.520
200
255
400  255  230
493  910  630  320  150
M20 6  25 285 100 100 270 70
42k6  82  45  12 228
35k6  58  38  10 200
28j6  42  31  8  185
90m6  130 275 95 25
300
300
460  300  280
585  1050 750  350  180
M24 6  30 345 120 120 285 80
48k6  82  51.5 14 252
42k6  82  45  12 252
35k6  58  38  10 228
110m6 165 340 116 28
528
350
530  350  325
678  1220 860  410  200
M24 6  35 390 120 160 350 90
55k6  82  59  16 275
48k6  82 51.5 14 275
42k6  82  45  12 275
130m6 200 395 139 32
708
400
610  400  355
740  1410 950  445  240
M24 8  40 150 120 120 385 100 290
65m6  105 69  18 361
55k6  82  59  16 338
48k6  82 51.5 14 338
150m6 200 438 158 36
1020
450
680  450  400
825  1550 1100 510  270
M30 8  45 160 120 120 430 100 340
70m6  105 74.5 20 355
65m6  105 69  18 355
55m6  82  59  16 332
170m6 240 500 179 40
1400
500
760  500  500
1028 1750 1220 570  305
M36 8  55 160 150 150 490 120 410
75m6  105 79.5 20 375
70m6  105 74.5 20 375
60m6  105 64  18 375
180m6 240 510 190 45
1920
550
840  550  560
1110 1910 1320 600  325
M36 8  60 200 150 150 530 120 410
80m6  130 85  22 415
75m6  105 79.5 20 390
65m6  105 69  18 390
200m6 280 580 210 50
2560
600
930  600  630
1270 2110 1460 680  360
M42 8  60 220 180 180 580 150 465
90m6  130 95  25 455
80m6  130 85  22 455
70m6  105 74.520 430
220m6 280 600 231 50
3320
670
1030 670  670
1330 2310 1600 720  385
M42 8  70 250 180 180 640 140 500
100m6 165 106 28 510
90m6  130 95  25 475
80m6  130 85  22 475
250m6 330 690 262 56
4650
750
1140 750  750
1520 2570 1790 790  425
M48 8  80 280 210 210 690 150 560
110m6 165 116 28 550
100m6 165 106 28 550
90m6  130 95  25 515
280m6 380 765 292 63
6550
840
1260 840  840
1666 2850 1980 874  480
M48 10 80 450 250 250 764 150 485
130m6 200 137 32 605
110m6 165 116 28 570
100m6 165 106 28 570
300m6 380 790 314 70
9250
950
1410 950  950
1870 3180 2240 1000 520
M56 10 90 500 250 250 870 200 555
150m6 200 157 36 665
130m6 200 137 32 665
110m6 165 116 28 630
340m6 450 920 355 80
13490
1070
1590 1070 1060
2100 3530 2480 1030 545
M56 10 90 500 250 250 895 200 675
170m6 240 179 40 760
150m6 200 157 36 720
130m6 200 137 32 720
380m6 450 940 395 80
19500

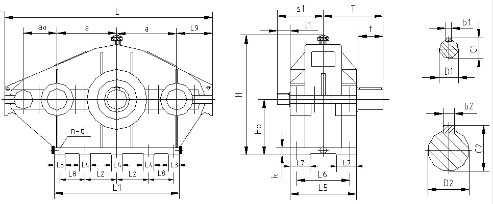
SHCⅡ型减速器外形尺寸,见图12、表14:

图12  SHCⅡ型减速器外形尺寸

表14  SHCⅡ型减速器外形尺寸

中心尺寸
轮 廓 尺 寸
地 脚 螺 栓
输入轴伸i<51
输入轴伸51≤i<100
输入轴伸i≥100
输出轴伸
质量(kg)
a0   a   H
H    L   L1   L5
d   n  k  L2   L3  L4  L6  L7  L8
D1   l1   c1   b1   s1
D1    l1  c1  b1  s1
D1    l1   c1  b1  s1
D2     t    T  c2 b0
125
65   125  115
258  410  320  200
M12 4  16  145  60     170 50
 
18j6  28  20.5 6 113
14j6  25  16  5  110
12j6  25 13.5 4  110
38k6  58  150 41 10
49
145
80   145  130
291  475  390  230
M16 4  18  170  70     185 60
 
22j6  36  24.5 6 133
18j6  28 20.5 6  125
14j6  25  16  5  120
48k6  82 185 51.514
82
175
100  175  165
367  585  470  255
M16 4  20  205  90     210 60
 
28j6  42  31   8 156
22j6  36 24.5 6  150
18j6  28 20.5 6  145
60m6  105 223 64 18
122
215
130  215  200
433  690  550  290
M20 4  25  245 100     240 70
 
35k6  58  38  10 186
28j6  42  31  8  170
22j6  36  25  6  165
75m6  105 23579.520
195
255
145  255  230
493  810  630  320
M20 6  25  285 100 100 270 70
 
42k6  82  45  12 228
35k6  58  38  10 200
28j6  42  31  8  185
90m6  130 275 95 25
280
300
160  300  280
585  960  750  350
M24 6  30  345 120 120 285 80
 
48k6  82  51.5 14 252
42k6  82  45  12 252
35k6  58  38  10 228
110m6 165 340 116 28
495
350
180  350  325
678  1100 860  410
M24 6  35  390 120 160 350 90
 
55k6  82  59  16 275
48k6  82 51.5 14 275
42k6  82  45  12 275
130m6 200 395 139 32
674
400
210  400  355
740  1280 950  445
M24 8  40 150 120 120 385 100 290
65m6  105 69  18 361
55k6  82  59  16 338
48k6  82 51.5 14 338
150m6 200 438 158 36
970
450
230  450  400
825  1440 1100 510
M30 8  45 160 120 120 430 100 340
70m6  105 74.5 20 355
65m6  105 69  18 355
55m6  82  59  16 332
170m6 240 500 179 40
1330
500
260  500  500
1028 1610 1220 570
M36 8  55 160 150 150 490 120 410
75m6  105 79.5 20 375
70m6  105 74.5 20 375
60m6  105 64  18 375
180m6 240 510 190 45
1830
550
290  550  560
1110 1750 1320 600
M36 8  60 200 150 150 530 120 410
80m6  130 85  22 415
75m6  105 79.5 20 390
65m6  105 69  18 390
200m6 280 580 210 50
2440
600
330  600  630
1270 1920 1460 680
M42 8  60 220 180 180 580 150 465
90m6  130 95  25 455
80m6  130 85  22 455
70m6  105 74.520 430
220m6 280 600 231 50
3160
670
360  670  670
1330 2110 1600 720
M42 8  70 250 180 180 640 140 500
100m6 165 106 28 510
90m6  130 95  25 475
80m6  130 85  22 475
250m6 330 690 262 56
4430
750
390  750  750
1520 2350 1790 790
M48 8  80 280 210 210 690 150 560
110m6 165 116 28 550
100m6 165 106 28 550
90m6  130 95  25 515
280m6 380 765 292 63
6230
840
420  840  840
1666 2640 1980 874
M48 10 80 450 250 250 764 150 485
130m6 200 137 32 605
110m6 165 116 28 570
100m6 165 106 28 570
300m6 380 790 314 70
8810
950
460  950  950
1870 2940 2240 1000
M56 10 90 500 250 250 870 200 555
150m6 200 157 36 665
130m6 200 137 32 665
110m6 165 116 28 630
340m6 450 920 355 80
12850
1070
520  1070 1060
2100 3230 2480 1030
M56 10 90 500 250 250 895 200 675
170m6 240 179 40 760
150m6 200 157 36 720
130m6 200 137 32 720
380m6 450 940 395 80
18570
TEL:18168892286

在线咨询

在线客服
网站首页    |    公司简介    |    新闻中心    |    产品展示    |    售后服务    |    联系我们

Copyright © 2017-2020 版权所有:江苏龙一诺机械制造有限公司 All Rights Reserved.
地址:无锡市钱桥工业园

传真:0510-82628805
手机:18168892286
网站:http://www.txjsjxs.com

苏ICP备15006862号-3