|
产品展示
联系我们
地址:无锡市钱桥工业园
手机: 18168892286 传真:0510-82628805
|
|
产品展示
PRODUCT
当前位置:首页 > 产品展示
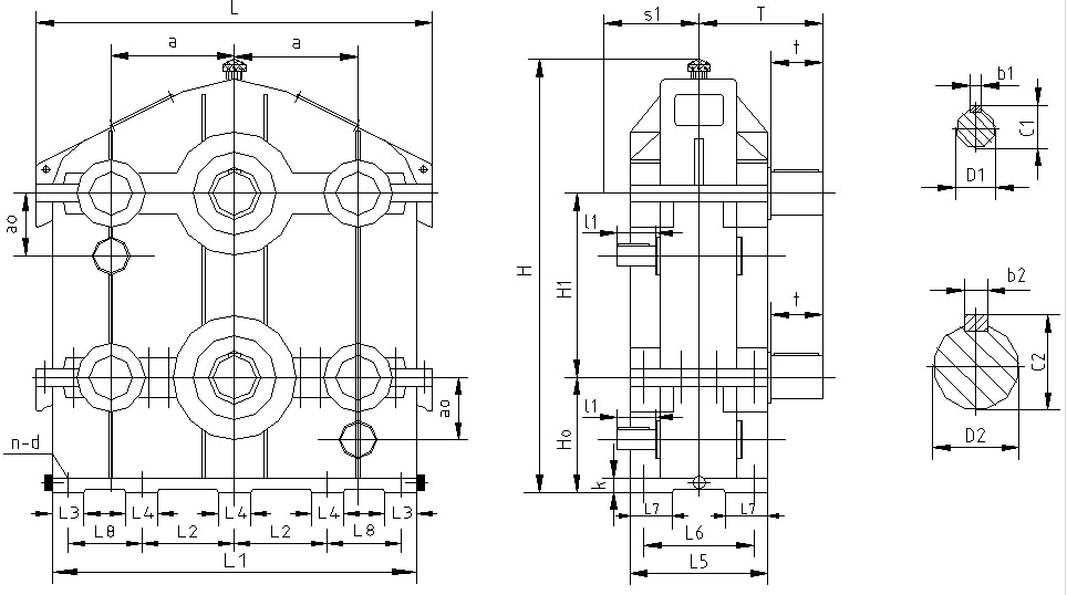
LLSH型减速器

LLSH型减速器外形尺寸,见图16、表18:

图16 LLSH型减速器外形尺寸
表18 LLSH型减速器外形尺寸
|
规
格 |
中 心 尺 寸 |
轮 廓 尺 寸 |
地 脚 螺 栓 |
高 速 轴 伸 |
低 速 轴 伸 |
质 量
(kg) |
|
a a0 H0 H1 |
H L L1 L5 |
d n k L2 L3 L4 L6 L7 L8 |
D1 l1 c1 b1 s1 |
D2 t T c2 b2 |
|
300 |
300 160 280 510 |
1095 960 900 350 |
M24 8 30 140 155 120 285 80 260 |
35k6 58 38 10 228 |
110m6 165 340 116 28 |
930 |
|
350 |
350 180 325 605 |
1283 1100 1020 410 |
M24 8 35 165 165 120 350 90 290 |
42k6 82 45 12 275 |
130m6 200 395 137 32 |
1270 |
|
400 |
400 210 355 660 |
1400 1280 1170 445 |
M24 8 40 190 190 120 385 100 340 |
48k6 82 51.5 14 338 |
150m6 200 438 158 36 |
1830 |
|
450 |
450 230 400 750 |
1575 1440 1320 510 |
M30 8 45 215 215 120 430 100 380 |
55m6 82 59 16 332 |
170m6 240 500 179 40 |
2500 |
|
500 |
500 260 500 945 |
1973 1610 1520 570 |
M36 8 55 240 265 150 490 120 450 |
60m6 105 64 18 375 |
180m6 240 510 190 45 |
3450 |
|