|
产品展示
联系我们
地址:无锡市钱桥工业园
手机: 18168892286 传真:0510-82628805
|
|
产品展示
PRODUCT
当前位置:首页 > 产品展示
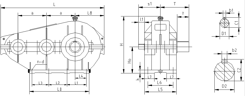
SHT型减速器外形尺寸

SHT型减速器外形尺寸,见图17、表19:

图17 SHT型减速器外形尺寸
表19 SHT型减速器外形尺寸
|
规
格 |
中心尺寸 |
轮 廓 尺 寸 |
地 脚 螺 栓 |
高 速 轴 伸 |
低 速 轴 伸 |
质量
(kg) |
|
a H0 |
H L L0 L5 L8 |
d n k L1 L2 L3 L4 L6 L7 |
D1 l1 s1 c1 b1 |
D2 t T c2 b2 |
|
125 |
125 115 |
258 455 300 140 125 |
M12 4 16 240 80 110 40 |
18j6 28 100 20.5 6 |
38k6 58 130 41 10 |
53 |
|
145 |
145 130 |
291 530 350 175 148 |
M16 4 18 280 85 130 50 |
22j6 36 115 25 8 |
48k6 82 160 51.5 14 |
89 |
|
175 |
175 165 |
367 652 420 200 185 |
M16 4 20 340 90 150 60 |
30j6 58 150 33 8 |
60m6 105 203 64 18 |
132 |
|
215 |
215 200 |
433 780 510 240 220 |
M20 4 25 410 100 185 65 |
35k6 58 165 38 10 |
75m6 105 215 79.5 20 |
204 |
|
255 |
255 230 |
493 915 600 260 255 |
M20 6 25 230 270 120 210 70 |
45k6 82 195 48.5 14 |
90m6 130 245 95 25 |
310 |
|
300 |
300 280 |
585 1075 710 300 295 |
M24 6 30 280 310 150 235 80 |
50k6 82 215 53.5 14 |
110m6 165 315 116 28 |
528 |
|
350 |
350 325 |
678 1250 830 340 350 |
M24 6 35 330 370 180 270 90 |
55m6 82 240 59 16 |
130m6 200 365 137 32 |
708 |
|
400 |
400 355 |
740 1440 950 370 400 |
M24 8 40 200 340 290 220 310 100 |
65m6 105 290 69 18 |
150m6 200 395 158 36 |
1020 |
|