您好!欢迎您进入江苏龙一诺机械制造有限公司官网!
设为主页 加入收藏 客户留言
服务热线
181-6889-2286
专业生产摆线针轮减速机减速电机齿轮减速机
网站首页 企业简介 产品展示 客户服务 新闻中心 技术资讯 联系我们  
产品展示
联系我们

地址:无锡市钱桥工业园

手机:
18168892286
传真:0510-82628805

产品展示

PRODUCT

当前位置:首页 > 产品展示

SHS型减速器

SHS型减速器

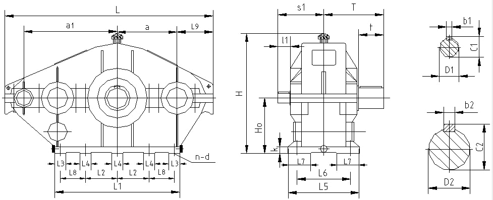
SHS型减速器外形尺寸,见图15、表17:

图15  SHS型减速器外形尺寸

表17  SHS型减速器外形尺寸

中心尺寸
轮 廓 尺 寸
地 脚 螺 栓
高 速 轴 伸
低 速 轴 伸
质量
(kg)
a1    a    H0
H     L     L1    L5    L9
d    n   k    L2   L3   L4   L6   L7   L8
D1     l1    c1   b1   s1
D2     t    T    c2   b2
215
320   215   200
433    765    550    340    130
M20   4    25   245   100       285  75
14j6    25    16    5    180
75m6    105   265   79.5   20
195
255
380   255   230
493    895    630    370    150
M20   6    25   285   100  100  315  75
18j6    28   20.5   6    200
90m6    130   305    95    25
285
300
445   300   280
585    1045   750    425    180
M24   6    30   345   120  120  360  85
22j6    36    25    8    240
110m6   165   375    116   28
500
350
525   350   325
678    1220   860    465    200
M24   6    35   390   120  160  400  90
30j6    58    33    8    280
130m6   200   425    137   32
670
400
615   400   355
740    1415   950    505    240
M24   8    40   150   120  120  440  90   290
35k6    58    38    10   315
150m6   200   460    158   36
990
450
705   450   400
825    1605   1100   580    270
M30   8    45   160   120  120  510  100  340
45k6    82   48.5   14   370
170m6   240   530    179   40
1380
500
755   500   500
1028   1765   1220   640    310
M36   8    55   160   150  150  560  130  410
45k6    82   48.5   14   385
180m6   240   545    190   45
2200
550
850   550   560
1110   1945   1320   710    325
M36   8    60   200   150  150  630  130  410
50k6    82   53.5   14   425
200m6   280   625    210   50
2900
600
900   600   630
1270   2070   1460   770    360
M42   8    60   220   180  180  675  140  465
50k6    82   53.5   14   440
220m6   280   645    231   50
3600
670
1020  670   670
1330   2305   1600   830    385
M42   8    70   250   180  180  735  140  500
55m6    82    59    16   475
250m6   330   730    262   56
4800
750
1100  750   750
1520   2510   1790   880    425
M48   8    80   280   210  210  775  150  560
55m6    82    59    16   505
280m6   380   805    292   63
6500
840
1240  840   840
1666   2835   1980   990    480
M48   10   80   450   250  250  880  150  485
65m6   105    69    18   575
300m6   380   855    314   70
9200
950
1350  950   950
1870   3100   2240   1050   520
M56   10   90   500   250  250  930  200  555
65m6   105    69    18   600
340m6   450   950    355   80
13300
1070
1520  1070  1060
2100   3450   2480   1140   545
M56   10   90   500   250  250  1020 200  675
75m6   105   79.5   20   645
380m6   450   1060   395   80
19000
TEL:18168892286

在线咨询

在线客服
网站首页    |    公司简介    |    新闻中心    |    产品展示    |    售后服务    |    联系我们

Copyright © 2017-2020 版权所有:江苏龙一诺机械制造有限公司 All Rights Reserved.
地址:无锡市钱桥工业园

传真:0510-82628805
手机:18168892286
网站:http://www.txjsjxs.com

苏ICP备15006862号-3