
标记示例
例1:GL7型滚子联轴器
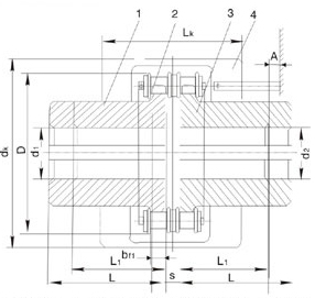
主动端:J1型孔,B型键槽 d1=45mm,L1=84mm
从动端:J1型孔,B1型键槽 d2=50mm ,L1=84mm
GL7联轴器
J1B45×84/J1B150×84=GB6069-85
例2:GL3型滚子链轴,有罩壳
主动端:J1型孔,B型键槽 d1=25mm,L1=44mm
从动端:J1型孔,B1型键槽 d2=25mm ,L1=44mm
G13F联轴器J125×44 GB6069-85
|
型号 |
公称转矩TnN·m |
许用转速(n) r/min |
轴孔直径 d1、d2 |
轴孔长度 |
链号 |
链条 节距 |
齿数 Z |
D |
b1 |
S |
A |
Dx (最大) |
Lx (最大) |
质量 kg |
传动惯量kg·m2 |
|
Y型 |
J1型 |
|
不装罩壳 |
安装罩壳 |
L |
L1 |
|
GL1 |
40 |
1400 |
4500 |
16 |
42 |
- |
06B |
9.525 |
14 |
51.06 |
5.3 |
4.9 |
- |
70 |
70 |
0.40 |
0.00010 |
|
18 |
42 |
- |
- |
|
19 |
42 |
- |
- |
|
20 |
52 |
38 |
4 |
|
GL2 |
63 |
1250 |
4500 |
19 |
42 |
- |
06B |
9.525 |
16 |
57.08 |
5.3 |
4.9 |
- |
75 |
75 |
0.70 |
0.00020 |
|
20 |
52 |
38 |
4 |
|
22 |
52 |
38 |
4 |
|
24 |
52 |
38 |
4 |
|
GL3 |
100 |
1000 |
4000 |
20 |
52 |
38 |
08B |
12.7 |
14 |
68.88 |
7.2 |
6.7 |
12 |
85 |
80 |
1.1 |
0.00038 |
|
22 |
52 |
38 |
12 |
|
24 |
52 |
44 |
12 |
|
25 |
62 |
- |
6 |
|
GL4 |
160 |
1000 |
4000 |
24 |
52 |
- |
08B |
12.7 |
16 |
76.91 |
7.2 |
6.7 |
- |
95 |
88 |
1.8 |
0.00086 |
|
25 |
62 |
44 |
6 |
|
28 |
62 |
44 |
6 |
|
30 |
82 |
60 |
- |
|
32 |
82 |
60 |
- |
|
GL5 |
250 |
800 |
3150 |
28 |
62 |
- |
10A |
15.875 |
16 |
94.46 |
8.9 |
9.2 |
- |
112 |
100 |
3.2 |
0.0025 |
|
30 |
82 |
60 |
- |
|
32 |
82 |
60 |
- |
|
35 |
82 |
60 |
- |
|
38 |
82 |
60 |
- |
|
40 |
112 |
84 |
- |
|
GL6 |
400 |
630 |
2500 |
32 |
82 |
60 |
10A |
15.875 |
20 |
116.57 |
8.9 |
9.2 |
- |
140 |
105 |
5.0 |
0.0058 |
|
35 |
82 |
60 |
- |
|
38 |
82 |
60 |
- |
|
40 |
112 |
84 |
- |
|
42 |
112 |
84 |
- |
|
45 |
112 |
84 |
- |
|
18 |
112 |
84 |
- |
|
50 |
112 |
84 |
- |
|
GL7 |
630 |
630 |
2500 |
40 |
112 |
60 |
12A |
19.05 |
18 |
127.78 |
11.9 |
10.9 |
- |
150 |
122 |
7.4 |
0.012 |
|
42 |
112 |
60 |
- |
|
45 |
112 |
60 |
- |
|
48 |
112 |
84 |
- |
|
50 |
112 |
84 |
- |
|
55 |
112 |
84 |
- |
|
60 |
142 |
107 |
- |
|
GL8 |
1000 |
500 |
2240 |
45 |
112 |
84 |
16A |
25.40 |
16 |
154.33 |
15.0 |
14.3 |
12 |
180 |
135 |
11.1 |
0.025 |
|
48 |
112 |
84 |
12 |
|
50 |
112 |
84 |
12 |
|
55 |
112 |
84 |
12 |
|
60 |
142 |
107 |
- |
|
65 |
142 |
107 |
- |
|
70 |
142 |
107 |
- |
|
GL9 |
1600 |
400 |
2000 |
50 |
112 |
84 |
16A |
25.4 |
20 |
186.50 |
15.0 |
14.3 |
12 |
215 |
145 |
20.0 |
0.061 |
|
55 |
112 |
84 |
12 |
,
|
型号 |
公称转矩TnN·m |
许用转速(n) r/min |
轴孔直径 d1、d2 |
轴孔长度 |
链号 |
链条 节距 |
齿数 Z |
D |
b1 |
S |
A |
Dx (最大) |
Lx (最大) |
质量 kg |
传动惯量kg·m2 |
|
Y型 |
J1型 |
|
不装罩壳 |
安装罩壳 |
L |
L1 |
|
GL9 |
1600 |
400 |
2000 |
60 |
142 |
107 |
16A |
25.40 |
20 |
186.50 |
15.0 |
14.3 |
- |
215 |
145 |
20.0 |
0.061 |
|
65 |
142 |
107 |
- |
|
70 |
142 |
107 |
- |
|
75 |
142 |
107 |
- |
|
80 |
172 |
132 |
- |
|
GL10 |
2500 |
315 |
1600 |
60 |
142 |
107 |
20A |
31.75 |
18 |
213.02 |
18.0 |
17.8 |
6 |
245 |
165 |
26.1 |
0.079 |
|
65 |
142 |
107 |
6 |
|
70 |
142 |
107 |
6 |
|
75 |
142 |
107 |
6 |
|
80 |
172 |
132 |
- |
|
85 |
172 |
132 |
- |
|
90 |
172 |
132 |
- |
|
GL11 |
4000 |
250 |
1500 |
75 |
142 |
107 |
24A |
38.1 |
16 |
231.49 |
24.0 |
21.5 |
35 |
270 |
195 |
39.2 |
0.188 |
|
80 |
172 |
132 |
10 |
|
85 |
172 |
132 |
10 |
|
90 |
172 |
132 |
10 |
|
95 |
212 |
132 |
10 |
|
100 |
172 |
167 |
- |
|
GL12 |
6300 |
250 |
1250 |
85 |
172 |
132 |
28A |
44.45 |
16 |
270.08 |
24.0 |
24.9 |
20 |
310 |
205 |
59.4 |
0.380 |
|
90 |
172 |
132 |
20 |
|
95 |
172 |
132 |
20 |
|
100 |
212 |
167 |
- |
|
110 |
212 |
167 |
- |
|
120 |
212 |
167 |
- |
|
GL13 |
10000 |
200 |
1120 |
100 |
212 |
167 |
32A |
50.8 |
18 |
340.80 |
30.0 |
28.6 |
14 |
380 |
230 |
86.5 |
0.869 |
|
110 |
212 |
167 |
14 |
|
120 |
212 |
167 |
14 |
|
125 |
212 |
167 |
14 |
|
130 |
252 |
202 |
- |
|
140 |
252 |
202 |
- |
|
GL14 |
16000 |
200 |
1000 |
120 |
212 |
167 |
32A |
50.8 |
22 |
405.22 |
30.0 |
28.6 |
14 |
450 |
250
150.8 |
|
2.06 |
|
125 |
212 |
167 |
14 |
|
130 |
252 |
202 |
- |
|
140 |
252 |
202 |
- |
|
150 |
252 |
202 |
- |
|
160 |
302 |
202 |
- |
|
GL15 |
25000 |
200 |
900 |
140 |
252 |
202 |
40A |
63.5 |
20 |
466.25 |
36.0 |
35.6 |
18 |
510 |
285 |
234.4 |
4.37 |
|
150 |
252 |
202 |
18 |
|
160 |
302 |
242 |
- |
|
170 |
302 |
242 |
- |
|
180 |
302 |
242 |
- |
|
190 |
352 |
282 |
- |
| |
167
|
|
型号 |
公称转矩TnN·m |
许用转速(n) r/min |
轴孔直径 d1、d2 |
轴孔长度 |
链号 |
链条 节距 |
齿数 Z |
D |
b1 |
S |
A |
Dx (最大) |
Lx (最大) |
质量 kg |
传动惯量kg·m2 |
|
Y型 |
J1型 |
|
不装罩壳 |
安装罩壳 |
L |
L1 |
|
GL9 |
1600 |
400 |
2000 |
60 |
142 |
107 |
16A |
25.40 |
20 |
186.50 |
15.0 |
14.3 |
- |
215 |
145 |
20.0 |
0.061 |
|
|
65 |
142 |
107 |
- |
|
70 |
142 |
107 |
- |
|
75 |
142 |
107 |
- |
|
80 |
172 |
132 |
- |
|
GL10 |
2500 |
315 |
1600 |
60 |
142 |
107 |
20A |
31.75 |
18 |
213.02 |
18.0 |
17.8 |
6 |
245 |
165 |
26.1 |
0.079 |
|
65 |
142 |
107 |
6 |
|
70 |
142 |
107 |
6 |
|
75 |
142 |
107 |
6 |
|
80 |
172 |
132 |
- |
|
85 |
172 |
132 |
- |
|
90 |
172 |
132 |
- |
|
GL11 |
4000 |
250 |
1500 |
75 |
142 |
107 |
24A |
38.1 |
16 |
231.49 |
24.0 |
21.5 |
35 |
270 |
195 |
39.2 |
0.188 |
|
80 |
172 |
132 |
10 |
|
85 |
172 |
132 |
10 |
|
90 |
172 |
132 |
10 |
|
95 |
212 |
132 |
10 |
|
100 |
172 |
167 |
- |
|
GL12 |
6300 |
250 |
1250 |
85 |
172 |
132 |
28A |
44.45 |
16 |
270.08 |
24.0 |
24.9 |
20 |
310 |
205 |
59.4 |
0.380 |
|
90 |
172 |
132 |
20 |
|
95 |
172 |
132 |
20 |
|
100 |
212 |
167 |
- |
|
110 |
212 |
167 |
- |
|
120 |
212 |
- |
|
GL13 |
10000 |
200 |
1120 |
100 |
212 |
167 |
32A |
50.8 |
18 |
340.80 |
30.0 |
28.6 |
14 |
380 |
230 |
86.5 |
0.869 |
|
110 |
212 |
167 |
14 |
|
120 |
212 |
167 |
14 |
|
125 |
212 |
167 |
14 |
|
130 |
252 |
202 |
- |
|
140 |
252 |
202 |
- |
|
GL14 |
16000 |
200 |
1000 |
120 |
212 |
167 |
32A |
50.8 |
22 |
405.22 |
30.0 |
28.6 |
14 |
450 |
250
150.8 |
|
2.06 |
|
125 |
212 |
167 |
14 |
|
130 |
252 |
202 |
- |
|
140 |
252 |
202 |
- |
|
150 |
252 |
202 |
- |
|
160 |
302 |
202 |
- |
|
GL15 |
25000 |
200 |
900 |
140 |
252 |
202 |
40A |
63.5 |
20 |
466.25 |
36.0 |
35.6 |
18 |
510 |
285 |
234.4 |
4.37 |
|
150 |
252 |
202 |
18 |
|
160 |
302 |
242 |
- |
|
170 |
302 |
242 |
- |
|
180 |
302 |
242 |
- |
|
190 |
352 |
282 |
- |
注:
1、有罩壳时,在型号后加“F”,例GL5型联轴器,有罩壳时改为GL5F。
2、表中联轴器质量和转动惯量是近似值。
3、联轴器的轴孔和键槽型式及尺寸见表4-2-3和表4-2-5。
4、联轴器的润滑对性能有重大影响,无论有无外罩壳,均应保证必要的润滑。
5、联轴器许用补偿量见表4-2-10。
表4-2-10滚子联轴器许用补偿量
|
型号 |
GL1 |
GL2 |
GL3 |
GL4 |
GL5 |
GL6 |
GL7 |
GL8 |
GL9 |
GL10 <, /TD> |
GL11 |
GL12 |
GL13 |
GL14 |
GL15 |
|
项目 |
|
|
径向△Y,mm |
0.19 |
0.19 |
0.25 |
0.25 |
0.32 |
0.32 |
0.38 |
0.50 |
0.50 |
0.63 |
0.76 |
0.88 |
1.0 |
1.0 |
1.27 |
|
轴向△X,mm |
1.4 |
1.4 |
1.9 |
1.9 |
2.3 |
2.3 |
2.8 |
3.8 |
3.8 |
4.7 |
5.7 |
6.6 |
7.6 |
7.6 |
9.5 |
|
角向△α |
1° |
注:
1、径向便宜量的测量部位,在半轴器论毂外圆宽度的1/2处。
2、所列补偿量的是指容许的由于安装误差、冲击、振动、变形、温度变化等因素所形成的两轴相对偏移量。