
本公司生产近30类,计140多种搅拌器,从最常见的(包括已有的HB5标准,SB90标准各种搅拌器)到各种复杂形状或特殊用途的搅拌器。可按H/T2123-91标准的各种规格尺寸系列制造,也可根据用户生产工艺需求,代为设计制造各种特殊要求、特殊规格或特殊用途的搅拌器。
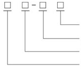
搅拌器型号标注方法:
 |
|
| 材料代号 |
| 搅拌器轴孔径 |
| 搅拌器的外径, |
| 搅拌器型式代号 |
三叶开启涡轮式搅拌器
三斜叶整体开启涡轮式-YK、三斜窄叶整体可启涡轮式-ZK、三斜叶可拆开启涡轮式-YCK、三斜窄叶可拆开启涡轮式-ZKW、三斜叶整体稳定器开启涡轮式-YKW、三斜窄叶整体稳定器开启涡轮式-ZKW、三斜叶可拆稳定器开启涡轮式-YCW、三斜窄叶可拆稳定器开启涡轮式-ZCW
本系列搅拌器较之六叶、四叶开启涡轮式对应搅拌器,有相同规律,而且相对直径大,转速低的情况也可视作桨式搅拌器处理,所以应用也很广泛。稳定器可按要求制作成稳定环及稳定片两种,若采用稳定片,将原型号中末位的W改为U。常用条件μ<50000cp,n=10-300rpm,v=1-10m/s,DJ/D=0.2-0.8,宽形B/DJ=0.2,窄形B/DJ=0.125

三斜叶开启涡轮式搅拌器主要尺寸
| DJ |
d |
d1 |
h |
MX |
b |
t |
φA |
φC |
δ(不锈钢/碳钢) |
重量(kg) |
不锈钢/碳钢 |
| B=0.2DJ |
B=0.125DJ |
| 200 |
25 |
50 |
50 |
M6 |
8 |
28.3 |
130 |
/ |
3/4 |
1.0/1.02 |
0.745/0.754 |
| 220 |
30 |
60 |
60 |
M6 |
8 |
33.3 |
150 |
/ |
3/4 |
1.5/1.47 |
1.209/1.204 |
| 250 |
35 |
70 |
70 |
M8 |
10 |
38.3 |
170 |
/ |
4/6 |
2.31/2.36 |
1.943/1.98 |
| 280 |
35 |
70 |
70 |
M8 |
10 |
38.3 |
190 |
/ |
4/6 |
2.44/2.54 |
1.948/2.088 |
| 320 |
40 |
75 |
75 |
M8 |
12 |
43.3 |
210 |
/ |
6/8 |
3.47/3.59 |
2.652/2.748 |
| 360 |
40 |
75 |
75 |
M8 |
12 |
43.3 |
240 |
/ |
6/8 |
3.8/4.01 |
2.859/3.012 |
| 400 |
45 |
80 |
80 |
M10 |
14 |
48.8 |
270 |
/ |
8/10 |
5.09/5.36 |
3.792/3.97 |
| 450 |
50 |
85 |
85 |
M10 |
14 |
53.8 |
300 |
/ |
8/10 |
6.12/6.5 |
4.523/4.769 |
| 500 |
55 |
90 |
90 |
M12 |
16 |
59.4 |
330 |
250 |
8/10 |
10.62/11.05 |
9.17/9.32 |
| 560 |
60 |
100 |
100 |
M12 |
18 |
64.4 |
370 |
260 |
10/12 |
14.55/15.07 |
12.18/12.37 |
| 630 |
65 |
105 |
105 |
M12 |
18 |
69.4 |
420 |
285 |
10/12 |
17.06/17.78 |
14/14.39 |
| 710 |
70 |
110 |
110 |
M12 |
20 |
74.9 |
470 |
290 |
10/12 |
20.33/21.35 |
16.61/17.09 |
| 800 |
75 |
120 |
120 |
M12 |
20 |
79.9 |
530 |
320 |
12/14 |
27.75/28.93 |
21.96/22.48 |
| 900 |
80 |
130 |
130 |
M12 |
22 |
85.4 |
600 |
330 |
12/14 |
32.82/36.35 |
27.41/28.1 |
| 1000 |
85 |
140 |
140 |
M12 |
22 |
90.4 |
670 |
340 |
12/14 |
44.20/45.57 |
34.51/35.31 |
| 1120 |
90 |
150 |
150 |
M12 |
25 |
95.4 |
750 |
350 |
14/16 |
58.48/60.60 |
44.92/45.9 |
| 1250 |
100 |
160 |
160 |
M16 |
28 |
106.4 |
830 |
380 |
14/16 |
70.77/73.56 |
53.73/55.02 |
| 1400 |
110 |
180 |
180 |
M16 |
28 |
116.4 |
930 |
400 |
14/16 |
92.65/96.06 |
71.02/72.54 |
| 1600 |
120 |
190 |
190 |
M16 |
32 |
127.4 |
1070 |
410 |
16/18 |
125.8/130.3 |
93.08/95.07 |
| 1800 |
130 |
200 |
200 |
M16 |
32 |
137.4 |
1200 |
420 |
16/18 |
154.2/160.2 |
111.2/115.2 |
| 2000 |
140 |
210 |
210 |
M16 |
36 |
148.4 |
1340 |
530 |
16/18 |
185.8/194.9 |
134.3/138.3 |
| 2240 |
150 |
220 |
220 |
M18 |
36 |
158.4 |
1490 |
440 |
18/20 |
252.6/261.7 |
178.3/183 |
| 2500 |
160 |
240 |
240 |
M18 |
40 |
169.4 |
1660 |
460 |
18/20 |
302.8/320.3 |
224.4/230.2 |
备注:搅拌器内孔可根据用户要求制作,轮毂高度一般与内孔一致。