|
产品展示
联系我们
地址:无锡市钱桥工业园
手机: 18168892286 传真:0510-82628805
|
|
产品展示
PRODUCT
当前位置:首页 > 产品展示
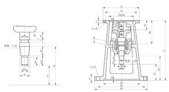
JB型HG5-251-79标机架


JB型<79标>机架主要参数及尺寸
| 机架型号 |
减速机型号 |
尺寸 |
| D |
D1 |
D2 |
D3 |
D4 |
D5 |
H |
H1 |
H2 |
H3 |
H4 |
H6 |
H7 |
H8 |
H9 |
H10 |
H11 |
| JB |
TJ1 |
B1 |
230 |
200 |
170 |
220 |
270 |
305 |
514 |
157 |
224 |
185 |
75 |
4 |
45 |
6 |
33 |
34 |
28 |
| TJ2 |
B1 |
230 |
200 |
170 |
250 |
300 |
335 |
517 |
150 |
226 |
190 |
80 |
5 |
40 |
6 |
44 |
32 |
25 |
| TJ2 |
B2 |
260 |
230 |
200 |
250 |
300 |
335 |
530 |
134 |
215 |
210 |
94 |
5 |
45 |
6 |
47 |
34 |
27 |
| TJ3 |
B2 |
260 |
230 |
200 |
295 |
350 |
392 |
560 |
164 |
245 |
210 |
94 |
5 |
45 |
6 |
47 |
34 |
27 |
| TJ3 |
B3 |
340 |
310 |
270 |
295 |
350 |
392 |
560 |
164 |
245 |
210 |
100 |
5 |
42 |
6 |
47 |
34 |
27 |
| TJ4 |
B3 |
340 |
310 |
270 |
345 |
400 |
442 |
675 |
203 |
300 |
250 |
100 |
5 |
50 |
8 |
53 |
44 |
35 |
| TJ5 |
B3 |
340 |
310 |
270 |
390 |
450 |
498 |
680 |
183 |
300 |
250 |
100 |
5 |
55 |
8 |
58 |
49 |
39 |
| TJ5 |
B4 |
400 |
360 |
320 |
390 |
450 |
498 |
380 |
193 |
300 |
250 |
120 |
5 |
55 |
8 |
58 |
49 |
39 |
| TJ6 |
B4 |
400 |
360 |
320 |
435 |
500 |
547 |
736 |
215 |
332 |
250 |
120 |
9 |
75 |
8 |
65 |
52 |
42 |
| TJ6 |
B5 |
490 |
450 |
400 |
435 |
500 |
548 |
736 |
215 |
332 |
250 |
145 |
9 |
75 |
8 |
65 |
52 |
42 |
| TJ7 |
B5 |
490 |
450 |
400 |
440 |
550 |
600 |
805 |
180 |
321 |
296 |
145 |
8 |
74 |
10 |
89 |
52 |
44 |
| TJ8 |
B6 |
580 |
520 |
460 |
500 |
550 |
600 |
820 |
170 |
320 |
362 |
177 |
9 |
28 |
10 |
90 |
60 |
52 |
| 机架型号 |
减速机型号 |
尺寸 |
机架配套轴承 |
| h |
h1 |
h2 |
h3 |
d1 |
d2 |
d3 |
d4 |
m0 |
n1-d |
n2-d5 |
A |
B |
| JB |
TJ1 |
B1 |
22 |
20 |
6 |
7 |
35 |
35 |
30 |
24 |
M24×3 |
6-φ12 |
4-φ24 |
209 |
8209 |
| TJ2 |
B1 |
22 |
20 |
6 |
7 |
35 |
35 |
39 |
33 |
M33×3.5 |
6-φ12 |
4-φ24 |
209 |
8209 |
| TJ2 |
B2 |
25 |
20 |
7 |
7 |
45 |
45 |
39 |
32 |
M33×3.5 |
6-φ13 |
4-φ24 |
210 |
8210 |
| TJ3 |
B2 |
26 |
20 |
7 |
7 |
45 |
45 |
39 |
32 |
M33×3.5 |
6-φ13 |
4-φ26 |
210 |
8210 |
| TJ3 |
B3 |
26 |
20 |
7 |
7 |
55 |
55 |
39 |
32 |
M33×3.5 |
6-φ13 |
4-φ26 |
210 |
8210 |
| TJ4 |
B3 |
26 |
20 |
7 |
7 |
55 |
55 |
50 |
41.5 |
M42×4.5 |
6-φ13 |
4-φ26 |
213 |
8213 |
| TJ5 |
B3,B4 |
26 |
22 |
7 |
7 |
55 70 |
55 |
60 |
51.5 |
M52×5 |
6-φ30 |
4-φ30 |
213 |
8213 |
| TJ6 |
B4,B5 |
30 |
22 |
7 |
7 |
70 90 |
70 |
70 |
61.5 |
M64×6 |
8-φ16 |
8-φ30 |
215 |
8215 |
| TJ7 |
B5 |
30 |
26 |
10 |
10 |
90 |
90 |
90 |
79 |
M80×6 |
12-φ18 |
12-φ22 |
220 |
8220 |
| TJ8 |
B6 |
32 |
30 |
10 |
10 |
100 |
100 |
100 |
89 |
M90×6 |
12-φ22 |
12-φ22 |
222 |
8222 |
|