|
产品展示
联系我们
地址:无锡市钱桥工业园
手机: 18168892286 传真:0510-82628805
|
|
产品展示
PRODUCT
当前位置:首页 > 产品展示
JXLD型机架(74标)

本贡架可直接与我厂的XLD型减速机10种机型联接
型号标定方法示例:
 |
|
|
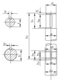
机架高度代号Ⅰ型:普通型; |
|
Ⅱ型:增高型 |
| 减速机输出轴轴径(mm) |
| 减速机型号(3#-12#) |
| 机架代号 |


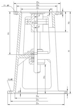
JXLD型机架主要参数及尺寸
| 机架代号 |
减速机出轴轴径d |
搅拌轴轴端尺寸 |
外形及联接尺寸 |
Ⅰ型 |
Ⅱ型 |
| d1 |
M |
d2 |
d3(K6) |
h1 |
h2 |
h3 |
h4 |
h5 |
h6 |
b |
b1 |
t |
t1 |
H1 |
H2 |
D3 |
D2 |
D1 |
n1-φ1 |
D4 |
D5 |
D6(H9) |
t2 |
b2 |
n2-φ2 |
H |
H3 |
重量(kg) |
H |
H |
重量(kg) |
| JXLD3 |
35 |
40 |
M45×1.5 |
42.8 |
45 |
60 |
215 |
10 |
3 |
16 |
50 |
10 |
6 |
30 |
41 |
291 |
136 |
230 |
200 |
170 |
6-12 |
410 |
360 |
300 |
6 |
18 |
6-18 |
520 |
170 |
55 |
610 |
260 |
80 |
| JXLD4 |
45 |
50 |
M55×2 |
52 |
55 |
75 |
235 |
14 |
4 |
22 |
69 |
14 |
8 |
39.5 |
51 |
335 |
175 |
260 |
230 |
200 |
6-12 |
450 |
400 |
335 |
6 |
18 |
6-18 |
570 |
155 |
80 |
670 |
255 |
86 |
| JXLD5 |
55 |
60 |
M65×2 |
62 |
65 |
75 |
301 |
14 |
4 |
22 |
70 |
16 |
8 |
49 |
61 |
404 |
178 |
340 |
310 |
270 |
6-13 |
500 |
450 |
385 |
6 |
22 |
8-18 |
650 |
157 |
110 |
750 |
257 |
120 |
| JXLD6 |
65 |
70 |
M75×2 |
72 |
75 |
90 |
277 |
16 |
4 |
25 |
85 |
18 |
10 |
58 |
70 |
402 |
215 |
400 |
360 |
316 |
8-16 |
530 |
480 |
410 |
8 |
22 |
12-18 |
660 |
168 |
130 |
760 |
268 |
145 |
| JXLD7 |
80 |
85 |
M90×2 |
87 |
90 |
105 |
316 |
20 |
4 |
30 |
100 |
22 |
12 |
71 |
84 |
441 |
230 |
430 |
390 |
345 |
8-18 |
565 |
510 |
430 |
8 |
24 |
12-22 |
740 |
194 |
160 |
860 |
314 |
178 |
| JXLD8 |
90 |
95 |
M100×2 |
97 |
100 |
125 |
320 |
20 |
4 |
30 |
120 |
25 |
12 |
81 |
94 |
471 |
276 |
490 |
450 |
400 |
12-18 |
565 |
510 |
430 |
8 |
28 |
12-22 |
800 |
212 |
208 |
920 |
332 |
230 |
| JXLD9 |
100 |
105 |
M110×2 |
107 |
110 |
125 |
308 |
20 |
4 |
31 |
120 |
28 |
14 |
90 |
104 |
496 |
313 |
580 |
520 |
455 |
12-22 |
580 |
520 |
455 |
10 |
30 |
12-22 |
810 |
191 |
235 |
920 |
301 |
262 |
| JXLD10 |
110 |
115 |
M120×2 |
117 |
120 |
155 |
267 |
24 |
4 |
35 |
150 |
28 |
14 |
100 |
114 |
475 |
363 |
650 |
590 |
520 |
12-22 |
650 |
690 |
520 |
12 |
30 |
12-22 |
830 |
221 |
300 |
950 |
341 |
345 |
| JXLD11 |
130 |
135 |
M140×2 |
137 |
140 |
155 |
301 |
28 |
4 |
39 |
150 |
32 |
14 |
119 |
132 |
521 |
375 |
880 |
800 |
680 |
12-38 |
880 |
800 |
680 |
12 |
30 |
12-37 |
850 |
185 |
480 |
970 |
305 |
538 |
| JXLD12 |
180 |
190 |
M200×3 |
196 |
200 |
284 |
377 |
36 |
4 |
48 |
280 |
45 |
16 |
165 |
190 |
757 |
664 |
1160 |
1020 |
900 |
8-39 |
1160 |
1020 |
900 |
12 |
45 |
8-39 |
1200 |
235 |
|
350 |
385 |
|
注:图示所注“h2”仅与本样本XLD系列减速机相配,如选用其他型号或其他厂家减速机,“H2”需另计算,Ⅰ型为普通型;Ⅱ型为增高型、除H、H2尺寸加大外,其余尺寸与Ⅰ型相同。
|