|
产品展示
联系我们
地址:无锡市钱桥工业园
手机: 18168892286 传真:0510-82628805
|
|
产品展示
PRODUCT
当前位置:首页 > 产品展示
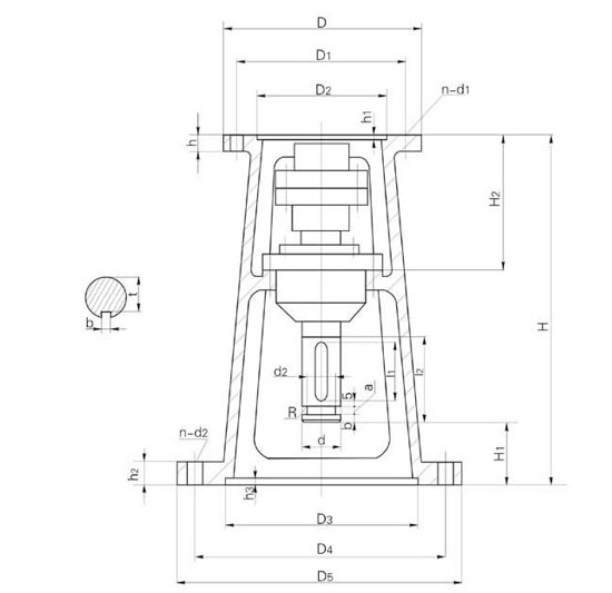
TJQ型机架


TJQ型机架下装JQ、JJQ型夹壳式联轴器主要参数及尺寸
| 机架型号 |
减速机型号 |
输出轴d |
输入端接口 |
输出问接口 |
H |
H1 |
H2 |
I1 |
I2 |
a (H11) |
b1 |
D2 (h11) |
b |
t |
| D |
D1 |
D2 |
h |
h1 |
n-d1 |
D3 |
D4 |
D5 |
h2 |
h3 |
n-d2 |
| TJQ2 |
B1 |
35 |
230 |
200 |
170 |
18 |
5 |
6-12 |
250 |
300 |
335 |
22 |
7 |
4-24 |
517 |
182 |
190 |
55 |
85 |
5 |
4 |
30 |
10 |
30 |
| TJQ3 |
B2 |
45 |
260 |
230 |
200 |
20 |
6 |
6-13.5 |
295 |
350 |
392 |
25 |
7 |
4-26 |
560 |
191 |
210 |
70 |
100 |
6 |
5 |
37 |
14 |
39.5 |
| TJQ4 |
B3 |
55 |
340 |
310 |
270 |
20 |
6 |
6-13.5 |
345 |
400 |
442 |
26 |
7 |
4-26 |
675 |
253 |
250 |
70 |
100 |
6 |
5 |
47 |
16 |
49 |
| TJQ5 |
B3 |
55 |
340 |
310 |
270 |
20 |
6 |
6-13.5 |
390 |
450 |
498 |
26 |
7 |
4-30 |
680 |
258 |
250 |
70 |
100 |
6 |
5 |
47 |
16 |
49 |
| TJQ6 |
B4 |
70 |
400 |
360 |
320 (316) |
22 |
6 |
8-16 |
435 |
500 |
548 |
26 |
7 |
8-30 |
736 |
284 |
250 |
100 |
130 |
8 |
6 |
60 |
20 |
62.5 |
| TJQ7 |
B5 |
90 |
490 |
450 |
400 |
25 |
7 |
12-18 |
440 |
550 |
600 |
28 |
10 |
12-22 |
810 |
233 |
296 |
140 |
170 |
10 |
8 |
80 |
25 |
81 |
| TJQ8 |
B6 |
100 |
580 |
520 |
460 (455) |
26 |
10 |
12-22 |
500 |
550 |
600 |
30 |
10 |
12-22 |
820 |
187 |
362 |
140 |
170 |
10 |
8 |
90 |
28 |
90 |
| TJQ9 |
B7 |
110 |
650 |
590 |
520 |
30 |
12 |
12-22 |
560 |
650 |
700 |
40 |
10 |
12-27 |
955 |
210 |
420 |
160 |
200 |
12 |
10 |
100 |
28 |
100 |
| TJQ10 |
B8 |
130 |
880 |
800 |
680 |
40 |
12 |
12-38 |
720 |
810 |
880 |
45 |
10 |
20-27 |
1200 |
297 |
550 |
180 |
225 |
14 |
12 |
118 |
32 |
119 |
|