
釜用机械密封订货、使用、安装
1、订货前必须详细提供配套设备的轴径、压力、温度、转速、密封介质、旋向。
2、根据参数、正确选择相应型号的机械密封及所有材料。
3、使用压力高于0.8MPa,许配套平衡罐。
4、介质温度高于200℃要选用双冷却结构。
5、轴的轴向串动不大于±0.5mm。径向摆动不大于0.5mm。
6、安装机械密封的法拦与轴线不垂直度允许0.05mm。
7、安装机械密封部位的轴制造公差为在d4粗糙度。
8、机械密封安装后应用水试运转24小时后再正是投料生产。
202、204型釜用机械密封(HG5-752-78)
结构单端面,小弹簧,非平衡型(202)
单端面,小弹簧,平衡型(204)
压力0-0.25MPa(202)、0-0.8MPa
温度-40-180℃(202、204)
转速≤500转/分
轴径30-150mm(202、204)
使用介质:(202、204)酸、碱、油、高分子悬浮液
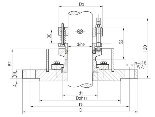
202型釜用机械密封主要尺寸
|
符号 |
d/h8 |
d1 |
D |
D1 |
D2h11 |
D3 |
n-Φ |
|
轴径
|
30 |
30 |
50 |
185 |
150 |
116 |
64 |
4-Φ18 |
|
40 |
40 |
64 |
205 |
170 |
135 |
76 |
4-Φ18 |
|
50 |
50 |
76 |
235 |
200 |
164 |
88 |
8-Φ18 |
|
5 |
65 |
91 |
235 |
200 |
164 |
103 |
8-Φ18 |
|
80 |
80 |
110 |
260 |
225 |
188 |
118 |
8-Φ18 |
|
95 |
95 |
123 |
290 |
255 |
220 |
132 |
12-Φ18 |
|
110 |
110 |
140 |
315 |
280 |
245 |
150 |
12-Φ18 |
|
125 |
125 |
155 |
315 |
280 |
245 |
165 |
12-Φ18 |
|
130 |
130 |
158 |
360 |
320 |
285 |
180 |
12-Φ18 |
|
140 |
140 |
168 |
360 |
320 |
285 |
195 |
12-Φ18 |
|
150 |
150 |
180 |
360 |
320 |
285 |
210 |
12-Φ18 |
204B型釜用机械密封主要尺寸
|
符号 |
d/h8 |
d1 |
D |
D1 |
D2h11 |
D3 |
n-Φ |
|
轴径
|
30 |
30 |
50 |
185 |
150 |
116 |
67 |
4-Φ18 |
|
40 |
40 |
64 |
205 |
170 |
135 |
77 |
4-Φ18 |
|
50 |
50 |
74 |
235 |
200 |
164 |
87 |
8-Φ18 |
|
60 |
60 |
85 |
235 |
200 |
164 |
98 |
8-Φ18 |
|
65 |
65 |
91 |
235 |
200 |
164 |
103 |
8-Φ18 |
|
80 |
80 |
110 |
260 |
225 |
188 |
118 |
12-Φ18 |
|
90 |
90 |
119 |
290 |
255 |
220 |
128 |
12-Φ18 |
|
100 |
100 |
132 |
315 |
280 |
245 |
138 |
12-Φ18 |
|
100 |
100 |
140 |
315 |
280 |
245 |
148 |
12-Φ18 |