

结构:单端面、小弹簧、聚四氟乙烯波纹管型
压力:≤0.6MPa
温度:-40~120℃
转速:≤500转/分
适用介质:硫酸、硝酸、有机酸等强腐蚀介质(无悬浮颗粒)
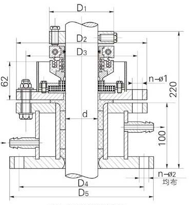
79标212型机封安装尺寸表1
|
符号 |
d |
D1 |
D2 |
D3 |
D4 |
D5 |
n-Φ1 |
n-Φ1 |
|
公差 |
|
|
|
|
|
|
|
|
|
轴径 |
|
212-40 |
40 |
90 |
170 |
140 |
130 |
160 |
6-Φ13 |
4-Φ18 |
|
212-50 |
50 |
100 |
200 |
170 |
150 |
185 |
6-Φ13 |
4-Φ18 |
|
212-65 |
65 |
115 |
220 |
190 |
170 |
205 |
10-Φ13 |
4-Φ18 |
|
212-80 |
80 |
130 |
220 |
190 |
200 |
235 |
10-Φ13 |
8-Φ18 |
|
212-95 |
95 |
150 |
230 |
200 |
200 |
235 |
6-Φ13 |
8-Φ18 |
|
212-102 |
102 |
150 |
230 |
200 |
255 |
290 |
10-Φ13 |
8-Φ18 |
69标212型机封安装尺寸表
|
符号 |
d |
D1 |
D2 |
D3 |
D4 |
D5 |
n-Φ1 |
n-Φ1 |
|
公差 |
|
|
|
|
|
|
|
|
|
轴径 |
|
212-42 |
42 |
170 |
170 |
140 |
140 |
170 |
6-Φ13 |
6-Φ16 |
|
212-50 |
50 |
100 |
200 |
170 |
170 |
200 |
8-Φ13 |
8-Φ16 |
|
212-60 |
60 |
110 |
200 |
170 |
190 |
220 |
8-Φ13 |
10-Φ16 |
|
212-70 |
70 |
120 |
220 |
190 |
250 |
280 |
10-Φ13 |
16-Φ16 |
|
212-76 |
76 |
130 |
220 |
190 |
250 |
280 |
10-Φ13 |
16-Φ16 |
|
212-80 |
80 |
130 |
220 |
190 |
250 |
280 |
10-Φ13 |
16-Φ16 |
|
212-89 |
89 |
140 |
220 |
190 |
250 |
280 |
10-Φ13 |
16-Φ16 |
|
212-95 |
95 |
150 |
230 |
200 |
300 |
330 |
6-Φ13 |
20Φ-16 |

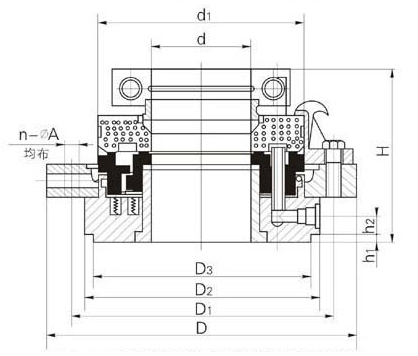
图7-5 221型径向双端面耐腐蚀釜用机械密封
结构:径向双端面、小弹簧、传动销传动
压力:≤1MPa
温度:0-120℃
轴径:≤500转/分
适用介质:腐蚀性介质,密封泄漏要求较高的场合
221型径向双端面耐腐蚀釜用机械密封标
|
符号 |
d |
d1 |
D |
D1 |
D2 |
D3 |
h1 |
h2 |
H |
n-ΦA |
|
轴径
|
40 |
106 |
185 |
145 |
122 |
109 |
4 |
13 |
110 |
4-Φ18 |
|
50 |
116 |
220 |
180 |
158 |
149 |
4 |
13 |
119 |
8-Φ18 |
|
65 |
136 |
250 |
210 |
188 |
175 |
5 |
15 |
137 |
8-Φ18 |
|
80 |
164 |
250 |
210 |
188 |
175 |
5 |
15 |
137 |
8-Φ18 |
|
95 |
184 |
285 |
240 |
212 |
203 |
5 |
15 |
137 |
8-Φ18 |
|
110 |
210 |
340 |
285 |
268 |
259 |
6 |
17 |
146 |
8-Φ22 |
|
125 |
235 |
340 |
295 |
268 |
259 |
6 |
17 |
146 |
8-Φ22 |
|
140 |
250 |
395 |
350 |
324 |
335 |
6 |
17 |
146 |
12-Φ22 |