该减速器体积小、重量轻,承载能力高,使用寿命长、运转平稳,噪声低。具有功率分流、多齿啮合独用的特性。最大输入功率可达104kW。适用于起重运输、工程机械、冶金、矿山、石油化工、建筑机械、轻工纺织、医疗器械、仪器仪表、汽车、船舶、兵器和航空航天等工业部门。行星系列新品种WGN定轴传动减速器、WN子母齿轮传动减速器、弹性均载少齿差减速器。
一、概述
行星齿轮系列减速机是一种具有广泛通用性的新性减速机,内部齿轮采用20CvMnT渗碳淬火和磨齿。整机具有结构尺寸小,输出扭矩大,速比在、效率高、性能安全可靠等特点。本机主要用于塔式起重机的回转机构,又可作为配套部件用于起重、挖掘、运输、建筑等行业。
适用范围如下:
输入轴转速≤1500r/min
转动方向:正反
机构工作级别:M5
结构利用等级:T4
工作环境温度:-40℃~+45℃,低于0℃,启动前润滑油需预热。
二、型号说明

三、传动形式简图

减速机的选用
选用输出扭矩时,要考虑到工况系数,当计算扭矩为TC时,则T=KA·TC。
KA值列表如下:
| 动力 |
载荷 |
| 一般载荷 |
交变载荷 |
动擎载荷 |
| 液压马达 |
1 |
1.2 |
1.4 |
| 交流电动机 |
1.2 |
1.4 |
1.6 |
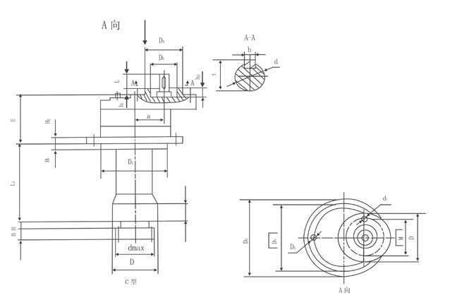
XX型回转行星齿轮减速机外形尺寸

|
型号 |
输入速度(r/min) |
输出扭矩(N·m) |
主要安装尺寸 |
|
T额 |
T最大 |
Dt(h7) |
D2 |
D3 |
D4(h7) |
D5(H7) |
D6 |
H |
H1 |
H2 |
D7(H7) |
H3 |
L3 |
|
xx-25 |
1500 |
2500 |
3750 |
220 |
280 |
250 |
85 |
70 |
12¿14 |
5 |
15 |
20 |
170 |
55 |
200 |
|
xx-40 |
1500 |
4000 |
6000 |
260 |
320 |
290 |
85 |
70 |
24¿14 |
5 |
15 |
25 |
176 |
66 |
230 |
|
xx-63 |
1500 |
6300 |
9450 |
260 |
320 |
290 |
85 |
70 |
24¿14 |
5 |
15 |
25 |
200 |
70 |
230 |
|
xx-80 |
1500 |
8000 |
12000 |
295 |
370 |
340 |
85 |
70 |
24¿18 |
12 |
20 |
30 |
220 |
70 |
315 |
|
xx-100 |
1500 |
1000 |
15000 |
330 |
420 |
380 |
|
170 |
24¿18 |
12 |
40 |
30 |
260 |
60 |
315 |
|
xx-160 |
1500 |
16000 |
24000 |
415 |
500 |
465 |
|
180 |
24¿18 |
25 |
20 |
30 |
280 |
100 |
550 |
|
xx-250 |
1500 |
25000 |
37500 |
415 |
500 |
|
|
200 |
24¿22 |
5 |
20 |
35 |
330 |
100 |
600 |
|
型号 |
输出尺寸 |
外廓尺寸 |
输入轴端尺寸 |
|
Dmax |
B |
E |
a |
d |
b |
t |
h1 |
h2 |
L |
M |
d1 |
D |
|
xx-25 |
120 |
90 |
204 |
82 |
20h6 |
6 |
22.5 |
4 |
10 |
41 |
160 |
6-M12 |
205 |
|
xx-40 |
150 |
80 |
232 |
102 |
25h6 |
8 |
28 |
4 |
10 |
40 |
160 |
6-M12 |
196 |
|
xx-63 |
150 |
85 |
220 |
102 |
25js6 |
8 |
28 |
5 |
10 |
47 |
160 |
6-M12 |
215 |
|
xx-80 |
168 |
85 |
290 |
102 |
25js6 |
8 |
28 |
5 |
10 |
47 |
160 |
6-M12 |
200 |
|
xx-100 |
184 |
90 |
347 |
124 |
30k6 |
8 |
33 |
|
10 |
40 |
245 |
6-M12 |
316 |
|
xx-160 |
210 |
110 |
364 |
155 |
42k6 |
12 |
45 |
|
15 |
47 |
260 |
|
|
|
xx-250 |
260 |
140 |
364 |
155 |
55k6 |
16 |
59 |
|
15 |
65 |
280 |
|
|
|
代号 |
额定输出转矩 |
|
传动比 |
2500 |
4000 |
630 |
8000 |
10000 |
16000 |
25000 |
|
xx1 |
6 |
· |
· |
· |
· |
○ |
○ |
○ |
|
7.5 |
· |
· |
· |
· |
○ |
○ |
○ |
|
8 |
· |
· |
· |
· |
○ |
○ |
○ |
|
xx2 |
10 |
· |
· |
· |
○ |
○ |
○ |
○ |
|
11.2 |
· |
· |
· |
○ |
○ |
○ |
○ |
|
12.5 |
· |
· |
· |
○ |
○ |
○ |
○ |
|
14 |
· |
· |
· |
○ |
○ |
○ |
○ |
|
16 |
· |
· |
· |
· |
· |
○ |
○ |
|
18 |
· |
· |
· |
· |
· |
○ |
○ |
|
20 |
· |
· |
· |
· |
· |
○ |
○ |
|
22.4 |
· |
· |
· |
· |
· |
○ |
○ |
|
28 |
· |
· |
· |
· |
· |
○ |
○ |
|
31.5 |
· |
· |
· |
· |
· |
○ |
○ |
|
xx3 |
36 |
· |
· |
· |
· |
○ |
○ |
○ |
|
45 |
· |
· |
· |
· |
· |
○ |
○ |
|
54 |
· |
· |
· |
· |
· |
○ |
○ |
|
56 |
· |
· |
· |
· |
· |
○ |
○ |
|
64 |
· |
· |
· |
· |
· |
○ |
○ |
|
xx4 |
63 |
· |
· |
· |
· |
· |
○ |
○ |
|
71 |
· |
· |
· |
· |
· |
○ |
○ |
|
80 |
· |
· |
· |
· |
· |
○ |
○ |
|
90 |
· |
· |
· |
· |
· |
○ |
○ |
|
100 |
· |
· |
· |
· |
· |
○ |
○ |
|
112 |
· |
· |
· |
· |
· |
· |
○ |
|
125 |
· |
· |
· |
· |
· |
· |
○ |
|
135 |
· |
· |
· |
· |
· |
· |
○ |
|
140 |
· |
· |
· |
· |
· |
· |
○ |
|
157.5 |
· |
· |
· |
· |
· |
· |
○ |
|
160 |
· |
· |
· |
· |
· |
· |
○ |
|
180 |
· |
· |
· |
· |
· |
· |
○ |
|
195 |
· |
· |
· |
· |
· |
○ |
○ |