您好!欢迎您进入江苏龙一诺机械制造有限公司官网!
设为主页 加入收藏 客户留言
服务热线
181-6889-2286
专业生产摆线针轮减速机减速电机齿轮减速机
网站首页 企业简介 产品展示 客户服务 新闻中心 技术资讯 联系我们  
产品展示
联系我们

地址:无锡市钱桥工业园

手机:
18168892286
传真:0510-82628805

产品展示

PRODUCT

当前位置:首页 > 产品展示

SHCD型三环减速机

SHCD型三环减速机

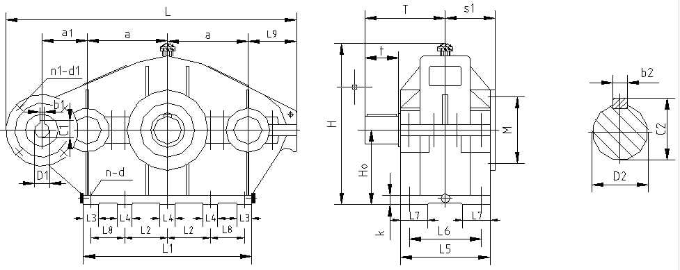
SHCD型减速器外形尺寸,见图13、表15:

图13  SHCD型减速器外形尺寸

表15  SHCD型减速器外形尺寸

规格
中心尺寸
轮 廓 尺 寸
地 脚 螺 栓
输 入 尺 寸
输 出 轴 伸
所配电机
(机座号)
质量
(kg)
a1   a   H0
H       L    L1   L5   L9
d   n  k   L2  L3   L4   L6   L7   L8
D1  b1  c1     s1      M  n1   d1
D2     t     T   c2   b2
125
190  125  115
258  455   320   200   80
M12  4  16  145  60        170   50
19  6   21.8   85    165  4   M10
38k6   58    150   41   10
80
60
145
225  145  130
291  530   390   230 92.5
M16  4  18  170  70        185   60
19  6   21.8   92    165  4   M10
24  8   27.3
48k6   82    185  51.5  14
80
90
88
175
275  175  165
367  650   470   255 117.5
M16  4  20  205  90        210   60
19  6   21.8         165      M10
24  8   27.3   110   165  4   M10
28  8   31.3         215      M12
60m6   105   223   64   18
80
90
100
132
215
345  215  200
433  790   550   290  130
M20  4  25  245  100       240   70
24  8   27.3         165      M10
28  8   31.3   125   215  4   M12
28  8   31.3         215      M12
75m6   105   235  79.5   20
90
100
112
200
255
400  255  230
493  910   630   320  150
M20  6  25  285  100  100  270   70
28  8   31.3         215
28  8   31.3   137   215  4   M12
38  10  41.3         265
90m6   130   275   95   25
100
112
132
300
300
460  300  280
585  1050  750   350  180
M24  6  30  345  120  120  285   80
28  8   31.3         215  4   M12
38  10  41.3   157   265  4   M12
42  12  45.3         300  4   M16
110m6  165   340  116   28
112
132
160
528
350
530  350  325
678  1220  860   410  200
M24  6  35  390  120  160  350   90
38  10  41.3         265  4   M12
42  12  45.3   187   300  4   M16
48  14  51.8         300  4   M16
130m6  200   395  139   32
132
160
180
708
400
610  400  355
740  1410  950   445  240
M24  8  40  150  120  120  385  100  290
42  12  45.3         300
48  14  51.8   217   300  4   M16
55  16  59.4         350    
150m6  200   438  158   36
160
180
200
1020
450
680  450  400
825  1550  1100  510  270
M30  8  45  160  120  120  430  100  340
48  14  51.8         300  4 
55  16  59.4   245   350  4   M16
60  18  64.4         400  8   M16
170m6  240   500  179   40
180
200
225
1400
TEL:18168892286

在线咨询

在线客服
网站首页    |    公司简介    |    新闻中心    |    产品展示    |    售后服务    |    联系我们

Copyright © 2017-2020 版权所有:江苏龙一诺机械制造有限公司 All Rights Reserved.
地址:无锡市钱桥工业园

传真:0510-82628805
手机:18168892286
网站:http://www.txjsjxs.com

苏ICP备15006862号-3