您好!欢迎您进入江苏龙一诺机械制造有限公司官网!
设为主页 加入收藏 客户留言
服务热线
181-6889-2286
专业生产摆线针轮减速机减速电机齿轮减速机
网站首页 企业简介 产品展示 客户服务 新闻中心 技术资讯 联系我们  
产品展示
联系我们

地址:无锡市钱桥工业园

手机:
18168892286
传真:0510-82628805

产品展示

PRODUCT

当前位置:首页 > 产品展示

SHDK型减速器

SHDK型减速器

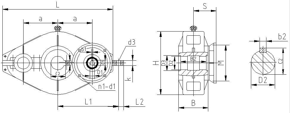
SHDK型减速器外形尺寸,见图10、表12:

图10  SHDK型减速器外形尺寸

表12  SHDK型减速器外形尺寸

规格
中心尺寸
轮廓尺寸
安装尺寸
输 入 尺 寸
输 出 尺 寸
参 考
电 机 (机座号)
质量(不含电机)kg
a    H
B   L   L2
d3  L1  k
D1   b1   c1   M    S   n1  d1
 D2   D3  B2  c2   b2
125
125  224
126 410 20
18  230  20
19H7   6   21.8  165  103.5   4   12
24H7   8   27.3  165  113.5   4   12
45H7 53   94  48.8 14Js9
80
90
56
145
145  254
134 475 25
24  275  25
24H7   8   27.3  165   121    4   12
28H7   8   31.3  215   131   4   15
28H7   8   31.3  215   131   4   15
55H7 63  106  59.3 16Js9
90
100
112
67
175
175  320
154 585 30
30  320  32
28H7   8   31.3  215   146   4   15
28H7   8   31.3  215   146   4   15
38H7   10  41.3  265   166   4   15
70H7 78  140  74.9 20Js9
100
112
132
110
215
215  390
174 690 40
36  380  40
28H7   8   31.3  215   146   4   15
38H7   10  41.3  265   181   4   15
42H7   12  45.3  300   211   4   19
85H7 95  154  90.4 22Js9
112
132
160
200
255
255 444
200 810 45
42  445  45
38H7   10  41.3  265   190   4   15
42H7   12  45.3  300   220   4   19
48H7   14  51.8  300   220   4   19
100H7 110 176 106.4 28Js9
132
160
180
276
300
300  530
240 960 50
48  530  50
42H7   12  45.3  300   220   4   15
48H7   14  51.8  300   220   4   19
55H7   16  59.3  350   233   4   19
120H7 130 210 127.4 32Js9
160
180
200
482
TEL:18168892286

在线咨询

在线客服
网站首页    |    公司简介    |    新闻中心    |    产品展示    |    售后服务    |    联系我们

Copyright © 2017-2020 版权所有:江苏龙一诺机械制造有限公司 All Rights Reserved.
地址:无锡市钱桥工业园

传真:0510-82628805
手机:18168892286
网站:http://www.txjsjxs.com

苏ICP备15006862号-3