YZWI YZWII型外装电动滚筒型号说明
一、产品用途及特点
1.用途:
YZW型外装式电动滚筒是为各种带式输送机、斗式提升机、卷扬机等配套的新型驱动装置。
2. 主要特点:
a. 该产品的减速机构采用摆线针轮传动,使电机外露与滚筒直联,可取代电动机一减速机一传动滚筒组成的老式驱动装置。
b. 克服了渐开线齿轮电动滚筒易损坏的缺点,具有过载能力强,运转平稳,效率高等优点。
c. 电机外联改变了散热条件,且安装维修方便,避免了电动机遭油浸蚀,延长了使用寿命。
d. 设有先进的逆止装置,可防止上运物料停机时皮带下滑。
e. 滚筒表面覆盖人字形、菱形等多种花纹胶层,以提高牵引胶带的能力。
f. 也可配用防爆电机,应用于有防爆要求的场合。
二、标记示例:

1、滚筒旋转方向必须面对电机尾部观察,顺时针旋转标注“S”,逆时针旋转标注“N”,不需逆止时,则不标注滚筒旋转方向代号。
2、滚筒必须在输出扭矩范围内使用,其输出扭矩按下式计算:

式中:M——扭矩(Nm)D——滚筒直径(m)P——功率(kW)V——带速(m/ s)
YZW315(320)、YZW400、YZW500、YZW630、YZW800、YZW1000、型外装电动滚筒基本参数
|
直径
(mm) |
功率
(Kw) |
带宽(mm) |
表 面 线 速 度 (m/s) |
质量(Kg) |
|
315(320) |
|
|
0.25 |
0.32 |
0.4 |
0.55 |
0.63 |
0.8 |
1.0 |
1.25 |
1.6 |
2 |
2.5 |
|
|
1.5 |
500 |
· |
· |
· |
· |
· |
· |
· |
|
|
|
|
198 |
|
650 |
· |
· |
· |
· |
· |
· |
· |
|
|
|
|
210 |
|
2.2 |
500 |
· |
· |
· |
· |
· |
· |
· |
· |
· |
|
|
200 |
|
650 |
· |
· |
· |
· |
· |
· |
· |
· |
· |
|
|
210 |
|
3 |
500 |
|
|
|
· |
· |
· |
· |
· |
· |
|
|
230 |
|
650 |
|
|
|
· |
· |
· |
· |
· |
· |
|
|
240 |
|
800 |
|
|
|
· |
· |
· |
· |
· |
· |
|
|
245 |
|
4 |
500 |
|
|
|
· |
· |
· |
· |
· |
· |
|
|
240 |
|
650 |
|
|
|
· |
· |
· |
· |
· |
· |
|
|
245 |
|
800 |
|
|
|
· |
· |
· |
· |
· |
· |
|
|
258 |
|
400 |
1.5 |
500 |
|
· |
· |
· |
· |
|
|
|
|
|
|
225 |
|
650 |
|
· |
· |
· |
· |
|
|
|
|
|
|
235 |
|
800 |
|
· |
· |
· |
· |
|
|
|
|
|
|
250 |
|
2.2 |
500 |
|
· |
· |
· |
· |
· |
· |
· |
· |
· |
|
230 |
|
650 |
|
· |
· |
· |
· |
· |
· |
· |
· |
· |
|
240 |
|
800 |
|
· |
· |
· |
· |
· |
· |
· |
· |
· |
|
255 |
|
3 |
500 |
|
· |
· |
· |
· |
· |
· |
· |
· |
· |
|
260 |
|
650 |
|
· |
· |
· |
· |
· |
· |
· |
· |
· |
|
280 |
|
800 |
|
· |
· |
· |
· |
· |
· |
· |
· |
· |
|
290 |
|
4 |
800 |
|
· |
· |
· |
· |
· |
· |
· |
· |
· |
|
270 |
|
650 |
|
· |
· |
· |
· |
· |
· |
· |
· |
· |
|
280 |
|
800 |
|
· |
· |
· |
· |
|
· |
· |
· |
· |
|
295 |
|
5.5 |
500 |
|
|
|
|
|
|
· |
· |
· |
· |
|
305 |
|
650 |
|
|
|
|
|
|
· |
· |
· |
· |
|
320 |
|
800 |
|
|
|
|
|
|
· |
· |
· |
· |
|
340 |
|
直径(mm) |
功率(Kw) |
带宽(mm) |
表 面 线 速 度 (m/s) |
质量(Kg) |
|
500 |
|
|
0.40 |
0.55 |
0.63 |
0.8 |
1.0 |
1.25 |
1.6 |
2.0 |
2.5 |
3.15 |
|
|
1.5 |
500 |
· |
· |
· |
· |
· |
|
|
|
|
|
290 |
|
650 |
· |
· |
· |
· |
· |
|
|
|
|
|
305 |
|
800 |
· |
· |
· |
· |
· |
|
|
|
|
|
320 |
|
2.2 |
500 |
|
|
· |
· |
· |
· |
· |
· |
|
|
295 |
|
650 |
|
|
· |
· |
· |
· |
· |
· |
|
|
310 |
|
800 |
|
|
· |
· |
· |
· |
· |
· |
|
|
325 |
|
3 |
500 |
· |
· |
· |
· |
· |
· |
· |
· |
|
|
340 |
|
650 |
· |
· |
· |
· |
· |
· |
· |
· |
|
|
360 |
|
800 |
· |
· |
· |
· |
· |
· |
· |
· |
|
|
375 |
|
4 |
500 |
· |
· |
· |
· |
· |
· |
· |
· |
|
|
350 |
|
650 |
· |
· |
· |
· |
· |
· |
· |
· |
|
|
365 |
|
800 |
· |
· |
· |
· |
· |
· |
· |
· |
|
|
380 |
|
5.5 |
500 |
· |
· |
· |
· |
· |
· |
· |
· |
|
|
420 |
|
650 |
· |
· |
· |
· |
· |
· |
· |
· |
|
|
430 |
|
800 |
· |
· |
· |
· |
· |
· |
· |
· |
|
|
450 |
|
7.5 |
500 |
· |
· |
· |
· |
· |
|
|
|
|
|
440 |
|
650 |
· |
· |
· |
· |
· |
|
|
|
|
|
455 |
|
800 |
· |
· |
· |
· |
· |
|
|
|
|
|
470 |
|
11 |
500 |
|
· |
· |
· |
· |
· |
· |
· |
· |
· |
510 |
|
650 |
|
· |
· |
· |
· |
· |
· |
· |
· |
· |
535 |
|
800 |
|
· |
· |
· |
· |
· |
· |
· |
· |
· |
560 |
|
15 |
500 |
|
· |
· |
· |
· |
· |
· |
· |
· |
· |
540 |
|
650 |
|
· |
· |
· |
· |
· |
· |
· |
· |
· |
565 |
|
800 |
|
|
· |
· |
· |
· |
· |
· |
· |
· |
590 |
|
18.5 |
500 |
|
|
|
|
|
|
· |
· |
· |
· |
570 |
|
650 |
|
|
|
|
|
|
· |
· |
· |
· |
600 |
|
800 |
|
|
|
|
|
|
· |
· |
· |
· |
635 |
|
22 |
500 |
|
|
|
|
|
|
· |
· |
· |
· |
605 |
|
650 |
|
|
|
|
|
|
· |
· |
· |
· |
640 |
|
800 |
|
|
|
|
|
|
· |
· |
· |
· |
675 |
|
直径(mm) |
功率(Kw) |
带宽(mm) |
表 面 线 速 度 (m/s) |
质量(Kg) |
|
630 |
|
|
0.55 |
0.63 |
0.8 |
1.0 |
1.25 |
1.6 |
2.0 |
2.5 |
3.15 |
|
|
7.5 |
650 |
· |
· |
· |
· |
· |
|
|
|
|
615 |
|
800 |
· |
· |
· |
· |
· |
|
|
|
|
640 |
|
1000 |
· |
· |
· |
· |
· |
|
|
|
|
680 |
|
1200 |
· |
· |
· |
· |
· |
|
|
|
|
720 |
|
11 |
650 |
|
· |
· |
· |
· |
· |
· |
· |
· |
700 |
|
800 |
|
· |
· |
· |
· |
· |
· |
· |
· |
725 |
|
1000 |
|
· |
· |
· |
· |
· |
· |
· |
· |
770 |
|
1200 |
|
· |
· |
· |
· |
· |
· |
· |
· |
820 |
|
15 |
800 |
|
· |
· |
· |
· |
· |
· |
· |
· |
750 |
|
1000 |
|
· |
· |
· |
· |
· |
· |
· |
· |
790 |
|
1200 |
|
· |
· |
· |
· |
· |
· |
· |
· |
840 |
|
18.5 |
800 |
|
· |
· |
· |
· |
· |
· |
· |
· |
800 |
|
1000 |
|
· |
· |
· |
· |
· |
· |
· |
· |
845 |
|
1200 |
|
· |
· |
· |
· |
· |
· |
· |
· |
890 |
|
1400 |
|
· |
· |
· |
· |
· |
· |
· |
· |
950 |
|
22 |
800 |
|
, , , ,
· |
· |
· |
· |
· |
· |
· |
· |
890 |
|
1000 |
|
· |
· |
· |
· |
· |
· |
· |
· |
940 |
|
1200 |
|
· |
· |
· |
· |
· |
· |
· |
· |
995 |
|
1400 |
|
· |
· |
· |
· |
· |
· |
· |
· |
1050 |
|
30 |
800 |
|
|
|
· |
· |
· |
· |
· |
· |
1040 |
|
1000 |
|
|
|
· |
· |
· |
· |
· |
· |
1090 |
|
1200 |
|
|
|
· |
· |
· |
· |
· |
· |
1150 |
|
1400 |
|
|
|
· |
· |
· |
· |
· |
· |
1210 |
|
37 |
800 |
|
|
|
|
|
· |
· |
· |
· |
1100 |
|
1000 |
|
|
|
|
|
· |
· |
· |
· |
1160 |
|
1200 |
|
|
|
|
|
· |
· |
· |
· |
1220 |
|
1400 |
|
|
|
|
|
· |
· |
· |
· |
1280 |
|
45 |
800 |
|
|
|
|
|
· |
· |
· |
· |
1200 |
|
1000 |
|
|
|
|
|
· |
· |
· |
· |
1280 |
|
1200 |
|
|
|
|
|
· |
· |
· |
· |
1360 |
|
1400 |
|
|
|
|
|
· |
· |
· |
· |
1430 |
|
直径(mm) |
功率(Kw) |
带宽(mm) |
表 面 线 速 度 (m/s) |
质量(Kg) |
|
800 |
|
|
0.63 |
0.8 |
1.0 |
1.25 |
1.6 |
2.0 |
2.5 |
3.15 |
4.0 |
|
|
7.5 |
1000 |
· |
· |
· |
· |
|
|
|
|
|
840 |
|
1200 |
· |
· |
· |
· |
|
|
|
|
|
880 |
|
1400 |
· |
· |
· |
· |
|
|
|
|
|
930 |
|
11 |
1000 |
|
· |
· |
· |
· |
· |
· |
· |
|
930 |
|
1200 |
|
· |
· |
· |
· |
· |
· |
· |
|
970 |
|
1400 |
|
· |
· |
· |
· |
· |
· |
· |
|
1030 |
|
15 |
1000 |
|
· |
· |
· |
· |
· |
· |
· |
|
1010 |
|
1200 |
|
· |
· |
· |
· |
· |
· |
· |
|
1060 |
|
1400 |
|
· |
· |
· |
· |
· |
· |
· |
|
1115 |
|
18.5 |
1000 |
|
· |
· |
· |
· |
· |
· |
· |
|
1060 |
|
1200 |
|
· |
· |
· |
· |
· |
· |
· |
|
1120 |
|
1400 |
|
· |
· |
· |
· |
· |
· |
· |
|
1175 |
|
22 |
1000 |
|
· |
· |
· |
· |
· |
· |
· |
|
1160 |
|
1200 |
|
· |
· |
· |
· |
· |
· |
· |
|
1220 |
|
1400 |
|
· |
· |
· |
· |
· |
· |
· |
|
1280 |
|
30 |
1000 |
|
|
· |
· |
· |
· |
· |
· |
|
1320 |
|
1200 |
|
|
· |
· |
· |
· |
· |
· |
|
1380 |
|
1400 |
|
|
· |
· |
· |
· |
· |
· |
|
1430 |
|
37 |
1000 |
|
|
|
|
|
· |
· |
· |
|
1430 |
|
1200 |
|
|
|
|
|
· |
· |
· |
|
1490 |
|
1400 |
|
|
|
|
|
· |
· |
· |
|
1550 |
|
45 |
1000 |
|
|
|
|
|
· |
· |
· |
|
1970 |
|
1200 |
|
|
|
|
|
· |
· |
· |
|
2030 |
|
1400 |
|
|
|
|
|
· |
· |
· |
|
2100 |
|
1000 |
15 |
1000 |
|
|
· |
· |
· |
· |
· |
· |
|
1225 |
|
1200 |
|
|
· |
· |
· |
· |
· |
· |
|
1290 |
|
1400 |
|
|
· |
· |
· |
· |
· |
· |
|
1355 |
|
18.5 |
1000 |
|
|
· |
· |
· |
· |
· |
· |
|
1285 |
|
1200 |
|
|
· |
· |
· |
· |
· |
· |
|
1350 |
|
1400 |
|
|
· |
· |
· |
· |
· |
· |
|
1410 |
|
直径
(mm) |
功率
(Kw) |
带宽
(mm) |
表 面 线 速 度 (m/s) |
质量(Kg) |
|
1000 |
|
|
0.63 |
0.8 |
1.0 |
1.25 |
1.6 |
2.0 |
2.5 |
3.15 |
4.0 |
|
|
22 |
1000 |
|
|
· |
· |
· |
· |
· |
· |
|
1390 |
|
1200 |
|
|
· |
· |
· |
· |
· |
· |
|
1470 |
|
1400 |
|
|
· |
· |
· |
· |
· |
· |
|
1535 |
|
30 |
1000 |
|
|
|
· |
· |
· |
· |
· |
|
1560 |
|
1200 |
|
|
|
· |
· |
· |
· |
· |
|
1630 |
|
1400 |
|
|
|
· |
· |
· |
· |
· |
|
1700 |
|
37 |
1000 |
|
|
|
|
|
|
· |
· |
· |
1670 |
|
1200 |
|
|
|
|
|
|
· |
· |
· |
1745 |
|
1400 |
|
|
|
|
|
|
· |
· |
· |
1820 |
|
45 |
1200 |
|
|
|
|
|
|
· |
· |
· |
2410 |
|
1400 |
|
|
|
|
|
|
· |
· |
· |
2490 |
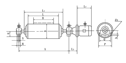
YZW315(320)、YZW400、YZW500、YZW630、YZW800、YZW1000、型外装式电动滚筒外形及安装尺寸

|
D |
BB |
A |
L |
L1 |
L2 |
H |
M |
N |
P |
Q |
dS |
h |
L2 |
|
315(320) |
500 |
850 |
600 |
≤732 |
按
电
机 |
120 |
90 |
|
340 |
280 |
27 |
35 |
Y100
Y112 |
131
|
|
650 |
1000 |
750 |
≤882 |
|
800 |
1300 |
950 |
≤1032 |
Y132 |
151 |
|
400 |
500 |
850 |
600 |
≤744 |
120 |
90 |
|
340 |
280 |
27 |
35 |
Y100
Y112 |
131
|
|
650 |
1000 |
750 |
≤894 |
|
800 |
1300 |
955 |
≤1044 |
Y132 |
151 |
|
500 |
500 |
850 |
600 |
≤748 |
100 |
70 |
|
340 |
280 |
27 |
35 |
Y100
Y112 |
131
|
|
620 |
Y132 |
147 |
|
650 |
1000 |
750 |
≤900 |
120 |
90 |
Y160M |
187 |
|
800 |
1300 |
950 |
≤1100 |
120 |
90 |
Y160L
Y180 |
210 |
|
630 |
650 |
1000 |
750 |
≤868 |
120 |
90 |
|
340 |
280 |
27 |
35 |
Y160M |
194 |
|
800 |
1300 |
950 |
≤1068 |
140 |
130 |
80 |
400 |
330 |
27 |
35 |
Y160L
Y180 |
205 |
|
1000 |
1500 |
1150 |
≤1268 |
140 |
130 |
80 |
400 |
330 |
27 |
35 |
|
Y200 |
203 |
|
1200 |
1750 |
1400 |
≤1514 |
160 |
160 |
90 |
440 |
360 |
34 |
50 |
|
Y225 |
238 |
|
1400 |
2000 |
1600 |
≤1720 |
160 |
160 |
90 |
440 |
360 |
34 |
50 |
|
800 |
1000 |
1500 |
1150 |
≤1268 |
140 |
145 |
80 |
400 |
330 |
27 |
35 |
Y160
Y180 |
200 |
|
1200 |
1750 |
1400 |
≤1514 |
160 |
160 |
90 |
440 |
360 |
34 |
50 |
Y200 |
210 |
|
1400 |
2000 |
1600 |
≤1720 |
160 |
160 |
90 |
440 |
360 |
34 |
50 |
Y225 |
240 |
|
1000 |
1000 |
1500 |
1150 |
≤1268 |
140 |
145 |
80 |
400 |
330 |
27 |
35 |
Y160
Y180 |
200 |
|
1200 |
1750 |
1400 |
≤1514 |
160 |
160 |
90 |
440 |
360 |
34 |
50 |
Y200 |
210 |
|
1400 |
2000 |
1600 |
≤1720 |
160 |
160 |
90 |
440 |
360 |
34 |
50 |
Y225 |
240 |