|
产品展示
联系我们
地址:无锡市钱桥工业园
手机: 18168892286 传真:0510-82628805
|
|
产品展示
PRODUCT
当前位置:首页 > 产品展示
YDB型隔爆油冷式电动滚筒

概述
该产品是供具有可燃性气体、瓦斯、粉尘等形成的爆炸性混合物环境条件下所使用的输送机械做驱动装置。隔爆标志为dI、dIIAT4、dⅡBT4。dI适合于有甲烷或煤尘爆炸危险性混合物存在的矿井中,dⅡAT4适合于Ⅰ、ⅡA级T1-T4组爆炸危险性混合物存在的场所,dIIBT4适合于Ⅰ,IIA、ⅡB级T1-T4组爆炸危险性混合物存在的场所。可满足各种逆止、包胶等要求。

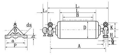
YDB型隔爆油冷式电动滚筒外形尺寸

YDB型隔爆油冷式电动滚筒外型尺寸
|
D |
B |
A |
L |
L1 |
L2 |
H |
M |
N |
P |
Q |
dS |
h |
L3 |
|
315
(320) |
500 |
850 |
600 |
≤732 |
940 |
120 |
90 |
|
340 |
280 |
27 |
35 |
95 |
|
650 |
1000 |
750 |
≤882 |
1090 |
|
800 |
1300 |
950 |
≤1032 |
1390 |
|
400 |
500 |
850 |
600 |
≤744 |
940 |
120 |
90 |
|
340 |
280 |
27 |
35 |
95 |
|
650 |
1000 |
750 |
≤894 |
1090 |
|
800 |
1300 |
950 |
≤1044 |
1390 |
|
500 |
500 |
850 |
600/620 |
≤748 |
960 |
100 |
70 |
|
340 |
280 |
27 |
35 |
115 |
|
650 |
1000 |
750 |
≤900 |
1120 |
120 |
90 |
|
800 |
1300 |
950 |
≤1100 |
1420 |
120 |
90 |
|
630 |
650 |
1000 |
750 |
≤868 |
1120 |
120 |
90 |
|
340 |
280 |
27 |
35 |
≤140 |
|
800 |
1300 |
950 |
≤1068 |
1430 |
140 |
130 |
80 |
400 |
330 |
27 |
35 |
|
1000 |
1500 |
1150 |
≤1268 |
1630 |
140 |
130 |
80 |
400 |
330 |
27 |
35 |
|
1200 |
1750 |
1400 |
≤1514 |
1900 |
160 |
160 |
90 |
440 |
360 |
34 |
50 |
|
1400 |
2000 |
1600 |
≤1720 |
2150 |
160 |
160 |
90 |
440 |
360 |
34 |
50 |
|
800 |
1000 |
1500 |
1150 |
≤1268 |
1630 |
140 |
145 |
80 |
400 |
330 |
27 |
35 |
≤140 |
|
1200 |
1750 |
1400 |
≤1514 |
1900 |
160 |
160 |
90 |
440 |
360 |
34 |
50 |
|
1400 |
2000 |
1600 |
≤1720 |
2150 |
160 |
160 |
90 |
440 |
360 |
34 |
50 |
|
1000 |
1000 |
1500 |
1150 |
≤1268 |
1630 |
140 |
145 |
80 |
400 |
330 |
27 |
35 |
≤140 |
|
1200 |
1750 |
1400 |
≤1514 |
1900 |
160 |
160 |
90 |
440 |
360 |
34 |
50 |
|
1400 |
2000 |
1600 |
≤1720 |
2150 |
160 |
160 |
90 |
440 |
360 |
34 |
50 |
YDB型隔爆油冷式电动滚筒技术参数
|
直径(mm) |
功率(kW) |
带宽(mm) |
胶带速度(m/s) |
质量(Kg) |
|
0.8 |
1.0 |
1.25 |
1.6 |
2.0 |
2.5 |
3.15 |
4.0 |
|
320
|
1.5 |
500 |
· |
· |
· |
· |
|
|
|
|
185 |
|
650 |
· |
· |
· |
· |
|
|
|
|
195 |
|
2.2 |
500 |
|
· |
· |
· |
|
|
|
|
187 |
|
650 |
|
· |
· |
· |
|
|
|
|
197 |
|
3 |
500 |
|
|
· |
· |
|
|
|
|
220 |
|
650 |
|
|
· |
· |
|
|
|
|
227 |
|
4 |
500 |
|
|
|
· |
|
|
|
|
227 |
|
650 |
|
|
|
· |
|
|
|
|
239 |
|
400 |
2.2 |
500 |
· |
· |
· |
· |
|
|
|
|
219 |
|
650 |
· |
· |
· |
· |
|
|
|
|
230 |
|
3 |
500 |
· |
· |
· |
· |
|
|
|
|
251 |
|
650 |
· |
· |
· |
· |
|
|
|
|
265 |
|
4 |
500 |
|
· |
· |
· |
|
|
|
|
256 |
|
650 |
|
· |
· |
· |
|
|
|
|
270 |
|
500 |
1.5 |
500 |
|
· |
· |
|
|
|
|
|
272 |
|
650 |
|
· |
· |
|
|
|
|
|
283 |
|
2.2 |
500 |
· |
· |
· |
· |
|
|
|
|
274 |
|
650 |
· |
· |
· |
· |
|
|
|
|
285 |
|
800 |
· |
· |
· |
|
|
|
|
|
315 |
|
3 |
500 |
· |
· |
· |
· |
· |
|
|
|
302 |
|
650 |
· |
· |
· |
· |
· |
|
|
|
316 |
|
800 |
· |
· |
· |
· |
· |
|
|
|
346 |
|
4 |
500 |
· |
· |
· |
· |
· |
· |
|
|
308 |
|
650 |
· |
· |
· |
· |
· |
· |
|
|
322 |
|
800 |
· |
· |
· |
· |
· |
· |
|
|
352 |
|
5.5 |
500 |
|
· |
· |
· |
· |
· |
|
|
368 |
|
650 |
|
· |
· |
· |
· |
· |
|
|
404 |
|
800 |
|
· |
· |
· |
· |
· |
|
|
435 |
|
7.5 |
650 |
|
|
· |
· |
· |
· |
|
|
419 |
|
800 |
|
|
· |
· |
· |
· |
· |
|
448 |
|
11 |
650 |
|
|
|
· |
· |
· |
|
|
481 |
|
800 |
|
|
|
· |
· |
· |
· |
|
518 |
|
15 |
800 |
|
|
|
· |
· |
· |
· |
|
542 |
|
630 |
3 |
1000 |
|
|
· |
|
|
|
|
|
529 |
|
4 |
1000 |
|
· |
· |
· |
|
|
|
|
536 |
|
1200 |
|
|
· |
|
|
|
|
|
590 |
|
5.5 |
800 |
|
· |
· |
· |
· |
|
|
|
577 |
|
1000 |
|
· |
· |
· |
· |
|
|
|
608 |
|
1200 |
|
· |
· |
· |
· |
· |
|
|
678 |
|
7.5 |
800 |
|
· |
· |
· |
· |
|
|
|
592 |
|
1000 |
|
· |
· |
· |
· |
· |
|
|
703 |
|
1200 |
|
· |
· |
· |
· |
· |
|
|
692 |
|
11 |
650 |
|
|
· |
· |
|
|
|
|
613 |
|
800 |
|
|
· |
· |
· |
|
|
|
679 |
|
1000 |
|
· |
· |
· |
· |
· |
· |
|
711 |
|
1200 |
|
· |
· |
· |
· |
· |
|
|
781 |
|
15 |
800 |
|
|
|
· |
· |
|
|
|
697 |
|
1000 |
|
|
|
· |
· |
· |
· |
|
729 |
|
1200 |
|
|
|
· |
· |
· |
· |
· |
799 |
|