PW型平面二次包络环面蜗杆减速机简介(GB/T16449-1996)
PW型平面二次包络环面蜗杆减速器(GB/T16449—1996)其蜗齿面是以一个平面为母面,通过相对圆周运动,包络出环面蜗杆的齿面,再以蜗杆的齿面为母线,通过相对运动包络出蜗轮的齿面,称为平面二次包络环面蜗杆副。包括PWU、PWO、PWS型三种型式,适用于冶金、矿山、起重、运输、石油、化工、建筑等行业机械设备的减速传动。
工作条件:两轴交角为90°;蜗杆转速不超过1500r/min;工作环境温度为0~40℃,当环境温度低于0℃或高于40℃时,启动前润滑油要相应加热或冷却;蜗杆轴可正、反向运转。
PW型平面二次包络环面蜗杆减速机型号与标记(GB/T16449-1996)
1.型号
(1)PWU型—蜗杆在蜗轮之下平面二次包络环面蜗杆减速器;
(2)PWO型—蜗杆在蜗轮之上平面二次包络环面蜗杆减速器
(3)PWS型—蜗杆在蜗轮之侧平面二次包络环面蜗杆减速器。
2.标记

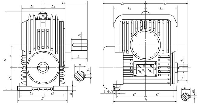
整体式PWU80、PWU100、PWU125、PWU140、PWU160、PWU180、PWU200、PWU225、PWU250、PWU280、PWU315、PWU355、型平面二次包络环面蜗杆减速机主要尺寸(GB/T16449-1996)


|
PWU型减速器主要尺寸(整体式) /mm
|
a |
H1 |
B |
B1 |
C |
C1 |
D |
H |
L |
L1 |
L2 |
L3 |
L4 |
L5 |
d1 |
b1 |
t1 |
l1 |
d2 |
b2 |
t2 |
l2 |
h |
|
80 |
100 |
250 |
190 |
112 |
80 |
14 |
315 |
160 |
160 |
125 |
180 |
100 |
90 |
25 |
8 |
28 |
42 |
45 |
14 |
48.5 |
82 |
30 |
|
100 |
112 |
300 |
236 |
130 |
100 |
16 |
355 |
200 |
200 |
160 |
212 |
125 |
118 |
32 |
10 |
35 |
58 |
55 |
16 |
59 |
82 |
35 |
|
125 |
125 |
355 |
280 |
160 |
125 |
18 |
450 |
236 |
236 |
190 |
250 |
150 |
140 |
38 |
10 |
41 |
58 |
65 |
18 |
69 |
105 |
38 |
|
140 |
140 |
400 |
315 |
180 |
140 |
20 |
500 |
265 |
265 |
212 |
280 |
160 |
160 |
42 |
12 |
45 |
82 |
70 |
20 |
74.5 |
105 |
40 |
|
160 |
160 |
450 |
355 |
200 |
160 |
21 |
560 |
300 |
300 |
236 |
315 |
190 |
180 |
48 |
14 |
51.5 |
82 |
80 |
22 |
85 |
130 |
42 |
|
180 |
180 |
500 |
400 |
225 |
180 |
22 |
630 |
335 |
335 |
265 |
355 |
212 |
200 |
56 |
16 |
60 |
82 |
90 |
25 |
95 |
130 |
45 |
|
200 |
200 |
560 |
450 |
250 |
200 |
24 |
710 |
355 |
355 |
300 |
400 |
236 |
224 |
60 |
18 |
64 |
105 |
100 |
28 |
106 |
165 |
50 |
|
225 |
225 |
630 |
500 |
280 |
225 |
26 |
800 |
400 |
400 |
315 |
450 |
265 |
250 |
65 |
18 |
69 |
105 |
110 |
28 |
116 |
165 |
53 |
|
250 |
250 |
670 |
530 |
300 |
250 |
28 |
850 |
450 |
450 |
355 |
500 |
280 |
280 |
70 |
20 |
74.5 |
105 |
125 |
32 |
132 |
165 |
56 |
|
280 |
280 |
800 |
600 |
355 |
280 |
30 |
950 |
475 |
475 |
400 |
560 |
315 |
315 |
85 |
22 |
90 |
130 |
140 |
36 |
148 |
200 |
60 |
|
315 |
315 |
900 |
670 |
375 |
315 |
32 |
1060 |
560 |
560 |
450 |
630 |
355 |
355 |
90 |
25 |
95 |
130 |
150 |
36 |
158 |
200 |
67 |
|
355 |
355 |
1000 |
750 |
425 |
355 |
35 |
1250 |
670 |
670 |
500 |
710 |
400 |
400 |
100 |
28 |
106 |
165 |
170 |
40 |
179 |
240 |
75 | |
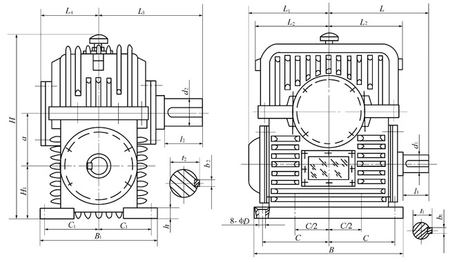
剖分式PWU400、PWU450、PWU500、PWU560、PWU630、PWU710、型平面二次包络环面蜗杆减速机主要尺寸(GB/T16449-1996)


PWU型减速器主要尺寸(剖分式) /mm
|
a |
H1 |
B |
B1 |
C |
C1 |
D |
H |
L |
L1 |
L2 |
L3 |
L4 |
d1 |
b1 |
t1 |
l1 |
d2 |
b2 |
t2 |
l2 |
h |
|
400 |
355 |
900 |
800 |
400 |
355 |
35 |
1250 |
600 |
600 |
450 |
630 |
375 |
110 |
28 |
116 |
165 |
180 |
45 |
190 |
240 |
55 |
|
450 |
400 |
1000 |
900 |
450 |
400 |
39 |
1400 |
670 |
670 |
500 |
710 |
425 |
125 |
32 |
132 |
165 |
200 |
45 |
210 |
280 |
60 |
|
500 |
450 |
1120 |
1000 |
500 |
450 |
42 |
1600 |
750 |
750 |
560 |
800 |
475 |
130 |
32 |
137 |
200 |
220 |
50 |
231 |
280 |
65 |
|
560 |
500 |
1250 |
1120 |
560 |
500 |
45 |
1800 |
850 |
850 |
630 |
900 |
530 |
150 |
36 |
158 |
200 |
250 , |
56 |
262 |
330 |
72 |
|
630 |
560 |
1400 |
1250 |
630 |
560 |
48 |
2000 |
950 |
950 |
710 |
1000 |
600 |
170 |
40 |
179 |
240 |
280 |
63 |
292 |
380 |
80 |
|
710 |
630 |
1600 |
1400 |
710 |
630 |
52 |
2240 |
1060 |
1060 |
800 |
1250 |
670 |
190 |
45 |
200 |
280 |
320 |
70 |
334 |
380 |
88 |
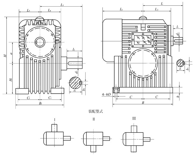
整体式PWO80、PWO100、PWO125、PWO140、PWO160、PWO180、PWO200、PWO225、PWO250、PWO280、PWO315、PWO355、型平面二次包络环面蜗杆减速机主要尺寸(GB/T16449-1996)

PWO型减速器主要尺寸(整体式) /mm
|
a |
H1 |
B |
B1 |
C |
C1 |
D |
H |
L |
L1 |
L2 |
L3 |
L4 |
L5 |
d1 |
b1 |
t1 |
l1 |
d2 |
b2 |
t2 |
l2 |
h |
|
80 |
125 |
250 |
190 |
112 |
80 |
14 |
300 |
160 |
160 |
125 |
180 |
100 |
90 |
25 |
8 |
28 |
42 |
45 |
14 |
48.5 |
82 |
30 |
|
100 |
160 |
300 |
236 |
130 |
100 |
16 |
375 |
200 |
200 |
160 |
212 |
125 |
118 |
32 |
10 |
35 |
58 |
55 |
16 |
59 |
82 |
35 |
|
125 |
180 |
355 |
280 |
160 |
125 |
18 |
425 |
236 |
236 |
190 |
250 |
150 |
140 |
38 |
10 |
41 |
58 |
65 |
18 |
69 |
105 |
38 |
|
140 |
200 |
400 |
315 |
180 |
140 |
20 |
475 |
265 |
265 |
212 |
280 |
160 |
160 |
42 |
12 |
45 |
82 |
70 |
20 |
74.5 |
105 |
40 |
|
160 |
215 |
450 |
355 |
200 |
160 |
21 |
530 |
300 |
300 |
236 |
315 |
190 |
180 |
48 |
14 |
51.5 |
82 |
80 |
22 |
85 |
130 |
42 |
|
180 |
250 |
500 |
400 |
225 |
180 |
22 |
600 |
335 |
335 |
265 |
355 |
212 |
200 |
56 |
16 |
60 |
82 |
90 |
25 |
95 |
130 |
45 |
|
200 |
280 |
560 |
450 |
250 |
200 |
24 |
670 |
355 |
355 |
300 |
400 |
236 |
224 |
60 |
18 |
64 |
105 |
100 |
28 |
106 |
165 |
50 |
|
225 |
315 |
630 |
500 |
280 |
225 |
26 |
750 |
400 |
400 |
315 |
450 |
265 |
250 |
65 |
18 |
69 |
105 |
110 |
28 |
116 |
165 |
53 |
|
250 |
355 |
670 |
530 |
300 |
250 |
28 |
850 |
450 |
450 |
355 |
500 |
280 |
280 |
70 |
20 |
74.5 |
105 |
125 |
32 |
132 |
165 |
57 |
|
280 |
400 |
800 |
600 |
355 |
280 |
30 |
900 |
475 |
475 |
400 |
560 |
315 |
315 |
85 |
22 |
90 |
130 |
140 |
36 |
148 |
200 |
60 |
|
315 |
450 |
900 |
670 |
375 |
315 |
32 |
1000 |
560 |
560 |
450 |
630 |
355 |
355 |
90 |
25 |
95 |
130 |
150 |
36 |
158 |
200 |
67 |
|
355 |
500 |
1000 |
750 |
425 |
355 |
35 |
1180 |
670 |
670 |
500 |
710 |
400 |
400 |
100 |
28 |
106 |
165 |
170 |
40 |
179 |
240 |
75 |
剖分式PWO400、PWO450、PWO500、PWO560、PWO630、PWO710、型平面二次包络环面蜗杆减速机主要尺寸(GB/T16449-1996)

PWO型减速器主要尺寸(剖分式) /mm
|
a |
H1 |
B |
B1 |
C |
C1 |
D |
H |
L |
L1 |
L2 |
L3 |
L4 |
d1 |
b1 |
t1 |
l1 |
d2 |
b2 |
t2 |
l2 |
h |
|
400 |
500 |
900 |
800 |
400 |
355 |
35 |
1250 |
600 |
600 |
450 |
630 |
375 |
110 |
28 |
116 |
165 |
180 |
45 |
190 |
240 |
55 |
|
450 |
560 |
1000 |
900 |
450 |
400 |
39 |
1400 |
670 |
670 |
500 |
710 |
425 |
125 |
32 |
132 |
165 |
200 |
45 |
210 |
280 |
60 |
|
500 |
630 |
1120 |
1000 |
500 |
450 |
42 |
1600 |
750 |
750 |
560 |
800 |
475 |
130 |
32 |
137 |
200 |
220 |
50 |
231 |
280 |
65 |
|
560 |
710 |
1250 |
1120 |
560 |
500 |
45 |
1800 |
850 |
850 |
630 |
900 |
530 |
150 |
36 |
158 |
200 |
250 |
56 |
262 |
330 |
72 |
|
630 |
800 |
1400 |
1250 |
630 |
560 |
48 |
2000 |
950 |
950 |
710 |
1000 |
600 |
170 |
40 |
179 |
240 |
280 |
63 |
292 |
380 |
80 |
|
710 |
900 |
1600 |
1400 |
710 |
630 |
52 |
2240 |
1060 |
1060 |
800 |
1250 |
670 |
190 |
45 |
200 |
280 |
320 |
70 |
334 |
380 |
88 |
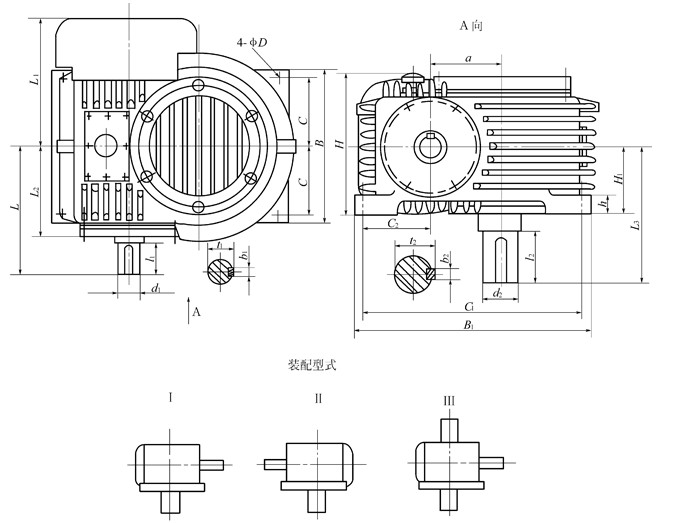
PWS80、PWS100、PWS125、PWS140、PWS160、PWS180、PWS200、PWS225、PWS250、PWS280、PWS315、PWS355、PWS400、PWS450、PWS500、PWS560、PWS630、型平面二次包络环面蜗杆减速机主要尺寸(GB/T16449-1996)

PWS型减速器主要尺寸 /mm
, , , ,
|
a |
H1 |
B |
B1 |
C |
C1 |
C2 |
D |
H |
L |
L1 |
L2 |
L3 |
d1 |
b1 |
t1 |
l1 |
d2 |
b2 |
t2 |
l2 |
h |
|
80 |
95 |
100 |
315 |
80 |
265 |
80 |
14 |
200 |
160 |
118 |
118 |
170 |
25 |
8 |
28 |
42 |
45 |
14 |
48.5 |
82 |
30 |
|
100 |
125 |
125 |
355 |
100 |
315 |
100 |
16 |
236 |
200 |
140 |
140 |
212 |
32 |
10 |
35 |
58 |
55 |
16 |
59 |
82 |
35 |
|
125 |
140 |
140 |
400 |
118 |
355 |
118 |
18 |
280 |
236 |
170 |
170 |
250 |
38 |
10 |
41 |
58 |
65 |
18 |
69 |
105 |
38 |
|
140 |
160 |
160 |
450 |
132 |
400 |
132 |
20 |
300 |
265 |
190 |
190 |
280 |
42 |
12 |
45 |
82 |
70 |
20 |
74.5 |
105 |
40 |
|
160 |
180 |
180 |
500 |
150 |
450 |
150 |
21 |
335 |
300 |
212 |
212 |
315 |
48 |
14 |
51.5 |
82 |
80 |
22 |
85 |
130 |
42 |
|
180 |
200 |
200 |
560 |
170 |
500 |
160 |
22 |
375 |
335 |
236 |
236 |
355 |
56 |
16 |
60 |
82 |
90 |
25 |
95 |
130 |
45 |
|
200 |
224 |
224 |
630 |
190 |
560 |
170 |
24 |
425 |
355 |
265 |
265 |
400 |
60 |
18 |
64 |
105 |
100 |
28 |
106 |
165 |
48 |
|
225 |
250 |
250 |
710 |
212 |
630 |
190 |
26 |
475 |
400 |
300 |
300 |
425 |
65 |
18 |
69 |
105 |
110 |
28 |
116 |
165 |
50 |
|
250 |
280 |
280 |
800 |
245 |
710 |
200 |
28 |
530 |
450 |
355 |
355 |
475 |
70 |
20 |
74.5 |
105 |
125 |
32 |
132 |
165 |
52 |
|
280 |
315 |
315 |
900 |
265 |
800 |
224 |
30 |
600 |
500 |
375 |
375 |
530 |
85 |
22 |
90 |
130 |
140 |
36 |
148 |
200 |
55 |
|
315 |
355 |
355 |
1000 |
300 |
900 |
250 |
32 |
670 |
560 |
425 |
425 |
560 |
90 |
25 |
95 |
130 |
150 |
36 |
158 |
200 |
58 |
|
355 |
400 |
400 |
1120 |
335 |
1000 |
265 |
35 |
750 |
600 |
450 |
450 |
670 |
100 |
28 |
106 |
165 |
170 |
40 |
179 |
240 |
62 |
|
400 |
450 |
450 |
1250 |
375 |
1120 |
315 |
35 |
850 |
670 |
500 |
500 |
710 |
110 |
28 |
116 |
165 |
180 |
45 |
190 |
240 |
65 |
|
450 |
500 |
500 |
1400 |
425 |
1250 |
355 |
39 |
950 |
750 |
560 |
560 |
800 |
125 |
32 |
132 |
165 |
200 |
45 |
210 |
280 |
70 |
|
500 |
560 |
560 |
1600 |
475 |
1400 |
400 |
42 |
1060 |
800 |
600 |
600 |
900 |
130 |
32 |
137 |
200 |
220 |
50 |
231 |
280 |
75 |
|
560 |
630 |
630 |
1800 |
530 |
1600 |
450 |
45 |
1180 |
900 |
670 |
670 |
1000 |
150 |
36 |
158 |
200 |
250 |
56 |
262 |
330 |
78 |
|
630 |
710 |
710 |
2000 |
600 |
1800 |
500 |
48 |
1320 |
1000 |
750 |
750 |
1100 |
170 |
40 |
179 |
240 |
280 |
63 |
292 |
380 |
82 |
|
710 |
800 |
800 |
2240 |
670 |
2000 |
560 |
52 |
1500 |
1120 |
850 |
850 |
1250 |
190 |
45 |
200 |
280 |
320 |
70 |
334 |
380 |
88 |
PW型平面二次包络环面蜗杆减速机基本参数(GB/T16449-1996)
1.中心距
PW型蜗杆减速器中心距a见表1。
表1 中心距a /mm
|
第一系列 |
80 100 125 160 200 250 315 400 500 630 |
|
第二系列 |
140 180 225 280 355 450 560 710 |
注:优先选用第一系列。
2.公称传动比
PW型蜗杆减速器公称传动比iN见表2。
表2 公称传动比iN
|
第一系列 |
10 12.5 16 20 25 31.5 40 50 63 |
|
第二系列 |
14 18 22.4 28 35.5 45 , ; 56 |
PW型蜗杆减速机的额定输入功率和额定输出转矩(GB/T16449-1996)
,
P1
T2
,
|
公称
传动
比iN |
输入转
速n1
r/min-1 |
功率
转矩 |
中心距/mm |
|
80 |
100 |
125 |
140 |
160 |
180 |
200 |
225 |
250 |
280 |
315 |
355 |
400 |
450 |
500 |
560 |
630 |
710 |
|
额定输入功率P1/kW、额定输出转矩T2/N·m |
|
10 |
1500 |
P1
T2 |
6.71
384 |
11.5
666 |
19.7
1141 |
25.9
1516 |
35.7
2093 |
47.5
2811 |
61.2
3626 |
81.4
4870 |
105
6280 |
138
8343 |
183
11087 |
245
14795 |
261
15787 |
347
20979 |
— |
— |
— |
— |
|
1000 |
P1
T2 |
6.20
533 |
10.6
923 |
18.2
1581 |
23.9
2102 |
33.0
2901 |
43.9
3897 |
56.6
5025 |
75.2
6749 |
97.0
8703 |
127
11563 |
169
15366 |
226
20505 |
241
21881 |
320
29076 |
413
37495 |
543
49291 |
722
65499 |
963
87408 |
|
750 |
P1
T2 |
5.22
591 |
8.94
1019 |
15.3
1755 |
20.1
2333 |
27.8
3220 |
36.9
4326 |
47.6
5579 |
63.3
7494 |
81.6
9664 |
107
12842 |
143
17064 |
190
22772 |
203
24300 |
270
32290 |
348
41640 |
457
54740 |
608
72740 |
811
97071 |
|
500 |
P1
T2 |
4.20
697 |
7.20
1202 |
12.3
2071 |
16.2
2754 |
22.4
3801 |
29.7
5107 |
38.3
6586 |
50.9
8849 |
65.7
11412 |
86.3
15167 |
115
20145 |
153
26896 |
163
28700 |
217
38137 |
280
49181 |
368
64653 |
489
85913 |
652
114649 |
|
12.5 |
1500 |
P1
T2 |
5.88
417 |
10.1
722 |
17.3
1237 |
22.7
1645 |
31.3
2270 |
41.7
3066 |
53.7
3954 |
71.4
5311 |
92.0
6849 |
121
9100 |
161
12092 |
215
16137 |
229
17220 |
304
22882 |
392
29508 |
— |
— |
— |
|
1000 |
P1
T2 |
5.26
558 |
9.00
968 |
15.4
1658 |
20.3
2204 |
28.0
3042 |
37.2
4109 |
48.0
5298 |
63.8
7117 |
82.2
9178 |
108
12194 |
144
16204 |
192
21624 |
205
23074 |
272
30661 |
351
39540 |
461
51980 |
612
69072 |
817
92176 |
|
750 |
P1
T2 |
4.31
604 |
7.39
1041 |
12.7
1794 |
16.7
2386 |
23.0
3293 |
30.5
4448 |
39.4
5737 |
52.3
7665 |
67.5
9884 |
88.7
13135 |
118
17454 |
157
23292 |
168
24854 |
223
33027 |
288
42591 |
378
55993 |
503
74401 |
671
99287 |
|
500 |
P1
T2 |
3.29
676 |
5.65
1166 |
9.67
2009 |
12.7
2672 |
17.6
3688 |
23.3
4956 |
30.1
6392 |
40.0
8589 |
51.5
11076 |
67.8
14722 |
90.0
19563 |
120
25819 |
128
27857 |
170
37018 |
220
47737 |
289
62755 |
384
83390 |
512
111283 |
|
14 |
1500 |
P1
T2 |
5.45
430 |
9.34
745 |
16.0
1277 |
21.0
1688 |
29.0
2330 |
38.6
3165 |
49.8
4082 |
66.1
5483 |
85.3
7070 |
112
9395 |
149
12484 |
199
16660 |
212
17777 |
282
23623 |
364
30463 |
478
40047 |
— |
— |
|
1000 |
P1
T2 |
4.90
580 |
8.40
1005 |
14.4
1723 |
18.9
2277 |
26.1
3143 |
34.7
4269 |
44.8
5506 |
59.5
7396 |
76.7
9537 |
101
12673 |
134
16840 |
179
22472 |
191
23980 |
254
31865 |
327
41092 |
430
54020 |
571
71783 |
762
95793 |
|
750 |
P1
T2 |
4.00
620 |
6.85
1075 |
11.7
1853 |
15.4
2464 |
21.3
3401 |
28.3
4544 |
36.5
5860 |
48.5
7917 |
62.6
10209 |
82.3
13568 |
109
18029 |
146
24060 |
156
25674 |
207
34116 |
267
43995 |
351
57836 |
466
76854 |
622
102560 |
|
500 |
P1
T2 |
3.06
695 |
5.24
1205 |
8.98
2078 |
11.8
2761 |
16.3
3814 |
21.7
5097 |
27.9
6572 |
37.1
8833 |
47.8
11391 |
62.9
15143 |
83.6
20122 |
112
26852 |
119
28653 |
158
38075 |
204
49101 |
268
64548 |
356
85773 |
476
114463 |
|
16 |
1500 |
P1
T2 |
4.98
446 |
8.54
774 |
14.6
1326 |
19.2
1763 |
26.5
2433 |
35.3
3233 |
45.5
4169 |
60.4
5663 |
77.9
7303 |
102
9706 |
136
12897 |
182
17211 |
194
18365 |
258
24441 |
332
31470 |
437
41372 |
— |
— |
|
1000 |
P1
T2 |
4.51
606 |
7.73
1051 |
13.2
1801 |
17.4
2394 |
24.0
3305 |
31.9
4391 |
41.2
5663 |
54.7
7692 |
70.6
9920 |
92.8
13183 |
123
17517 |
165
23377 |
176
24945 |
233
33147 |
301
42746 |
395
56194 |
525
74604 |
701
99648 |
|
750 |
P1
T2 |
3.65
643 |
6.25
1108 |
10.7
1920 |
14.1
2553 |
19.4
3524 |
25.8
4735 |
33.3
6106 |
44.3
8114 |
57.1
10464 |
75.0
14062 |
99.7
18685 |
133
24935 |
142
26608 |
189
35357 |
243
45595 |
320
59940 |
425
79650 |
567
106292 |
|
500 |
P1
T2 |
2.62
725 |
4.84
1250 |
8.29
2154 |
10.9
2865 |
15.0
3954 |
20.0
5316 |
25.8
6855 |
34.3
9214 |
44.2
11881 |
58.1
15797 |
77.2
20991 |
103
28013 |
110
29892 |
146
39721 |
188
52223 |
248
67338 |
329
89480 |
439
119410 |
|
18 |
1500 |
P1
T2 |
4.59
460 |
7.86
793 |
13.5
1359 |
17.7
1817 |
24.4
2508 |
32.5
3351 |
41.9
4321 |
55.7
5742 |
71.8
7405 |
94.4
9951 |
125
13223 |
167
17646 |
179
18829 |
237
25021 |
306
32266 |
402
42417 |
— |
— |
|
1000 |
P1
T2 |
3.92
587 |
6.72
1017 |
11.5
1742 |
15.1
2316 |
20.9
3197 |
27.8
4296 |
35.8
5540 |
47.6
7362 |
61.4
9493 |
80.7
12757 |
107
16952 |
143
22623 |
153
24140 |
203
32078 |
262
41367 |
344
54381 |
457
72263 |
610
96434 |
|
750 |
P1
T2 |
3.29
646 |
5.65
1113 |
9.67
1929 |
12.7
2565 |
17.6
3540 |
23.3
4785 |
30.1
6170 |
40.0
8246 |
51.5
10633 |
67.8
13978 |
90.0
18574 |
120
24787 |
128
26743 |
170
35537 |
220
45827 |
289
60245 |
384
80055 |
512
106832 |
|
500 |
P1
T2 |
2.51
716 |
4.30
1235 |
7.37
2128 |
9.69
2831 |
13.4
3908 |
17.8
5254 |
22.9
6776 |
30.5
9109 |
39.3
11746 |
51.6
15620 |
68.6
20756 |
91.6
27698 |
97.7
29556 |
130
39275 |
167
50647 |
220
66582 |
292
88475 |
390
118068 |
|
20 |
1500 |
P1
T2 |
4.20
462 |
7.19
797 |
12.3
1365 |
16.2
1815 |
22.4
2505 |
29.7
3386 |
38.3
4367 |
50.9
5835 |
65.7
7524 |
86.3
9882 |
115
13144 |
153
17541 |
163
18925 |
217
25148 |
280
32431 |
368
42634 |
— |
— |
|
1000 |
P1
T2 |
3.61
593 |
6.18
1021 |
10.6
1761 |
13.9
2341 |
19.2
3231 |
25.5
4367 |
32.9
5632 |
43.8
7525 |
56.5
9704 , |
74.2
12757 |
98.6
16952 |
132
22623 |
140
24408 |
187
32434 |
241
41826 |
316
54985 |
420
73066 |
561
97505 |
|
7, 50 |
2.98
641 |
5.11
1106 |
8.75
1917 |
11.5
2549 |
15.9
3519 |
21.1
4783 |
27.2
6168 |
36.2
8243 |
46.6
10629 |
61.3
14052 |
81.5
18672 |
109
24918 |
116
26598 |
154
35332 |
199
45563 |
261
59898 |
347
79594 |
463
106217 |
|
500 |
P1
T2 |
2.31
725 |
3.97
1250 |
6.79
2154 |
8.93
2866 |
12.3
3956 |
16.4
5320 |
21.1
6860 |
28.1
9223 |
36.2
11894 |
47.6
15817 |
63.2
21018 |
84.4
28049 |
90.1
29930 |
120
39772 |
154
51289 |
203
67425 |
270
89596 |
360
119564 |
|
22.4 |
1500 |
P1
T2 |
3.84
496 |
6.59
808 |
11.3
1384 |
14.8
1841 |
20.5
2541 |
27.2
3435 |
35.1
4429 |
46.6
5919 |
60.1
7633 |
79.1
10147 |
105
13483 |
140
17993 |
150
19200 |
199
25514 |
256
32902 |
337
43253 |
— |
— |
|
1000 |
P1
T2 |
3.29
599 |
5.65
1039 |
9.67
1780 |
12.7
2367 |
17.6
3267 |
23.3
4416 |
30.1
5695 |
40.0
7610 |
51.5
9813 |
67.8
13046 |
90.0
17336 |
120
23134 |
128
24686 |
170
32803 |
220
42302 |
289
55611 |
384
73897 |
512
98614 |
|
750 |
P1
T2 |
2.75
654 |
4.70
1134 |
8.06
1943 |
10.6
2584 |
14.6
3567 |
19.4
4851 |
25.1
6256 |
33.3
8360 |
43.0
10781 |
56.5
14334 |
75.0
19048 |
100
25419 |
107
27124 |
142
36043 |
183
46480 |
241
61103 |
320
81195 |
427
108353 |
|
500 |
P1
T2 |
2.12
729 |
3.63
1258 |
6.22
2155 |
8.18
2868 |
11.3
3959 |
15.0
5325 |
19.3
6867 |
25.7
9234 |
33.1
11908 |
43.6
15935 |
57.9
21174 |
77.2
28257 |
82.4
30857 |
110
41004 |
141
52878 |
186
69513 |
247
92371 |
329
123268 |
|
25 |
1500 |
P1
T2 |
3.45
467 |
5.91
810 |
10.1
1387 |
13.3
1845 |
18.4
2546 |
24.4
3423 |
31.5
4414 |
41.9
5898 |
54.0
7606 |
71.0
10056 |
94.3
13363 |
126
17832 |
134
19028 |
178
25285 |
230
32607 |
303
42866 |
— |
— |
|
1000 |
P1
T2 |
2.94
590 |
5.04
1023 |
8.64
1773 |
11.4
2358 |
15.7
3255 |
20.8
4376 |
26.9
5643 |
35.7
7541 |
46.0
9724 |
60.5
12856 |
80.4
17083 |
107
22797 |
114
24326 |
152
32325 |
196
41685 |
258
54800 |
343
72819 |
457
97176 |
|
750 |
P1
T2 |
2.51
663 |
4.30
1143 |
7.37
1971 |
9.69
2622 |
13.4
3619 |
17.8
4865 |
22.9
6274 |
30.5
8434 |
39.3
10876 |
51.6
14463 |
68.6
19218 |
91.6
25646 |
97.7
27367 |
130
36365 |
167
46896 |
220
61650 |
292
81921 |
390
109323 |
|
500 |
P1
T2 |
1.88
710 |
3.23
1225 |
5.53
2112 |
7.27
2811 |
10.0
3880 |
13.3
5187 |
17.2
6689 |
22.8
9052 |
29.5
14091 |
38.7
15716 |
51.5
20883 |
68.7
27869 |
73.3
29738 |
97.4
39516 |
126
50959 |
165
66991 |
219
89019 |
293
118795 |
|
28 |
1500 |
P1
T2 |
3.10
453 |
5.31
786 |
9.10
1354 |
12.0
1791 |
16.5
2472 |
21.9
3324 |
28.3
4287 |
37.6
5763 |
48.7
7432 |
63.7
9940 |
84.7
13209 |
113
17627 |
121
18810 |
160
24995 |
207
32232 |
272
42373 |
— |
— |
|
1000 |
P1
T2 |
2.71
593 |
4.64
1023 |
7.95
1764 |
10.4
2346 |
14.4
3239 |
19.2
4355 |
24.7
5616 |
32.8
7550 |
42.3
9737 |
55.7
13023 |
74.0
17306 |
98.7
23094 |
105
24643 |
140
32746 |
180
42229 |
237
55514 |
315
73768 |
421
98443 |
|
750 |
P1
T2 |
2.27
657 |
3.90
1133 |
6.68
1953 |
8.78
2589 |
12.1
3587 |
16.1
4823 |
20.8
6220 |
27.6
8364 |
35.6
10786 |
46.8
14346 |
62.2
19063 |
83.0
25439 |
88.5
27146 |
118
36072 |
152
46517 |
199
61152 |
265
81260 |
354
108441 |
|
500 |
P1
T2 |
1.80
743 |
3.09
1281 |
5.30
2196 |
6.96
2905 |
9.61
4010 |
12.8
5397 |
16.5
6959 |
21.9
9365 |
28.2
12077 |
37.1
16174 |
49.3
21492 |
65.8
28681 |
70.2
30604 |
93.3
40668 |
120
52444 |
158
68943 |
210
91613 |
280
122257 |
|
31.5 |
1500 |
P1
T2 |
2.78
447 |
4.77
770 |
8.18
1328 |
10.7
1768 |
14.8
2440 |
19.7
3282 |
25.4
4232 |
33.8
5691 |
43.6
7339 |
57.3
12974 |
76.1
12974 |
102
17313 |
108
18475 |
144
24550 |
186
31658 |
244
41618 |
— |
— |
|
1000 |
P1
T2 |
2.43
585 |
4.17
1009 |
7.14
1740 |
9.39
2315 |
13.0
3196 |
17.2
4299 |
22.2
5543 |
29.5
7455 |
38.0
9614 |
50.0
12789 |
66.5
16994 |
88.7
22678 |
94.6
24199 |
126
32156 |
162
41468 |
213
54514 |
283
72440 |
378
96670 |
|
750 |
P1
T2 |
1.80
572 |
3.09
986 |
5.30
1700 |
6.96
2263 |
9.61
3123 |
12.8
4201 |
16.5
5418 |
21.9
7287 |
28.2
9397 |
37.1
12502 |
49.3
16613 |
65.8
22170 |
70.2
23657 |
93.3
31436 |
120
40539 |
158
53293 |
210
70818 |
280
94505 |
|
500 |
P1
T2 |
1.57
708 |
2.69
1221 |
4.61
2106 |
6.06
2787 |
8.36
3847 |
11.1
5146 |
14.3
6636 |
19.0
8932 |
24.5
11519 |
32.3
15337 |
42.9
20380 |
57.2
27196 |
61.1
29021 |
81.1
38563 |
105
49730 |
138
65376 |
183
86873 |
244
115930 |
|
35.5 |
1500 |
P1
T2 |
2.43
431 |
4.17
744 |
7.14
1283 |
9.39
1697 |
13.0
2343 |
17.2
3152 |
22.2
4065 |
29.5
5468 |
38.0
7051 |
50.0
9439 |
66.5
12543 |
88.7
16738 |
94.6
17861 |
126
23734 |
162
30606 |
213
40235 |
— |
— |
|
1000 |
P1
T2 |
2.20
584 |
3.76
1008 |
6.45
1738 |
8.48
2299 |
11.7
3174 |
15.6
4270 |
20.0
5507 |
26.6
7408 |
34.4
9553 |
45.2
12788 |
60.0
16993 |
80.1
22677 |
85.5
24198 |
114
32155 |
146
41466 |
193
54512 |
256
72437 |
341
96666 |
|
750 |
P1
T2 |
1.88
655 |
3.23
1130 |
5.53
1949 |
7.27
2595 |
10.0
3582 |
13.3
4820 |
17.2
6216 |
22.8
8363 |
29.5
10784 |
38.7
14352 |
51.5
19072 |
68.7
25451 |
73.3
27158 |
97.4
36089 |
126
46539 |
165
61180 |
219
81298 |
293
108490 |
|
500 |
P1
T2 |
1.49
738 |
2.55
1273 |
4.38
2196 |
5.75
2906 |
7.94
4011 |
10.6
5402 |
13.6
6966 |
18.1
9318 |
23.3
12016 |
30.6
16108 |
40.7
21405 |
54.4
28565 |
58.0
30481 |
77.1
40503 |
99.4
52232 |
131
68665 |
174
91243 |
232
121762 |
|
40 |
1500 |
P1
T2 |
2.27
440 |
3.90
759 |
6.68
1310 |
8.78
1744 |
12.1
2408 |
16.1
3240 |
20.8
4178 |
27.6
5623 |
35.6
7251 |
46.8
9651 |
62.2
12825 |
83.0
17115 |
88.5
18263 |
118
24268 |
152
31295 |
199
41141 |
265
54669 |
— |
|
1000 |
P1
T2 |
1.88
547 |
3.23
943 |
5.53
1626 |
7.27
2165 |
10.0
2989 |
13.3
4022 |
17.2
5187 |
22.8
6980 |
29.5
9001 |
38.7
11981 |
51.5
15920 |
68.7
21246 |
73.3
22671 |
97.4
30125 |
126
38849 |
165
51071 |
219
67864 |
293
90564 |
|
750 |
P1
T2 |
1.65
629 |
2.82
1085 |
4.84
1872 |
6.36
2494 |
8.78
3442 |
11.7
4633 |
15.0
5975 |
20.0
8041 |
25.8
10370 |
33.9
13805 |
45.0
18345 |
60.1
24481 |
64.1
26123 |
85.2
34712 |
110
44764 |
144
58847 |
192
78198 |
256
104354 |
|
500 |
P1
T2 |
1.22
659 |
2.08
1138 |
3.57
1964 |
4.69
2617 |
6.48
3613 |
8.61
4867 |
11.1
6276 |
14.8
8452 |
19.0
10900 |
25.0
14520 |
33.2
19295 |
44.3
25748 |
47.3
27475 |
62.9
36510 |
81.1
47082 |
107
61895 |
142
82247 |
189
109758 |
|
45 |
1500 |
P1
T2 |
2.04
435 |
3.49
751 |
5.99
1304 |
7.87
1737 |
10.9
2397 |
14.4
3227 |
18.6
4161 |
24.7
5600 |
31.9
7222 |
41.9
9614 |
55.7
12776 |
74.4
17049 |
79.4
18193 |
105
24175 |
136
31175 |
179
40983 |
238
54459 |
— |
|
1000 |
P1
T2 |
1.76
565 |
3.02
975 |
5.18
1693 |
6.81
2293 |
9.40
3112 |
12.5
4189 |
16.1
5401 |
21.4
7270 |
27.6
9375 |
36.3
12480 |
48.2
16584 |
64.4
22131 |
68.7
23615 |
91.3
31381 |
118
40468 |
155
53199 |
206
70692 |
274
94338 |
|
750 |
P1
T2 |
1.57
661 |
2.69
1140 |
4.61
1966 |
6.06
2602 |
8.36
3592 |
11.1
4837 |
14.3
6238 |
19.0
8343 |
24.5
10759 |
32.3
14237 |
42.9
18918 |
57.2
25246 |
61.1
26939 |
81.1
35797 |
105
46163 |
138
60686 |
183
80641 |
244
107615 |
|
500 |
P1
T2 |
1.29
773 |
2.22
1334 |
3.80
2303 |
5.00
3069 |
6.90
4238 |
9.16
5712 |
11.8
7364 |
15.7
9852 |
20.2
12705 |
26.6
17046 |
35.4
22651 |
47.2
30227 |
50.4
32255 |
66.9
42861 |
86.3
55272 |
113
72661 |
151
96554 |
201
128849 |
|
50 |
1500 |
P1
T2 |
1.84
428 |
3.16
744 |
5.41
1275 |
7.12
1699 |
9.82
2345 |
13.1
3157 |
16.8
4072 |
22.4
5482 |
28.8
7069 |
37.9
9414 |
50.4
12510 |
87.2
16694 |
71.7
17814 |
95.3
23671 |
123
30525 , , |
162
40129 |
215
53324 |
— |
|
1000 |
P1
T2 |
1.61
560 |
2.76
974 |
4.72
1668 |
6.21
2223 |
8.57
3068 |
11.4
4132 |
14.7
5328 |
19.5
7173 |
25.2
9250 |
33.1
12318 |
43.9
16369 |
58.6
21844 |
62.6
23309 |
83.2
30974 |
107
39943 |
141
52509 |
187
69776 |
250
93115 |
|
750 |
P1
T2 |
1.33
611 |
2.28
1055 |
3.92
1820 |
5.15
2425 |
7.10
3347 |
9.44
4508 |
12.2
5814 |
16.2
7828 |
20.9
10095 |
27.4
13446 |
36.4
17867 |
48.6
23843 |
51.9
25442 |
69.0
33808 |
88.9
43598 |
117
57315 |
155
76161 |
207
101636 |
|
500 |
P1
T2 |
1.02
662 |
1.74
1143 |
2.99
1973 |
3.94
2631 |
5.43
3632 |
7.22
4895 |
9.31
6313 |
12.4
8507 |
16.0
10970 |
21.0
14622 |
27.9
19430 |
37.2
25929 |
39.7
27668 |
52.7
36766 |
68.0
47412 |
89.4
62328 |
119
82823 |
159
110526 |
|
56 |
1500 |
P1
T2 |
1.69
430 |
2.89
747 |
4.95
1280 |
6.51
1706 |
8.99
2355 |
11.9
3172 |
15.4
4090 |
20.5
5471 |
26.4
7150 |
34.7
9523 |
46.1
12654 |
61.5
16887 |
65.6
18019 |
87.2
23944 |
112
30878 |
148
40592 |
196
53940 |
— |
|
1000 |
P1
T2 |
1.45
555 |
2.49
964 |
4.26
1652 |
5.60
2202 |
7.73
3039 |
10.3
4094 |
13.2
5279 |
17.6
7062 |
22.7
9228 |
29.8
12291 |
39.7
16332 |
52.9
21795 |
56.5
23257 |
75.0
30905 |
96.8
39854 |
127
52393 |
169
69620 |
226
92907 |
|
750 |
P1
T2 |
1.33
670 |
2.28
1157 |
3.92
1996 |
5.14
2661 |
7.10
3673 |
9.44
4948 |
12.2
6381 |
16.2
8595 |
20.9
11083 |
27.4
14766 |
36.4
19621 |
48.6
24184 |
51.9
27940 |
69.0
37128 |
88.9
47879 |
117
62942 |
155
83639 |
207
111615 |
|
500 |
P1
T2 |
1.10
787 |
1.88
1359 |
3.22
2345 |
4.24
3106 |
5.85
4287 |
7.78
5780 |
10.0
7453 |
13.3
10118 |
17.2
13048 |
22.6
17274 |
30.0
22954 |
40.1
30631 |
42.7
32686 |
56.8
43434 |
73.2
56011 |
96.3
73633 |
128
97845 |
171
130572 |
|
63 |
1500 |
P1
T2 |
1.49
418 |
2.55
727 |
4.38
1246 |
5.75
1661 |
7.94
2293 |
10.6
3090 |
13.6
3984 |
18.1
5367 |
23.3
6921 |
30.7
9221 |
40.7
12254 |
54.4
16352 |
58.0
17449 |
77.1
23187 |
99.4
29901 |
131
39308 |
174
52234 |
— |
|
1000 |
P1
T2 |
1.33
562 |
2.28
976 |
3.92
1673 |
5.15
2230 |
7.10
3078 |
9.44
4147 |
12.2
5347 |
16.2
7203 |
20.9
9289 |
27.4
12376 |
36.4
16446 |
48.6
21946 |
51.9
23419 |
69.0
31119 |
88.9
40130 |
117
52756 |
155
70103 |
207
93551 |
|
750 |
P1
T2 |
1.22
673 |
2.08
1162 |
3.57
2005 |
4.69
2673 |
6.48
3690 |
8.61
4972 |
11.1
6412 |
14.8
8638 |
19.0
11279 |
25.0
14845 |
33.2
19726 |
44.3
26324 |
47.3
28090 |
62.9
37327 |
81.1
48135 |
107
63279 |
142
84087 |
189
112213 |
|
500 |
P1
T2 |
0.82
644 |
1.41
1112 |
2.42
1921 |
3.18
2563 |
4.39
3538 |
5.83
4771 |
7.52
6153 |
9.99
8297 |
12.9
10699 |
16.9
14269 |
22.5
18961 |
30.0
25303 |
32.1
27000 |
42.6
35879 |
54.9
46268 |
72.2
60824 |
96.0
80825 |
128
107859 |
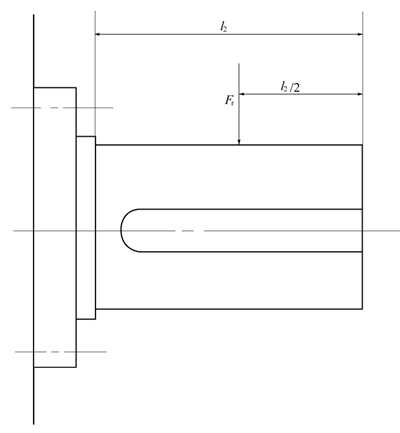
PW型蜗杆减速机输出轴轴端许用径向力F(GB/T16449-1996)

PW型蜗杆减速器输出轴轴端许用径向力F。
许用径向力F1
|
中心距/mm |
80 |
100 |
125 |
140 |
160 |
180 |
200 |
225 |
250 |
280 |
315 |
355 |
400 |
450 |
500 |
560 |
630 |
710 |
|
许用径向力/N |
2250 |
3500 |
5000 |
6500 |
9000 |
11000 |
14000 |
17000 |
21700 |
27000 |
31000 |
35000 |
40000 |
43000 |
46000 |
49000 |
52000 |
56000 |
PW型蜗杆减速机的传动效率η(GB/T16449-1996)
|
公称传
动比iN |
输入转
速1/
rmin-1 |
中心距/mm |
|
80 |
100 |
125 |
140 |
160 |
180 |
200 |
225 |
250 |
280~710 |
|
传动效率η/% |
|
10 |
1500 |
90 |
91 |
91 |
92 |
92 |
93 |
93 |
94 |
94 |
95 |
|
1000 |
90 |
91 |
91 |
92 |
92 |
93 |
93 |
94 |
94 |
95 |
|
750 |
89 |
89.5 |
90 |
91 |
91 |
92 |
92 |
93 |
93 |
94 |
|
500 |
87 |
87.5 |
88 |
89 |
89 |
90 |
90 |
91 |
91 |
92 |
|
12.5 |
1500 |
89 |
90 |
90 |
91 |
91 |
92.5 |
92.5 |
93.5 |
93.5 |
94.5 |
|
1000 |
89 |
90 |
90 |
91 |
91 |
92.5 |
92.5 |
93.5 |
93.5 |
94.5 |
|
750 |
88 |
88.5 |
89 |
90 |
90 |
91.5 |
91.5 |
92 |
92 |
93 |
|
500 |
86 |
86.5 |
87 |
88 |
88 |
89 |
89 |
90 |
90 |
91 |
|
14 |
1500 |
88.5 |
89.5 |
89.5 |
91 |
91 |
92 |
92 |
93 |
93 |
91 |
|
1000 |
88.5 |
89.5 |
89.5 |
91 |
91 |
92 |
92 |
93 |
93 |
94 |
|
750 |
87 |
88 |
88.5 |
89.5 |
89.5 |
91 |
91 |
91.5 |
91.5 |
92.5 |
|
500 |
85 |
86 |
86.5 |
87.5 |
87.5 |
88 |
88 |
89 |
89 |
90 |
|
16 |
1500 |
88 |
89 |
89 |
90 |
90 |
91 |
91 |
92 |
92 |
93 |
|
1000 |
88 |
89 |
89 |
90 |
90 |
91 |
91 |
92 |
92 |
93 |
|
750 |
86.5 |
87 |
88 |
89 |
89 |
90 |
90 |
91 |
91 |
92 |
|
500 |
84 |
84.5 |
85 |
86 |
86 |
87 |
87 |
88 |
88 |
89 |
|
18 |
1500 |
87.5 |
88 |
88 |
89.5 |
89.5 |
90 |
90 |
91 |
91 |
92 |
|
1000 |
87 |
88 |
88 |
89 |
89 |
90 |
90 |
91 |
91 |
92 |
|
750 |
85.5 |
86 |
87 |
88 |
88 |
89.5 |
89.5 |
90 |
90 |
91 |
|
500 |
83 |
83.5 |
84 |
85 |
85 |
86 |
86 |
87 |
87 |
88 |
|
20 |
1500 |
86.5 |
87 |
87 |
88 |
88 |
89.5 |
89.5 |
90 |
90 |
91 |
|
1000 |
86 |
86.5 |
87 |
88 |
88 |
89.5 |
89.5 |
90 |
90 |
91 |
|
750 |
84.5 |
85 |
86 |
87 |
87 |
89 |
89 |
89.5 |
89.5 |
90 |
|
500 |
82 |
82.5 |
83 |
84 |
84 |
85 |
85 |
86 |
86 |
87 |
|
22.4 |
1500 |
85.5 |
86 |
86 |
87 |
87 |
88.5 |
88.5 |
89 |
89 |
90 |
|
1000 |
85 |
86 |
86 |
87 |
87 |
88.5 |
88.5 |
89 |
89 |
90 |
|
750 |
83.5 |
84.5 |
84.5 |
85.5 |
85.5 |
87.5 |
87.5 |
88 |
88 |
89 |
|
500 |
80.5 |
81 |
81 |
82 |
82 |
83 |
83 |
84 |
84 |
85.5 |
|
25 |
1500 |
85 |
86 |
86 |
87 |
87 |
88 |
88 |
88.5 |
88.5 |
89 |
|
1000 |
84 |
85 |
86 |
87 |
87 |
88 |
88 |
88.5 |
88.5 |
89 |
|
750, |
,
83 |
83.5 |
84 |
85 |
85 |
86 |
86 |
87 |
87 |
88 |
|
500 |
79 |
79.5 |
80 |
81 |
81 |
81.5 |
81.5 |
83 |
84 |
85 |
|
28 |
1500 |
82.5 |
83 |
83.5 |
84 |
84 |
85 |
85 |
85 |
86 |
87.5 |
|
1000 |
82 |
82.5 |
83 |
84 |
84 |
85 |
85 |
86 |
86 |
87.5 |
|
750 |
81 |
81.5 |
82 |
83 |
83 |
84 |
84 |
85 |
85 |
86 |
|
500 |
77 |
77.5 |
77.5 |
78 |
78 |
79 |
79 |
80 |
80 |
81.5 |
|
31.5 |
1500 |
80 |
80.5 |
81 |
82 |
82 |
83 |
83 |
84 |
84 |
85 |
|
1000 |
80 |
80.5 |
81 |
82 |
82 |
83 |
83 |
84 |
84 |
85 |
|
750 |
77 |
77.5 |
78 |
79 |
79 |
80 |
80 |
81 |
81 |
82 |
|
500 |
73 |
73.5 |
74 |
74.5 |
74.5 |
75.5 |
75.5 |
76 |
76 |
77.5 |
|
35.5 |
1500 |
78.5 |
79 |
79.5 |
80 |
80 |
81 |
81 |
82 |
82 |
83.5 |
|
1000 |
78.5 |
79 |
79.5 |
80 |
80 |
81 |
81 |
82 |
82 |
83.5 |
|
750 |
77 |
77.5 |
78 |
79 |
79 |
80 |
80 |
81 |
81 |
82 |
|
500 |
73 |
73.5 |
74 |
74.5 |
74.5 |
75.5 |
75.5 |
76 |
76 |
77.5 |
|
40 |
1500 |
76 |
76.5 |
77 |
78 |
78 |
79 |
79 |
80 |
80 |
81 |
|
1000 |
76 |
76.5 |
77 |
78 |
78 |
79 |
79 |
80 |
80 |
81 |
|
750 |
75 |
75.5 |
76 |
77 |
77 |
78 |
78 |
79 |
79 |
80 |
|
500 |
71 |
71.5 |
72 |
73 |
73 |
74 |
74 |
75 |
75 |
76 |
|
45 |
1500 |
74.5 |
75 |
76 |
77 |
77 |
78 |
78 |
79 |
79 |
80 |
|
1000 |
74.5 |
75 |
76 |
77 |
77 |
78 |
78 |
79 |
79 |
80 |
|
750 |
73.5 |
74 |
74.5 |
75 |
75 |
76 |
76 |
76.5 |
76.5 |
77 |
|
500 |
69.5 |
70 |
70.5 |
71.5 |
71.5 |
72.5 |
72.5 |
73 |
73 |
74.5 |
|
50 |
1500 |
73 |
74 |
74 |
75 |
75 |
76 |
76 |
77 |
77 |
78 |
|
1000 |
73 |
74 |
74 |
75 |
75 |
76 |
76 |
77 |
77 |
78 |
|
750 |
72 |
72.5 |
73 |
74 |
74 |
75 |
75 |
76 |
76 |
77 |
|
500 |
68 |
68.5 |
69 |
70 |
70 |
71 |
71 |
72 |
72 |
73 |
|
56 |
1500 |
71.5 |
72.5 |
72.5 |
73.5 |
73.5 |
74.5 |
74.5 |
75 |
76 |
77 |
|
1000 |
71.5 |
72.5 |
72.5 |
73.5 |
73.5 |
74.5 |
74.5 |
75 |
76 |
77 |
|
750 |
70.5 |
71 |
71.5 |
72.5 |
72.5 |
73.5 |
73.5 |
74.5 |
74.5 |
75.5 |
|
500 |
67 |
67.5 |
68 |
68.5 |
68.5 |
69.5 |
69.5 |
71 |
71 |
71.5 |
|
63 |
1500 |
70 |
71 |
71 |
72 |
72 |
73 |
73 |
74 |
74 |
75 |
|
1000 |
70 |
71 |
71 |
72 |
72 |
73 |
73 |
74 |
74 |
75 |
|
750 |
69 |
69.5 |
70 |
71 |
71 |
72 |
72 |
73 |
73 |
74 |
|
500 |
65 |
65.5 |
66 |
67 |
67 |
68 |
68 |
69 |
69 |
70 |
PW型平面二次包络环面蜗杆减速机的选用(GB/T16449-1996)
1.选用系数
(1)选用系数KA见表1。
表1 选用系数KA
|
原动机 |
载荷性质
(工作机特性) |
每日工作时间/h |
|
≤0.5 |
>0.5~1 |
>1~2 |
>2~10 |
>10 |
|
KA |
|
电动机,汽轮机燃气轮机
(启动转矩小,偶尔作用) |
均匀 |
0.6 |
0.7 |
0.9 |
1 |
1.2 |
|
轻度冲击 |
0.8 |
0.9 |
1.0 |
1.2 |
1.3 |
|
中等冲击 |
0.9 |
1.0 |
1.2 |
1.3 |
1.5 |
|
强烈冲击 |
1.1 |
1.2 |
1.3 |
1.5 |
1.75 |
|
汽轮机,燃气轮机,液动机
或电动机(启动转矩大,经
常作用) |
均匀 |
0.7 |
0.8 |
1 |
1.1 |
1.3 |
|
轻度冲击 |
0.9 |
1 |
1.1 |
1.3 |
1.4 |
|
中等冲击 |
1 |
1.1 |
1.3 |
1.4 |
1.6 |
|
强烈冲击 |
1.1 |
1.3 |
1.4 |
1.6 |
1.9 |
|
多缸内燃机 |
均匀 |
0.8 |
0.9 |
1.1 |
1.3 |
1.4 |
|
轻度冲击 |
1.0 |
1.1 |
1.3 |
1.4 |
1.5 |
|
中等冲击 |
1.1 |
1.3 |
1.4 |
1.5 |
1.8 |
|
强烈冲击 |
1.3 |
1.4 |
1.5 |
1.8 |
2 |
|
单缸内燃机 |
均匀 |
0.9 |
1.1 |
1.3 |
1.4 |
1.6 |
|
轻度冲击 |
1.1 |
1.3 |
1.4 |
1.6 |
1.8 |
|
中等冲击 |
1.3 |
1.4 |
1.6 |
1.8 |
2 |
|
强烈冲击 |
1.4 |
1.6 |
1.8 |
2 |
2.3或更大 |
注:工作机工作情况举例如下。
均匀载荷:发电机、均匀装料的带式或板式输送机,螺旋输送机,轻型卷扬机,包装机械,机床进给装置,通风机,轻型离心机,离心泵,稀液料和密度均匀物料搅拌机和混合机,按最大剪切力矩设计的冲压机。
轻度冲击:不均匀装料的带式或板式输送机,机床主传动装置,重型卷扬机,起重机旋转机构,工矿通风机,重型离心机,离心泵,粘性液料及密度不均匀物料搅拌机和混合机,多缸柱塞泵,给料泵,挤压机,压延机,回转窑,锌、铝带材、线材、型材轧机。
中等冲击:橡胶挤压机,经常起动的塑料混合机,轻型球磨机,木材加工机械,钢坯初轧机,单缸活塞泵。
强烈冲击:铲斗链传动,筛传动装置,单斗挖土机,重型球磨机,橡胶混炼机,冶金机械,重型给料泵,旋转式钻探设备,压砖机,除鳞机,冷轧机,压块机。
(2)启动频率系数见表2。
表2 启动频率系数K1
|
每小时启动次数 |
≤10 |
>10~60 |
>60~400 |
|
启动频率系数K1 |
1 |
1.1 |
1.2 |
(3)小时负荷率系数K2见表3。
表3 小时负荷率系数K2
|
小时负荷率Jc/% |
100 |
80 |
60 |
40 |
20 |
|
小时负荷率系数K2 |
1 |
0.95 |
0.88 |
0.77 |
0.6 |
注:1.Jc=1h内负荷作用时间(min)/60×100%。
2.Jc<20%时按Jc=20%计。
(4)冷却方式系数K4见表4。
表4 冷却方式系数K4
|
冷却方式 |
减速器中心距a/mm |
蜗杆转速n1/r·min-1 |
|
1500 |
1000 |
750 |
500 |
|
冷却方式系数K4 |
|
自然冷却
(无风扇) |
80 |
1 |
1 |
1 |
1 |
|
100~225 |
1.37 |
1.59 |
1.59 |
1.33 |
|
250~710 |
1.51 |
1.85 |
1.89 |
1.78 |
|
风扇冷却 |
80~710 |
1 |
2.选用条件
选用减速器应知:原动机、工作机类型及载荷性质,每日平均运转时间,启动频率和环境温度。
PW型平面二次包络环面蜗杆减速机的润滑(GB/T16449-1996)
润滑
(1)减速器一般采用油池润滑,当蜗杆计算圆滑动速度vs>10m/s时,采用强制润滑。
(2)减速器用润滑油粘度指数(Ⅵ)应大于100。
(3)减速器采用合成蜗轮蜗杆油。
(4)减速器润滑油油品按下表规定。允许采用润滑性能相当或更高的油品。
润滑油油品
|
输入转速/r·min-1 |
中心距/mm |
|
80 100 125 160 200 250 315 400 500 630
140 180 225 280 355 450 560 710 |
|
1500
1000
750
500 |
320蜗轮蜗杆油①
460蜗轮蜗杆油
680蜗轮蜗杆油
|