概述
ZLYJ系列减速机是为了塑料螺杆挤出机配套设计的高精度硬齿面带推力座的传动部件。产品设计采用了JB/T8853-2001所规定的各项技术规范。其特点是齿轮和轴类零件采用了高强度合金钢。齿轮经渗碳、淬火、磨齿工艺加工。齿轮精度为GB10095-88.6级。齿面硬度HRC54-62。在空心输出轴前端配置有超规格的推力轴承,承受螺杆的工作轴向力。轴承和油封等主要标准件皆采用国内优质产品,也可按用户需要,配装进口产品。整机具有体积小、承载能力高、传动平稳、噪声低、效率高等特点。产品性能已达到国际先进水平,可替代同类型进口产品使用。
本系列产品中的规格和传动比为现有用户的常用数据。用户在选用时,可将螺杆的实际传动扭矩与表(2)所列许用输出扭矩为准选型。若需与橡胶挤出机配套,因橡胶挤出机冲击力较塑料强,请用户提出具体技术参数。
ZLYJ塑料橡胶挤出机减速机适用条件及减速机代号和标志(JB/T8853-2001)

适用条件
1、减速机高速轴转速不大于1500r/min
2、工作环境温度为0~35℃。当温度超出本规定时,可按用户要求,另行配置润滑加热或冷却装置。
减速机代号和标志
在减速机代号中,包括型号、输出级中心距、公称传动比、装配型式。
标主示例
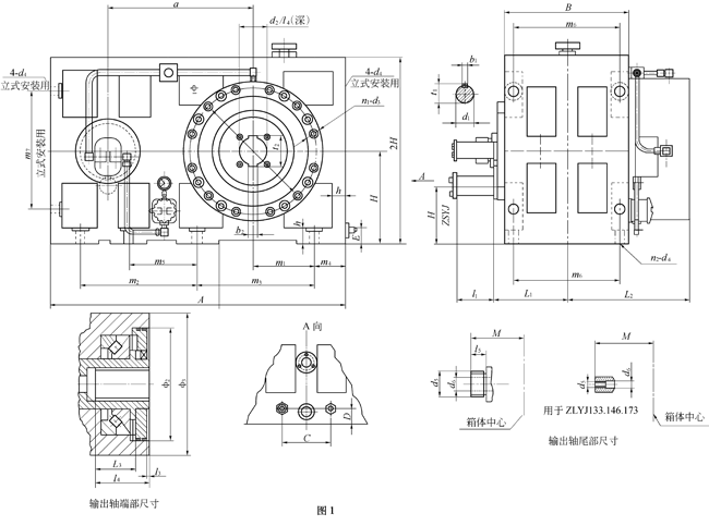
ZLYJ塑料橡胶挤出机减速机外形尺寸及装配型式(JB/T8853-2001)

表(1)
|
规格 |
a |
H |
H1 |
h |
A |
B |
L1 |
l1 |
L2 |
L3 |
d1(m6) |
t1 |
b1 |
d2(H8) |
l4 |
t2 |
b2(F9) |
d3 |
n1 |
φ1 |
|
ZLYJ112 |
184 |
130 |
|
18 |
426 |
170 |
106 |
60 |
203 |
|
28 |
31 |
8 |
35 |
52 |
38.3 |
10 |
M10 |
6 |
185 |
|
ZLYJ133 |
218 |
140 |
|
20 |
478 |
215 |
125 |
60 |
205 |
|
28 |
31 |
8 |
38 |
80 |
41.3 |
10 |
M12 |
8 |
205 |
|
ZLYJ146 |
256 |
160 |
|
22 |
560 |
250 |
148 |
70 |
245 |
|
32 |
35 |
10 |
45 |
120 |
48.8 |
14 |
M12 |
8 |
230 |
|
ZLYJ173 |
285 |
170 |
|
22 |
576 |
256 |
148 |
80 |
250 |
|
38 |
41 |
10 |
50 |
140 |
57.6 |
14*2 |
M16 |
8 |
260 |
|
ZLYJ200 |
340 |
240 |
|
36 |
750 |
340 |
200 |
80 |
330 |
|
45 |
48.5 |
14 |
60 |
170 |
68.8 |
16*2 |
M16 |
12 |
300 |
|
ZLYJ225 |
385 |
250 |
|
36 |
800 |
360 |
205 |
110 |
355 |
|
55 |
59 |
16 |
70 |
170 |
78.8 |
18*2 |
M20 |
12 |
370 |
|
ZLYJ250 |
430 |
280 |
|
45 |
930 |
380 |
220 |
110 |
380 |
|
60 |
64 |
18 |
80 |
180 |
90.8 |
22*2 |
M20 |
12 |
370 |
|
ZLYJ280 |
480 |
300 |
|
50 |
970 |
410 |
240 |
125 |
405 |
|
65 |
69 |
18 |
90 |
180 |
100.8 |
25*2 |
M24 |
12 |
400 |
|
ZLYJ315 |
539 |
350 |
|
55 |
1160 |
450 |
250 |
140 |
440 |
|
75 |
79.5 |
20 |
100 |
200 |
112.8 |
28*2 |
M24 |
12 |
405 |
|
ZLYJ330 |
575 |
350 |
|
60 |
1160 |
450 |
260 |
170 |
445 |
|
85 |
90 |
22 |
110 |
220 |
122.8 |
28*2 |
M24 |
12 |
450 |
|
ZLYJ375 |
625 |
400 |
|
60 |
1280 |
466 |
265 |
170 |
445 |
|
85 |
90 |
22 |
110 |
255 |
122.8 |
28*2 |
M24 |
12 |
450 |
|
ZLYJ420 |
695 |
460 |
|
60 |
1420 |
550 |
310 |
130 |
535 |
|
95 |
100 |
25 |
120 |
270 |
134.8 |
32*2 |
M30 |
12 |
580 |
|
ZLYJ450 |
765 |
500 |
|
60 |
1550 |
600 |
350 |
130 |
600 |
|
100 |
106 |
28 |
170 |
250 |
188.8 |
40*2 |
M30 |
12 |
610 |
|
ZLYJ630 |
1070 |
630 |
|
80 |
2000 |
770 |
430 |
165 |
760 |
|
120 |
127 |
32 |
180 |
340 |
200.8 |
45*2 |
M36 |
12 |
720 |
|
ZSYJ450 |
765 |
500 |
276 |
60 |
1550 |
600 |
350 |
105 |
600 |
|
75 |
79.5 |
20 |
170 |
250 |
188.8 |
40*2 |
M36 |
12 |
610 |
|
ZSYJ560 |
960 |
580 |
324 |
80 |
1850 |
610 |
355 |
130 |
670 |
|
95 |
100 |
25 |
160 |
300 |
178.8 |
40*2 |
M36 |
12 |
720 |
|
ZSYJ630 |
1070 |
630 |
350 |
80 |
2000 |
770 |
430 |
165 |
760 |
|
110 |
116 |
28 |
180 |
340 |
200.8 |
45*2 |
M36 |
12 |
720 |
|
规格 |
φ2(H7) |
l3 |
φ3 |
d4 |
n2 |
m1 |
m2 |
m3 |
m4 |
m5 |
m6 |
m7 |
C |
D |
E |
d5 |
d6 |
l5 |
M |
|
ZLYJ112 |
160 |
8 |
210 |
14 |
4 |
96 |
|
326 |
50 |
|
136 |
170 |
|
|
|
M16 |
18 |
|
125 |
|
ZLYJ133 |
180 |
8 |
230 |
16 |
6 |
104 |
185 |
185 |
61 |
|
180 |
184 |
|
|
|
M18 |
20 |
|
137 |
|
ZLYJ146 |
200 |
8 |
260 |
16 |
6 |
118 |
190 |
235 |
72 |
|
210 |
210 |
85 |
38 |
ZG1/2″ |
M18 |
20 |
|
167 |
|
ZLYJ173 |
230 |
8 |
300 |
18 |
6 |
113.5 |
220 |
220 |
68 |
|
225 |
214 |
|
|
m20 |
25 |
|
167 |
|
ZLYJ200 |
270 |
8 |
350 |
18 |
6 |
150 |
275 |
275 |
100 |
|
290 |
310 |
120 |
40 |
m85*4 |
40 |
50 |
250 |
|
ZLYJ225 |
330 |
8 |
420 |
26 |
6 |
165 |
310 |
310 |
90 |
|
315 |
330 |
140 |
50 |
55 |
265 |
|
ZLYJ250 |
330 |
8 |
420 |
26 |
6 |
205 |
360 |
360 |
105 |
|
330 |
340 |
160 |
50 |
285 |
|
ZLYJ280 |
360 |
8 |
450 |
30 |
6 |
200 |
385 |
385 |
100 |
|
355 |
380 |
160 |
50 |
300 |
|
ZLYJ315 |
365 |
8 |
450 |
30 |
6 |
260 |
450 |
450 |
130 |
|
390 |
460 |
160 |
55 |
335 |
|
ZLYJ330 |
400 |
10 |
500 |
30 |
6 |
225 |
450 |
450 |
130 |
|
390 |
425 |
160 |
55 |
60 |
60 |
350 |
|
ZLYJ375 |
400 |
10 |
500 |
32 |
8 |
250 |
475 |
500 |
165 |
265 |
400 |
500 |
160 |
55 |
ZG3/4″ |
M90*4 |
60 |
60 |
345 |
|
ZLYJ420 |
500 |
10 |
660 |
32 |
8 |
305 |
580 |
540 |
150 |
328 |
480 |
|
200 |
60 |
370 |
|
ZLYJ450 |
500 |
15 |
700 |
32 |
8 |
300 |
600 |
600 |
190 |
300 |
520 |
|
200 |
60 |
425 |
|
ZLYJ630 |
650 |
25 |
805 |
8 |
8 |
400 |
850 |
800 |
200 |
450 |
670 |
|
300 |
80 |
520 |
|
ZSYJ450 |
520 |
10 |
700 |
32 |
8 |
300 |
600 |
600 |
190 |
300 |
520 |
|
200 |
60 |
425 |
|
ZSYJ560 |
620 |
25 |
805 |
48 |
8 |
390 |
760 |
780 |
170 |
|
510 |
|
270 |
80 |
435 |
|
ZSYJ630 |
650 |
25 |
805 |
48 |
8 |
400 |
850 |
800 |
200 |
450 |
670 |
|
300 |
80 |
520 |
注:450,560,630三种规格,输出联接方式及尺寸仅供参考,具体方式可在订货时确定。
ZLYJ塑料橡胶挤出机减速机承载能力(JB/T8853-2001)
|
型号 |
ZLYJ |
ZSYJ |
|
规格 |
112
-8 |
133
-8 |
146
-10 |
173
-10 |
△
200
-12.5 |
△
225
-12.5 |
△
250
-16 |
※
280
-16 |
※
315
-16 |
※
330
-16 |
※
375
-16 |
※
420
-16 |
※
450
-20 |
※
560
-20 |
※
630
-20 |
※
450
-32 |
※
560
-57 |
※
630
-44 |
|
|
公称输入功率(kW)n入=1500r/min |
|
一般可靠 |
15 |
22 |
30.8 |
39 |
55 |
82.5 |
75 |
116 |
171 |
|
260 |
315 |
303 |
600 |
825 |
240 |
240 |
370 |
|
高可靠 |
10 |
15 |
18.3 |
30.8 |
45 |
67 |
60 |
75 |
75 |
207 |
207 |
250 |
266 |
550 |
675 |
200 |
220 |
315 |
|
|
许用输出扭矩(N.M) |
|
一般可靠 |
800 |
1165 |
1962 |
2484 |
4379 |
6568 |
7643 |
11822 |
17427 |
|
26497 |
32102 |
38599 |
76433 |
105095 |
48917 |
87134 |
103694 |
|
高可靠 |
525 |
764 |
1165 |
1962 |
3583 |
5334 |
6306 |
7643 |
11822 |
21000 |
21096 |
25478 |
33885 |
70063 |
85978 |
40764 |
79873 |
88280 |
|
|
许用输出轴轴向推力(KN) |
|
轴向推力 |
35 |
39 |
54 |
110 |
155 |
180 |
192 |
250 |
287 |
390 |
390 |
430 |
500 |
700 |
770 |
500 |
700 |
770 |
|
|
推荐配置 |
|
螺杆直径φm |
35 |
45/50 |
55 |
65 |
75 |
90 |
100 |
105/110 |
120 |
130/150 |
150/160 |
165 |
165 |
190 |
200 |
165 |
190 |
200 |
|
输入功率kw |
5.5 |
8 |
11 |
18.5 |
26 |
45 |
45 |
55 |
75 |
132 |
132 |
160 |
213 |
440 |
540 |
200 |
220 |
315 |
|
n入 |
800 |
800 |
900 |
900 |
1000 |
1000 |
1120 |
960 |
960 |
960 |
960 |
960 |
1200 |
1200 |
1200 |
1500 |
1500 |
1500 |
|
n出 |
100 |
100 |
90 |
90 |
80 |
80 |
70 |
60 |
60 |
60 |
60 |
60 |
60 |
60 |
60 |
47 |
26 |
34 |
注:1、△-带冷却,※-带冷却和强制油循环。112、133、146、173按高可靠预选用时不需带冷却。
2、表列输入功率和输出扭矩已考虑工况系数,可直接选用。
3、表列输出扭矩是主要选型依据。传动比可按用户需要调整。ZLYJ的i为6.3—20。
4、当取轴承负荷系数fd=1.5时,按表列许用轴向推力和输出轴给定转速计算,推力轴承的理论计算寿命,除133、146两型为1.2万小时左右,其余各型皆在2.5万小时左右。
5、以下几种情况、应对减速机的冷却设计参数校核:
5.1 按高可靠数据选用,但输出转速超过表(2)n出时(即加大了输入功率)。
5.2按一般可靠选用,输入功率加大时。
5.3当内冷却方式散热面积不足时,采用带油泵的外置式油冷却器。采用冷却器需在订货时另外说明。
ZLYJ塑料橡胶挤出机减速机润滑与冷却、加热(JB/T8853-2001)
齿轮和轴承皆采用油池浸润和飞溅润滑。ZLYJ280及以上规格的轴承除飞溅润滑之外,还增加了油泵润滑系统强制循环供油润滑。, , , , ,
润滑油牌号为中级压齿轮油N220或其它粘度相似的优质润滑油。
当环境温度低于0℃时,需在油池中增加电热管,对润滑油进行预热。
当环境温度高于35℃时,制造, 厂应该按用户提供的温度值进行热平衡计算,以确定是否增加冷却装置。
ZLYJ塑料橡胶挤出机减速机安装使用和维护(JB/T8853-2001)
1、减速机应安装在平整的基础上,在地脚螺栓均匀紧固的情况下,应保证插入输出轴中的螺杆能无卡滞地均匀回转,以免给输出轴轴承增加附加应力而影响轴承寿命。不得采用强力装拆螺杆。
420以上(含420)规格的减速机的动力输入只允许用联轴器输入动力。在安装时,应在地脚螺栓紧固的情况下,确保联轴器的安装误差不超过允许范围。不允许在未调平地脚支撑时,先对中联轴器、后紧固地脚螺钉,以免给输入轴造成过大的附加力矩。如用户确实需要采用三角带输入动力时,请在订货时明确提出此项要求!
375以下(含375)规格,允许用三角带输入动力。请尽量采用高强度窄V带!且三角带轮应全部车削加工,回转平衡。高强度窄V带使用,可减小张紧力并使合力中心靠近输入轴内侧。对减小作用于前轴承支点外侧载面的附加弯矩十分有利。三角带在初装下,三角带紧边中点在2-3公斤外力下压,可发生8-10mm变形。
由于硬齿面减速机的中心距较小,无法配置较大轴承,轴颈也较细。联轴器的对中和三角带的张紧是否符合上述要求,将会直接影响输入轴和轴承,以至整机的寿命!
2、在减速器按装完毕后,注润滑油至油标上油位。该油位应在润滑油在箱内分布均匀后确定,油位应经常检察,任何情况下,油位不应低于下油标位置。首次使用300~600小时后,应换油一次。以后每3000小时换油一次。更换应在减速器停车,润滑油尚未冷却时排放。箱体应用同品质的油冲洗干净。若因粘度高不宜冲洗可先加热。
在有强制润滑的油路中。配置有功能极先进完善的TF型箱外自封式吸油过滤器。该滤清器具有以下功能:(1)打开前盖,拆下滤芯时,内装的自封阀会自行关闭,切断油路,防止油箱存油外流。(2)带有绿、黄、红三色带的发讯器,可随时显示滤芯堵塞状态(绿-通畅,黄-局部堵塞,红-较严重堵塞)。当出现较严重堵塞时,发讯器会发出讯号(请将发讯器两输出线端接入报警线路),提醒用户停机清洗或更换滤芯。(3)在发讯后用户仍不清洗,滤芯进一步堵塞时,滤清器中的旁路自行打开,润滑油将不经过滤芯循环。
按用户特殊要求配置的电接点压力表,可监控油泵的工作状态。当油泵损坏,油路停止供油,电接点压力表失压时,压力表会有电信号输出。此时控制电路会自动报警,切断电源,停机检修,以免上部轴承缺油而烧损。
为避免电机在启动瞬间,油压表因瞬时油流未到而反过来切断电源影响正常启动,建议在电机控制回路中,设置延时断电器,以保证电机正常启动。
电接点压力表,在出厂前,已把下压指针调至0.3~0.4Mpa处(上压指针不用讯整),在运行一段时间后,因油热而粘度下降,可能油压会下降,影响正常工作。此时松开表座一侧的锁紧螺母,用螺丝切调整调压螺针(旋入),使油压升高。在调高压力后,请锁紧螺母,以上所述的报警控制电路,皆需用户自行配置。本设备只提供可输出电迅号的相关元件。
3、装有油泵强制润滑的减速机,在开车初始阶段,可能会因油粘度过高,油泵吸油阻力大而造成进油不足,发出过高的噪声。该现象一般在润滑油温度升高后,自行消失。
在正常运转中,如出现油泵噪声增高,一般情况可能是油路阻力过大。此时情况请清洗滤清器及其他相关部件。
无论哪种规格的减速机,在长期不用或气温过低时启动使用,都应空车运转一段时间,待各轴承处充分润滑后方可加载运转。