|
产品展示
联系我们
地址:无锡市钱桥工业园
手机: 18168892286 传真:0510-82628805
|
|
产品展示
PRODUCT
当前位置:首页 > 产品展示
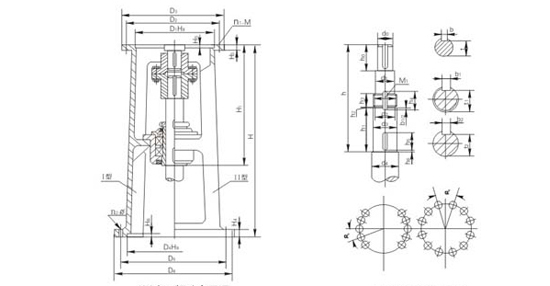
DJ、LDJ型机架(CD130B-86)


DJ、LDJ型单支点机架主要参数及尺寸
| 型号 |
H1 |
H3 |
H4 |
H5 |
H6 |
输入端接口 |
输出端接口 |
| D1 |
D2 |
D3 |
n1-M |
D4 |
D5 |
D6 |
a° |
n2-φ |
| DJ,LDJ30AB |
320 |
15 |
20 |
4 |
6 |
140 200 |
160 230 |
190 260 |
4-B10 6-M12 |
240 |
285 |
315 |
Ⅰ20 Ⅱ30 |
10-φ14 12-φ14 |
| DJ,LDJ35A |
334 |
17 |
20 |
5 |
6 |
170 |
200 |
230 |
6-M10 (6-M12) |
260 |
320 |
360 |
Ⅰ20 Ⅱ30 |
10-φ14 12-φ14 |
| DJ,LDJ40AB |
334 |
17 |
20 |
4 |
6 |
200 230 |
230 260 |
260 290 |
6-M10 6-M12 |
260 |
320 |
360 |
Ⅰ20 Ⅱ30 |
10-φ14 12-φ14 |
| DJ,LDJ45A |
338 |
20 |
20 |
5 |
6 |
200 |
230 |
260 |
6-M10 (6-M12) |
260 |
320 |
360 |
Ⅰ20 Ⅱ30 |
10-φ14 12-φ14 |
| DJ,LDJ55AB |
372 |
22 |
24 |
6 5 |
6 |
270 |
310 305 |
340 |
6-M10 8-M16 |
325 |
400 |
435 |
30 |
12-φ14 |
| DJ,LDJ65A |
447 |
22 |
24 |
6 |
6 |
316(320) |
360 |
400 |
8-M12 (8-M16) |
350 |
420 |
460 |
30 |
12-φ18 |
| DJ,LDJ70AB |
447 |
22 |
24 |
6 5 |
6 |
316(320) 320 |
360 |
400 |
8-M12 (8-M16) |
350 |
420 |
460 |
30 |
12-φ18 |
| DJ,LDJ80AB |
495 |
22 |
28 |
6 5 |
8 |
345 360 |
390 410 |
430 460 |
8-M16 (8-M20) |
380 |
455 |
495 |
30 |
12-φ18 |
| DJ,LDJ90A |
519 |
22 |
28 |
7 |
8 |
400 |
450 |
490 |
12-M16 (12-M20) |
430 |
510 |
555 |
30 |
12-φ23 |
| DJ,LDJ100AB |
535 |
25 |
28 |
9 5 |
10 |
455(460) 470 |
520 |
580 |
12-M20 |
480 |
560 |
600 |
22.5 |
16-φ23 |
| DJ,LDJ110AB |
660 |
30 |
25 |
11 6 |
10 |
520 |
590 |
650 |
12-M20 |
560 |
650 |
700 |
22.5 |
16-φ27 |
| DJ,LDJ120A |
660 |
30 |
38 |
11 |
10 |
520 |
590 |
650 |
12-M20 |
560 |
650 |
700 |
22.5 |
16-φ27 |
| DJ,LDJ130AB |
790 |
45 |
40 |
12 9 |
10 |
680 |
800 |
880 |
12-M30 |
720 |
810 |
880 |
18 |
20-φ27 |
| DJ,LDJ140A |
790 |
45 |
40 |
12 9 |
12 |
680 |
800 |
880 |
12-M30 |
720 |
810 |
880 |
18 |
20-φ27 |
| DJ,LDJ150 |
790 |
45 |
45 |
14 10 |
12 |
820 |
940 |
1020 |
16-M30 |
840 |
940 |
1020 |
22.5 |
16-φ33 |
| DJ,LDJ160 |
810 |
50 |
50 |
14 10 |
12 |
820 |
940 |
1020 |
16-M30 |
840 |
940 |
1020 |
22.5 |
16-φ33 |
| DJ,LDJ180 |
910 |
55 |
50 |
14 10 |
12 |
960 |
1080 |
1160 |
20-M30 |
970 |
1080 |
1160 |
18 |
20-φ33 |
| 型号 |
搅拌轴轴端尺寸 |
DJ型 |
LDJ型 |
| h(A/B) |
h0 |
h1 |
h2 |
h3 |
h4 |
h5 |
h6 |
d0 |
d1 |
d2 |
M1 |
d3(h9) |
zd4 |
b |
b1 |
b2 |
t |
t1 |
t2 |
H |
重量kg |
H |
重量kg |
| DJ,LDJ30AB |
250/254 |
53 |
103 |
3 |
13 |
22 |
30 |
3 |
30 |
32 |
32.8 |
M35×1.5 |
35 |
40 |
8 |
6 |
6 |
26 |
31 |
31.5 |
550 |
46 |
700 |
54 |
| DJ,LDJ35A |
253 |
53 |
113 |
3 |
15 |
24 |
40 |
3 |
35 |
42 |
42.8 |
M45×1.5 |
45 |
50 |
10 |
6 |
6 |
30 |
41 |
41.5 |
600 |
79 |
750 |
89 |
| DJ,LDJ40AB |
242/249 |
69 |
113 |
3 |
15 |
24 |
40 |
3 |
40 |
42 |
42.8 |
M45×1.5 |
45 |
50 |
12 |
6 |
6 |
35 |
41 |
41.5 |
600 |
79 |
750 |
89 |
| DJ,LDJ45A |
246 |
69 |
113 |
3 |
15 |
28 |
40 |
3 |
45 |
47 |
47.8 |
M50×1.5 |
50 |
65 |
14 |
8 |
8 |
39.5 |
46 |
46 |
600 |
84 |
750 |
94 |
| DJ,LDJ55AB |
274/272 |
80 |
118 |
4 |
15 |
27 |
40 |
3 |
55 |
57 |
57 |
M60×2 |
60 |
65 |
16 |
8 |
8 |
49 |
56 |
56 |
660 |
151 |
760 |
157 |
| DJ,LDJ65A |
333 |
87 |
143 |
4 |
18 |
32 |
50 |
3 |
65 |
71 |
72 |
M75×2 |
75 |
80 |
18 |
10 |
10 |
58 |
69 |
70 |
720 |
171 |
870 |
181 |
| DJ,LDJ70AB |
333/327 |
87 |
143 |
4 |
18 |
32 |
50 |
3 |
70 |
71 |
72 |
M75×2 |
75 |
80 |
20 |
10 |
10 |
62.5 |
69 |
70 |
720 |
171 |
870 |
181 |
| DJ,LDJ80AB |
371/340 |
91 |
163 |
4 |
18 |
32 |
60 |
3 |
80 |
81 |
82 |
M85×2 |
85 |
90 |
22 |
10 |
10 |
71 |
79 |
80 |
785 |
209 |
935 |
219 |
| DJ,LDJ90A |
375 |
125 |
168 |
4 |
20 |
36 |
60 |
3 |
90 |
91 |
92 |
M95×2 |
95 |
4110 |
25 |
12 |
12 |
81 |
89 |
90 |
805 |
266 |
955 |
276 |
| DJ,LDJ100AB |
386/360 |
134 |
178 |
4 |
24 |
42 |
60 |
3 |
100 |
111 |
112 |
M115×2 |
115 |
125 |
28 |
14 |
14 |
90 |
109 |
109.5 |
820 |
347 |
1020 |
362 |
| DJ,LDJ110A |
456 |
155 |
178 |
4 |
24 |
42 |
60 |
3 |
110 |
112 |
112 |
M115×2 |
115 |
125 |
28 |
14 |
14 |
100 |
108 |
109.5 |
1100 |
533 |
1150 |
537 |
| DJ,LDJ120A |
456 |
155 |
178 |
4 |
24 |
42 |
60 |
3 |
120 |
122 |
122 |
M125×2 |
125 |
140 |
32 |
14 |
14 |
109 |
119 |
119.5 |
1100 |
553 |
1150 |
557 |
| DJ,LDJ130AB |
570/570 |
197 |
208 |
4 |
28 |
46 |
70 |
3 |
130 |
135 |
137 |
M140×2 |
140 |
150 |
32 |
14 |
14 |
119 |
132 |
134.5 |
1200 |
723 |
1400 |
754 |
| DJ,LDJ140A |
570 |
197 |
208 |
4 |
28 |
48 |
70 |
3 |
140 |
145 |
147 |
M150×2 |
150 |
160 |
36 |
16 |
16 |
128 |
142 |
144 |
1200 |
743 |
1400 |
774 |
| DJ,LDJ150 |
根据减 速机型 号而定 |
210 |
208 |
4 |
32 |
52 |
70 |
3 |
150 |
155 |
156 |
M160×3 |
160 |
170 |
36 |
16 |
16 |
138 |
152 |
154 |
1200 |
765 |
1400 |
798 |
| DJ,LDJ160 |
210 |
227 |
4 |
32 |
52 |
80 |
3 |
160 |
165 |
166 |
M170×3 |
170 |
180 |
40 |
16 |
16 |
147 |
162 |
164 |
1200 |
780 |
1400 |
820 |
| DJ,LDJ180 |
235 |
242 |
4 |
36 |
58 |
90 |
3 |
180 |
185 |
186 |
M190×3 |
190 |
200 |
45 |
18 |
18 |
165 |
180 |
182 |
1280 |
887 |
1400 |
933 |
注:图示所“h”仅与本样本BLD、LC-Ⅱ、DC-Ⅱ系列减速机相配,如选用其他型号或其他厂家减速机,“h”需另行计算。增高后的LDJ型机架其下部空间高度可容纳205、206或207双端面机械密封。
|