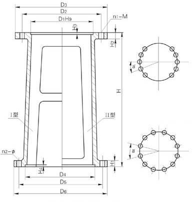
本系列机架可与各种立式摆线针轮减速机相配,可配套选用各种联轴器,若与齿轮减速机配套,连接尺寸由本公司自选调整,为安装双端面机械密封,配备LWJ、LDJ、LSJ等增高型,除LWJ的H值和LDJ、LSJ的H及H2值增大以外,其余尺寸均未变动。
号标定意义及示例
 |
|
| 接板形式A;配摆线针轮减速机B;配LC、DC齿轮减速机 |
| |
| 轴径(减速机输出轴直径) |
| 机架类型WJ、LWJ-无支点机架 DJ、LDJ、DXJ-单支点机架 SJ、LSJ-双支点机架。 |
注:WJ型、DJ型、DXJ型-30A/B、35A、40B、45A四种机架底面为Ⅰ型和Ⅱ型(Ⅰ型不须标柱,Ⅱ型须在型号后面注Ⅱ、Ⅱ型a°=30°,n2-φ为12-14)其余机架为Ⅱ型(不须标注)

WJ、LWJ型无支点机架主要参数及尺寸
| 机架代号 |
H1 |
H2 |
H3 |
H4 |
输入端接口 |
输出端接口 |
WJ型 |
LWJ型 |
| D1 |
D2 |
D3 |
n1-M |
D4 |
D5 |
D6 |
a° |
n2-φ |
H |
重量(kg) |
H |
重量(kg) |
WJ A 30 LWJ B |
20 |
15 |
4
4 |
6 |
140
200 |
160
230 |
190
260 |
4-M10
6-M12 |
240 |
285 |
315 |
Ⅰ20
Ⅱ30 |
10-φ14
12-φ14 |
450 |
34 |
600 |
43 |
WJ A 35 LWJ B |
24 |
15 |
5 |
6 |
170
|
200 |
230 |
6-M10
6-M12 |
260 |
320 |
360 |
Ⅰ20
Ⅱ30 |
10-φ14
12-φ14 |
500 |
46 |
650 |
54 |
WJ A 40 LWJ B |
24 |
15 |
4 |
6 |
200
230 |
230
260 |
260
290 |
6-M10
6-M12 |
260 |
320 |
360 |
Ⅰ20
Ⅱ30 |
10-φ14
12-φ14 |
500 |
46 |
650 |
54 |
WJ A 45 LWJ B |
24 |
15 |
5 |
6 |
200 |
230 |
260 |
6-M10
6-M12 |
260 |
320 |
360 |
Ⅱ20
Ⅱ30 |
10-φ14
12-φ14 |
500 |
49 |
650 |
57 |
WJ A 55 LWJ B |
30 |
20 |
6
5 |
6 |
270 |
310
305 |
340 |
6-M10
8-M16 |
325 |
400 |
435 |
30 |
12-φ14 |
540 |
75 |
690 |
83 |
WJ 65A LWJ |
34 |
20 |
6 |
6 |
316 |
360 |
400 |
8-M12
8-M16 |
350 |
420 |
460 |
30 |
12-φ18 |
600 |
96 |
750 |
107 |
WJ A 70 LWJ B |
34 |
20 |
6
5 |
6 |
316(320)
320 |
360 |
400 |
8-M12
8-M16 |
350 |
420 |
460 |
30 |
12-φ18 |
600 |
96 |
750 |
107 |
WJ A 80 LWJ B |
38 |
25 |
6
5 |
8 |
345
360 |
390
410 |
430
460 |
8-M16
8-M20 |
380 |
455 |
495 |
30 |
12-φ18 |
640 |
130 |
790 |
139 |
WJ A 90 LWJ B |
40 |
25 |
7 |
8 |
400 |
450 |
490 |
12-M16
12-M20 |
430 |
510 |
555 |
30 |
12-φ23 |
660 |
168 |
860 |
183 |
WJ A 100 LWJ B |
40 |
25 |
9
5 |
10 |
455(460)
470 |
520 |
580 |
12-M20 |
480 |
560 |
600 |
22.5 |
165-φ23 |
700 |
205 |
900 |
224 |
WJ A 110 120A LWJ B |
40 |
30 |
11 6 |
10 |
520 |
590 |
650 |
12-M20 |
560 |
650 |
700 |
22.5 |
16-φ27 |
800 |
257 |
1000 |
274 |
WJ A 130 140A LWJ B |
44 |
30 |
11 9 |
10 |
680 |
800 |
880 |
12-M30 |
720 |
810 |
880 |
18 |
20-φ27 |
900 |
318 |
1200 |
365 |
WJ A A 150 160 LWJ B B |
50 |
35 |
14 10 |
12 |
820 |
940 |
1020 |
16-M30 |
840 |
940 |
1020 |
22.5 |
16-φ33 |
1000 |
420 |
1300 |
480 |
WJ A 180 LWJ B |
55 |
40 |
14 10 |
12 |
960 |
1080 |
1160 |
20-M30 |
970 |
1080 |
1160 |
18 |
20-φ33 |
1100 |
560 |
1400 |
630 |
注:增高后的LWJ型机架,其内部中间高度可同时容纳207型双端面机械密封及SF型三分式联轴器。
WJ、LWJ型无支点机架主要参数及尺寸
| 机架代号 |
H1 |
H2 |
H3 |
H4 |
输入端接口 |
输出端接口 |
WJ型 |
LWJ型 |
| D1 |
D2 |
D3 |
n1-M |
D4 |
D5 |
D6 |
a° |
n2-φ |
H |
重量(kg) |
H |
重量(kg) |
WJ A 30 LWJ B |
20 |
15 |
4
4 |
6 |
140
200 |
160
230 |
190
260 |
4-M10
6-M12 |
240 |
285 |
315 |
Ⅰ20
Ⅱ30 |
10-φ14
12-φ14 |
450 |
34 |
600 |
43 |
WJ A 35 LWJ B |
24 |
15 |
5 |
6 |
170
|
200 |
230 |
6-M10
6-M12 |
260 |
320 |
360 |
Ⅰ20
Ⅱ30 |
10-φ14
12-φ14 |
500 |
46 |
650 |
54 |
WJ A 40 LWJ B |
24 |
15 |
4 |
6 |
200
230 |
230
260 |
260
290 |
6-M10
6-M12 |
260 |
320 |
360 |
Ⅰ20
Ⅱ30 |
10-φ14
12-φ14 |
500 |
46 |
650 |
54 |
WJ A 45 LWJ B |
24 |
15 |
5 |
6 |
200 |
230 |
260 |
6-M10
6-M12 |
260 |
320 |
360 |
Ⅱ20
Ⅱ30 |
10-φ14
12-φ14 |
500 |
49 |
650 |
57 |
WJ A 55 LWJ B |
30 |
20 |
6
5 |
6 |
270 |
310
305 |
340 |
6-M10
8-M16 |
325 |
400 |
435 |
30 |
12-φ14 |
540 |
75 |
690 |
83 |
WJ 65A LWJ |
34 |
20 |
6 |
6 |
316 |
360 |
400 |
8-M12
8-M16 |
350 |
420 |
460 |
30 |
12-φ18 |
600 |
96 |
750 |
107 |
WJ A 70 LWJ B |
34 |
20 |
6
5 |
6 |
316(320)
320 |
360 |
400 |
8-M12
8-M16 |
350 |
420 |
460 |
30 |
12-φ18 |
600 |
96 |
750 |
107 |
WJ A 80 LWJ B |
38 |
25 |
6
5 |
8 |
345
360 |
390
410 |
430
460 |
8-M16
8-M20 |
380 |
455 |
495 |
30 |
12-φ18 |
640 |
130 |
790 |
139 |
WJ A 90 LWJ B |
40 |
25 |
7 |
8 |
400 |
450 |
490 |
12-M16
12-M20 |
430 |
510 |
555 |
30 |
12-φ23 |
660 |
168 |
860 |
183 |
WJ A 100 LWJ B |
40 |
25 |
9
5 |
10 |
455(460)
470 |
520 |
580 |
12-M20 |
480 |
560 |
600 |
22.5 |
165-φ23 |
700 |
205 |
900 |
224 |
WJ A 110 120A LWJ B |
40 |
30 |
11 6 |
10 |
520 |
590 |
650 |
12-M20 |
560 |
650 |
700 |
22.5 |
16-φ27 |
800 |
257 |
1000 |
274 |
WJ A 130 140A LWJ B |
44 |
30 |
11 9 |
10 |
680 |
800 |
880 |
12-M30 |
720 |
810 |
880 |
18 |
20-φ27 |
900 |
318 |
1200 |
365 |
WJ A A 150 160 LWJ B B |
50 |
35 |
14 10 |
12 |
820 |
940 |
1020 |
16-M30 |
840 |
940 |
1020 |
22.5 |
16-φ33 |
1000 |
420 |
1300 |
480 |
WJ A 180 LWJ B |
55 |
40 |
14 10 |
12 |
960 |
1080 |
1160 |
20-M30 |
970 |
1080 |
1160 |
18 |
20-φ33 |
1100 |
560 |
1400 |
630 |
注:增高后的LWJ型机架,其内部中间高度可同时容纳207型双端面机械密封及SF型三分式联轴器。