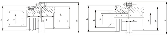
GICLZ型鼓形齿式联轴器(JB/ZQ4223-86)


GICLZ型鼓形齿式联轴器基本参数和主要尺寸
| 型号 |
公称扭矩 Tn (N·m) |
许用转速 [n] (r/min) |
轴孔直径 |
轴孔长度 |
D |
D1 |
D2 |
D3 |
C |
转动惯量 kg·m2 |
重量 kg |
| d |
d |
Y |
| L |
| GICLZ1 |
630 |
4000 |
16 18 19 |
16 18 19 |
42 |
125 |
95 |
60 |
80 |
20 |
0.0084 |
5.4 |
| 20 22 24 |
20 22 24 |
52 |
10 |
| 25 28 |
25 28 |
62 |
2.5 |
| 30 32 35 38 |
30 32 35 38 |
82 |
| |
40 42 45 48 50 |
112 |
| GICLZ2 |
1120 |
25 28 |
25 28 |
62 |
144 |
120 |
75 |
95 |
10.5 |
0.018 |
9.2 |
| 30 32 35 38 |
30 32 35 38 |
82 |
2.5 |
| 40 42 45 48 |
40 42 45 48 50 55 56 |
112 |
| |
60 |
142 |
| GICLZ3 |
2240 |
30 32 35 38 |
30 32 35 38 |
82 |
174 |
140 |
95 |
115 |
3 |
0.0427 |
16.4 |
| 40 42 45 48 50 55 56 |
40 42 45 48 50 55 56 |
112 |
| 60 |
60 63 65 70 |
142 |
| GICLZ4 |
3550 |
3600 |
32 35 38 |
32 35 38 |
82 |
196 |
65 |
115 |
130 |
14 |
0.076 |
22.7 |
| 40 42 45 48 50 55 56 |
40 42 45 48 50 55 56 |
112 |
3 |
| 60 63 65 70 |
60 63 65 70 71 75 |
142 |
| |
80 |
172 |
| GICLZ5 |
5000 |
3300 |
40 42 45 48 50 55 56 |
40 42 45 48 50 55 56 |
112 |
224 |
183 |
130 |
150 |
3 |
0.0149 |
36.2 |
| 60 63 68 70 71 75 |
60 63 65 70 71 75 |
142 |
| 80 |
80 85 90 |
172 |
| GICLZ6 |
7100 |
3000 |
48 50 55 56 |
48 50 55 56 |
112 |
241 |
200 |
145 |
170 |
6 |
0.24 |
46.2 |
| 60 63 65 70 71 75 |
60 63 65 70 71 75 |
142 |
4 |
| 80 85 90 |
80 85 90 95 |
172 |
| |
100 |
212 |
| GICLZ7 |
10000 |
2680 |
60 63 65 70 71 75 |
60 63 65 70 71 75 |
142 |
260 |
230 |
160 |
195 |
4 |
0.43 |
68.4 |
| 80 85 90 95 |
80 85 90 95 |
172 |
| 100 |
100 110 120 |
212 |
| GICLZ8 |
14000 |
2500 |
65 70 71 75 |
65 70 71 75 |
142 |
282 |
245 |
175 |
210 |
5 |
0.61 |
81.1 |
| 80 85 90 95 |
130 140 |
172 |
| 100 110 |
100 110 120 125 |
212 |
| |
130 |
252 |
| GICLZ9 |
18000 |
2350 |
70 71 75 |
70 71 75 |
142 |
314 |
270 |
200 |
225 |
10 |
0.94 |
100.1 |
| 80 85 90 95 |
80 85 90 95 |
172 |
5 |
| 100 110 120 125 |
100 110 120 125 |
212 |
| |
130 140 |
252 |
| GICLZ10 |
31500 |
2150 |
80 85 90 95 |
80 85 90 95 |
172 |
346 |
300 |
220 |
250 |
5 |
1.67 |
147.1 |
| 100 110 120 125 |
100 110 120 125 |
212 |
| 130 140 |
130 140 150 |
252 |
| |
160 |
302 |
| GICLZ11 |
40000 |
1880 |
100 110 120 125 |
100 110 120 125 |
212 |
380 |
220 |
260 |
285 |
6 |
2.98 |
206.3 |
| 130 140 150 |
130 140 150 |
252 |
| 160 |
160 170 180 |
302 |
| GICLZ12 |
56000 |
1680 |
120 125 |
120 125 |
212 |
442 |
380 |
290 |
325 |
6 |
5.31 |
284.5 |
| 130 140 150 |
130 140 150 |
252 |
| 160 170 180 |
160 170 180 |
302 |
| |
190 200 |
352 |
| GICLZ13 |
80000 |
1530 |
140 150 |
140 150 |
252 |
482 |
420 |
320 |
360 |
7 |
9.16 |
402.0 |
| 160 170 180 |
160 170 180 |
302 |
| 190 200 |
190 200 220 |
352 |
| GICLZ14 |
112000 |
1300 |
160 170 180 |
160 170 180 |
302 |
520 |
465 |
360 |
410 |
8 |
15.92 |
582.2 |
| 190 200 220 |
190 200 220 |
352 |
| |
240 250 |
410 |
| GICLZ15 |
160000 |
1180 |
190 200 220 |
190 200 220 |
352 |
580 |
510 |
400 |
450 |
10 |
25.8 |
778.2 |
| 240 250 |
240 250 260 |
410 |
| |
280 |
470 |
| GICLZ16 |
250000 |
1000 |
200 220 |
200 220 |
352 |
680 |
595 |
465 |
500 |
10 |
46.89 |
1071.0 |
| 240 250 260 |
240 250 260 |
410 |
| 280 |
280 300 320 |
470 |
| GICLZ17 |
280000 |
980 |
220 |
220 |
352 |
720 |
645 |
495 |
530 |
10 |
60.59 |
1210 |
| 240 250 260 |
240 250 260 |
410 |
| 280 300 |
280 300 320 |
470 |
| GICLZ18 |
355000 |
900 |
240 25 260 |
240 250 260 |
410 |
775 |
675 |
520 |
540 |
10 |
81.75 |
1475 |
| 280 300 320 |
280 300 320 |
470 |
| |
340 |
550 |
| GICLZ19 |
450000 |
830 |
260 |
260 |
410 |
815 |
715 |
560 |
580 |
10 |
101.57 |
1603 |
| 280 300 320 |
280 300 320 |
470 |
| 340 |
340 360 |
550 |
| GICLZ20 |
500000 |
790 |
280 300 320 |
280 300 320 |
470 |
855 |
755 |
585 |
600 |
13 |
140.03 |
2033 |
| 340 360 |
340 360 380 |
550 |
| GICLZ21 |
63000 |
750 |
300 320 |
300 320 |
470 |
915 |
795 |
620 |
640 |
13 |
183.49 |
2385 |