|
产品展示
联系我们
地址:无锡市钱桥工业园
手机: 18168892286 传真:0510-82628805
|
|
产品展示
PRODUCT
当前位置:首页 > 产品展示
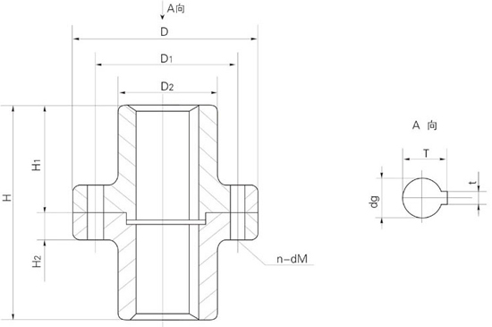
GT型凸缘联轴器


GT型刚性凸缘联轴器主要尺寸
| 标定符号 |
孔径 dg(H7) |
Mmax (Nm) |
主要尺寸 |
重量(kg) |
| D |
D1 |
D2 |
H |
H1 |
H2 |
n-dM |
T |
t |
| GT-30 |
30 |
500 |
115 |
90 |
65 |
112 |
54 |
18 |
4-M10 |
33.3 |
8 |
7 |
| GT-35 |
35 |
900 |
115 |
90 |
65 |
112 |
54 |
18 |
4-M10 |
38.3 |
10 |
10 |
| GT-40 |
40 |
1600 |
150 |
120 |
100 |
144 |
70 |
20 |
4-M12 |
43.3 |
12 |
16 |
| GT-45 |
45 |
1600 |
150 |
120 |
100 |
144 |
70 |
20 |
4-M12 |
48.8 |
14 |
16 |
| GT-50 |
50 |
2000 |
170 |
140 |
115 |
165 |
80 |
21 |
4-M12 |
53.8 |
14 |
20 |
| GT-55 |
55 |
2000 |
170 |
140 |
115 |
165 |
80 |
21 |
4-M12 |
59.3 |
16 |
20 |
| GT-65 |
65 |
4000 |
200 |
160 |
125 |
185 |
87 |
24 |
4-M16 |
69.4 |
18 |
35 |
| GT-70 |
70 |
4000 |
200 |
160 |
125 |
185 |
87 |
24 |
4-M16 |
74.9 |
20 |
35 |
| GT-80 |
80 |
7500 |
200 |
160 |
130 |
190/255 |
92/125 |
26 |
4-M16 |
85.4 |
22 |
50 |
| GT-90 |
90 |
9000 |
240 |
200 |
150 |
255 |
125 |
28 |
6-M16 |
95.4 |
25 |
75 |
| GT-95 |
95 |
9000 |
240 |
200 |
150 |
255 |
125 |
28 |
6-M16 |
100.4 |
25 |
75 |
| GT-100 |
100 |
12000 |
240 |
200 |
165 |
264 |
134 |
32 |
6-M16 |
106.4 |
28 |
110 |
| GT-110 |
110 |
18000 |
255 |
220 |
180 |
312 |
155 |
32 |
6-M18 |
116.4 |
28 |
130 |
| GT-120 |
120 |
18000 |
255 |
220 |
180 |
312 |
155 |
32 |
6-M18 |
127.4 |
32 |
155 |
| GT-130 |
130 |
28000 |
340 |
280 |
220 |
399 |
197 |
34 |
6-M18 |
137.4 |
32 |
240 |
| GT-140 |
140 |
28000 |
340 |
280 |
220 |
399 |
197 |
34 |
6-M18 |
148.4 |
36 |
272 |
| GT-150 |
150 |
29000 |
380 |
320 |
250 |
450 |
206 |
45 |
8-M20 |
158.4 |
36 |
302 |
| GT-160 |
160 |
29000 |
390 |
330 |
260 |
450 |
206 |
45 |
8-M20 |
169.4 |
40 |
325 |
| GT-180 |
180 |
31000 |
425 |
360 |
300 |
610 |
320 |
50 |
8-M24 |
190.4 |
45 |
365 |
| GT-200 |
200 |
33750 |
440 |
380 |
310 |
610 |
320 |
55 |
8-M24 |
210.4 |
45 |
392 |
|