|
产品展示
联系我们
地址:无锡市钱桥工业园
手机: 18168892286 传真:0510-82628805
|
|
产品展示
PRODUCT
当前位置:首页 > 产品展示
JA型联轴器


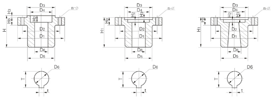
1、JA型凸联轴器主要尺寸
| JA型直孔联轴(上) |
D1 |
D2 |
D3 |
D4 |
D5 |
D6(H7) |
H |
H0 |
H2 |
T |
t |
n-φ |
| JA0 |
115 |
96 |
60 |
45 |
70 |
30 |
55 |
19 |
18 |
33.3 |
8 |
4-12 |
| JA1 |
140 |
110 |
60 |
50 |
80 |
35 |
73 |
15 |
18 |
38.3 |
10 |
4-13.5 |
| JA2 |
160 |
120 |
85 |
70 |
95 |
45 |
90 |
20 |
20 |
48.3 |
14 |
4-13.5 |
| JA3 |
180 |
150 |
100 |
80 |
100 |
55 |
110 |
22 |
28 |
59.3 |
16 |
4-17.5 |
| JA4 |
200 |
165 |
110 |
90 |
125 |
70 |
136 |
28 |
29 |
74.9 |
20 |
4-17.5 |
| JA5 |
230 |
190 |
150 |
115 |
150 |
90 |
157 |
36 |
25 |
95.4 |
25 |
6-17.5 |
| JA6 |
240 |
200 |
140 |
120 |
170 |
100 |
173 |
36 |
30 |
106.4 |
28 |
6-17.5 |
| JA7 |
290 |
250 |
150 |
130 |
180 |
110 |
190 |
36 |
40 |
116.4 |
28 |
6-27 |
| JA8 |
350 |
290 |
180 |
150 |
210 |
130 |
250 |
38 |
40 |
117.4 |
32 |
8-27 |
2、JA型凹直孔联轴器主要尺寸
| JA型直孔联轴(下) |
D1 |
D2 |
D3 |
D4 |
D5 |
D6(H7) |
H |
H0 |
H2 |
T |
t |
n-φ |
| JA0 |
115 |
96 |
60 |
45 |
70 |
30 |
55 |
20 |
13 |
33.3 |
8 |
4-12 |
| JA1 |
140 |
110 |
60 |
50 |
80 |
35 |
75 |
15 |
18 |
38.3 |
10 |
4-13.5 |
| JA2 |
160 |
120 |
85 |
70 |
95 |
45 |
90 |
20 |
20 |
48.3 |
14 |
4-13.5 |
| JA3 |
180 |
150 |
100 |
80 |
100 |
55 |
110 |
23 |
28 |
59.3 |
16 |
4-17.5 |
| JA4 |
200 |
165 |
110 |
90 |
125 |
70 |
130 |
32 |
29 |
74.9 |
20 |
4-17.5 |
| JA5 |
230 |
190 |
150 |
115 |
150 |
90 |
150 |
40 |
25 |
95.4 |
25 |
6-17.5 |
| JA6 |
240 |
200 |
140 |
120 |
170 |
100 |
170 |
38 |
30 |
106.4 |
28 |
6-17.5 |
| JA7 |
290 |
250 |
150 |
130 |
180 |
110 |
185 |
36 |
40 |
116.4 |
28 |
6-27 |
| JA8 |
350 |
290 |
180 |
150 |
210 |
130 |
245 |
38 |
40 |
117.4 |
32 |
8-27 |
3、JA型凹锥孔联轴器主要尺寸(锥主1:20)
| JA型直孔联轴(下) |
D1 |
D2 |
D3 |
D4 |
D5 |
D6(H7) |
H |
H0 |
H2 |
T |
t |
n-φ |
| JA1 |
140 |
110 |
60 |
50 |
80 |
35 |
75 |
15 |
20 |
38.3 |
10 |
4-13.5 |
| JA2 |
160 |
120 |
85 |
70 |
95 |
50 |
90 |
50 |
25 |
53.8 |
14 |
4-13.5 |
| JA3 |
180 |
150 |
100 |
80 |
100 |
60 |
110 |
23 |
25 |
64.4 |
18 |
4-17.5 |
| JA4 |
200 |
165 |
110 |
90 |
125 |
70 |
130 |
32 |
35 |
74.9 |
20 |
4-17.5 |
| JA5 |
230 |
190 |
150 |
115 |
150 |
85 |
150 |
40 |
35 |
90.4 |
25 |
4-17.5 |
| JA6 |
240 |
200 |
140 |
120 |
170 |
100 |
170 |
38 |
40 |
106.4 |
28 |
6-17.5 |
| JA7 |
290 |
250 |
150 |
130 |
180 |
110 |
185 |
36 |
40 |
116.4 |
28 |
6-27 |
| JA8 |
350 |
290 |
180 |
150 |
210 |
130 |
245 |
38 |
40 |
117.4 |
32 |
8-27 |
|