|
产品展示
联系我们
地址:无锡市钱桥工业园
手机: 18168892286 传真:0510-82628805
|
|
产品展示
PRODUCT
当前位置:首页 > 产品展示
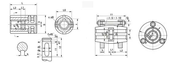
JQ、JQW、JJQ型夹壳式联轴器(HG5-213-65)

1、JQ、JQW型夹壳联轴器主要尺寸
| 标定符号 |
孔径 |
Mmax |
D |
L |
L1 (H8/j7) |
L2 |
L0 |
n-d0 |
d1 (H11/h11) |
d2 (H11) |
a1 (H11) |
b1 |
l1 |
l2 |
R |
f |
b |
t |
重量(kg) |
| JQ-25 |
25 |
90 |
95 |
110 |
20 |
45 |
58 |
4-12 |
32 |
20 |
5 |
4 |
35 |
60 |
0.2 |
0.4 |
8 |
28.3 |
4.47 |
| JQ-30 |
30 |
90 |
102 |
130 |
20 |
55 |
64 |
4-14 |
38 |
25 |
5 |
4 |
45 |
70 |
0.2 |
0.4 |
8 |
33.3 |
4.47 |
| JQ-35 |
35 |
236 |
118 |
162 |
20 |
71 |
80 |
6-14 |
43 |
30 |
5 |
4 |
55 |
85 |
0.4 |
0.6 |
10 |
38.3 |
7.60 |
| JQ-40 |
40 |
236 |
118 |
162 |
20 |
71 |
80 |
6-14 |
48 |
35 |
5 |
6 |
55 |
85 |
0.4 |
0.6 |
12 |
43.3 |
7.60 |
| JQ-45 |
45 |
530 |
135 |
190 |
24 |
83 |
94 |
6-14 |
57 |
37 |
6 |
5 |
70 |
100 |
0.4 |
0.6 |
14 |
48.8 |
10.85 |
| JQ-50 |
50 |
530 |
135 |
190 |
24 |
83 |
94 |
6-14 |
62 |
42 |
6 |
5 |
70 |
100 |
0.4 |
0.6 |
14 |
53.8 |
10.85 |
| JQ-55 |
55 |
530 |
135 |
190 |
24 |
83 |
94 |
6-14 |
67 |
47 |
6 |
5 |
70 |
100 |
0.6 |
1 |
16 |
59.3 |
10.85 |
| JQ-60 |
60 |
1400 |
172 |
250 |
30 |
110 |
124 |
8-18 |
73 |
50 |
8 |
6 |
100 |
130 |
0.6 |
1 |
18 |
64.4 |
25.06 |
| JQ-65 |
65 |
1400 |
172 |
250 |
30 |
110 |
124 |
8-18 |
78 |
55 |
8 |
6 |
100 |
130 |
0.6 |
1 |
18 |
69.4 |
25.06 |
| JQ-70 |
70 |
1400 |
172 |
250 |
30 |
110 |
124 |
8-18 |
83 |
60 |
8 |
6 |
100 |
130 |
0.6 |
1 |
20 |
74.9 |
25.06 |
| JQ-80 |
80 |
2650 |
185 |
280 |
38 |
131 |
138 |
8-18 |
94 |
7 |
10 |
8 |
110 |
145 |
0.6 |
1 |
22 |
85.4 |
30.16 |
| JQ-85 |
85 |
2650 |
185 |
280 |
38 |
121 |
138 |
8-18 |
99 |
75 |
10 |
8 |
110 |
145 |
0.6 |
1 |
22 |
90.4 |
30.16 |
| JQ-90 |
90 |
5200 |
230 |
330 |
38 |
146 |
164 |
8-23 |
105 |
80 |
10 |
8 |
140 |
170 |
0.6 |
1 |
25 |
95.4 |
56.38 |
| JQ-95 |
95 |
5200 |
230 |
330 |
38 |
146 |
164 |
8-23 |
110 |
85 |
10 |
8 |
140 |
170 |
0.6 |
1 |
25 |
100.4 |
56.38 |
| JQ-100 |
100 |
5200 |
230 |
330 |
38 |
146 |
164 |
8-23 |
115 |
90 |
10 |
8 |
140 |
170 |
0.6 |
1 |
28 |
106.4 |
56.38 |
| JQ-105 |
105 |
5200 |
230 |
330 |
38 |
146 |
164 |
8-23 |
120 |
95 |
10 |
8 |
140 |
170 |
0.6 |
1 |
28 |
111.4 |
56.38 |
| JQ-110 |
110 |
9000 |
260 |
390 |
46 |
172 |
190 |
8-23 |
125 |
100 |
12 |
10 |
160 |
200 |
0.6 |
1 |
28 |
116.4 |
90 |
| JQ-115 |
115 |
9000 |
260 |
390 |
46 |
172 |
190 |
8-23 |
130 |
105 |
12 |
10 |
160 |
200 |
0.6 |
1 |
32 |
122.4 |
90 |
| JQ-120 |
120 |
9000 |
260 |
390 |
46 |
172 |
190 |
8-23 |
135 |
110 |
12 |
10 |
160 |
200 |
0.6 |
1 |
32 |
127.4 |
90 |
| JQ-125 |
125 |
15000 |
280 |
440 |
54 |
193 |
210 |
10-23 |
140 |
115 |
14 |
12 |
180 |
225 |
0.6 |
1 |
32 |
132.4 |
125 |
| JQ-130 |
130 |
15000 |
280 |
440 |
54 |
193 |
210 |
10-23 |
146 |
118 |
14 |
12 |
180 |
225 |
0.6 |
1 |
32 |
137.4 |
125 |
| JQ-140 |
140 |
15000 |
300 |
440 |
54 |
193 |
230 |
10-23 |
158 |
128 |
14 |
12 |
180 |
225 |
0.6 |
1 |
36 |
148.4 |
125 |
| JQ-150 |
150 |
28000 |
340 |
500 |
64 |
218 |
260 |
10-33 |
170 |
134 |
16 |
14 |
200 |
255 |
0.6 |
1 |
36 |
158.4 |
215 |
| JQ-160 |
160 |
28000 |
340 |
500 |
64 |
218 |
260 |
10-33 |
180 |
144 |
16 |
14 |
200 |
255 |
0.6 |
1 |
40 |
169.4 |
215 |
| JQ-180 |
180 |
31000 |
380 |
560 |
72 |
244 |
300 |
10-33 |
200 |
162 |
18 |
16 |
240 |
285 |
1 |
1.5 |
45 |
190.4 |
350 |
| JQ-200 |
200 |
33750 |
420 |
640 |
80 |
280 |
340 |
10-33 |
220 |
182 |
20 |
18 |
270 |
325 |
1 |
1.5 |
45 |
210.4 |
516 |
注:JQW型为夹壳式联轴器是JQ型夹壳式联轴器取消息悬吊环,避免轴向重复定位的结构,可在单支点机架中使用。
2、JJQ型紧箍夹壳联轴器主要尺寸
| 轴径d |
25,30 |
35,40 |
45,50,55 |
65,70 |
80,85 |
90,95,100,105 |
110,115,1200 |
125,130,140 |
150,160 |
180,200 |
| Mmax |
180 |
560 |
900 |
1400 |
3150 |
5600 |
12500 |
18000 |
28000 |
35000 |
| D |
90 |
105 |
120 |
160 |
180 |
210 |
240 |
280 |
310 |
390 |
| D0 |
70 |
85 |
100 |
135 |
155 |
180 |
210 |
240 |
270 |
340 |
| D1 |
55 |
70 |
85 |
115 |
135 |
160 |
185 |
210 |
240 |
300 |
| h |
16 |
20 |
24 |
30 |
36 |
40 |
45 |
50 |
55 |
60 |
| L |
130 |
162 |
190 |
250 |
280 |
330 |
390 |
440 |
500 |
640 |
| L1 |
120 |
150 |
170 |
220 |
250 |
290 |
350 |
400 |
460 |
600 |
| d3 |
M10 |
M10 |
M10 |
M12 |
M12 |
M16 |
M16 |
M20 |
M20 |
M24 |
| 重量(kg) |
3.2 |
6.3 |
8.9 |
21 |
31 |
63 |
79 |
113 |
193 |
430 |
注:悬吊环及轴端的其它尺寸与JQ型夹壳轴器相同轴径尺寸相同。

|