您好!欢迎您进入江苏龙一诺机械制造有限公司官网!
设为主页 加入收藏 客户留言
服务热线
181-6889-2286
专业生产摆线针轮减速机减速电机齿轮减速机
网站首页 企业简介 产品展示 客户服务 新闻中心 技术资讯 联系我们  
产品展示
联系我们

地址:无锡市钱桥工业园

手机:
18168892286
传真:0510-82628805

产品展示

PRODUCT

当前位置:首页 > 产品展示

QJY型起重机用硬齿面减速器

QJY型起重机用硬齿面减速器

1、产品分类

  QJY系列减速器是因市场需求开发的硬齿面(渗碳、淬火齿面)起重机减速器,包括三大类12种基本型

  其结构见图1,其型式代号与主要参数见表1。

  2、性能特点:

  (1)齿轮均采用优质低碳合金钢、渗碳、淬火、齿轮精度6级。

  (2)精度高、效率高、传动平稳、噪音低,比调质齿轮减速器(QJ系列)体积小,重量轻,承载能力大

  性高。

  (3)焊接箱体结构。安装型式:三支点安装和地脚安装。

  (4)输出轴型式:平键,渐开线花键,齿轮轴端,空心轴四种。

  (5)-般采用油池润滑,自然冷却,立式减速器采用循环油润滑。

  (6)采用滚动轴承。

  应用范围:

  1输入转速一般n1≤1500r/min。

  2工作环境温度-40-+50℃。

  3正反两向运转。

  适用于各种类型起重机减速器选用。

  3、装配型式(见图2):

  ajYD2、OJYD3、QJYD23、OJYD34型采用地脚安装。

  CJJY2、QJY3、QJY23、QJY34型采用三支点支承安装(安装方式见图4)

  允许有卧式W或立式L两种方式(见图3)。

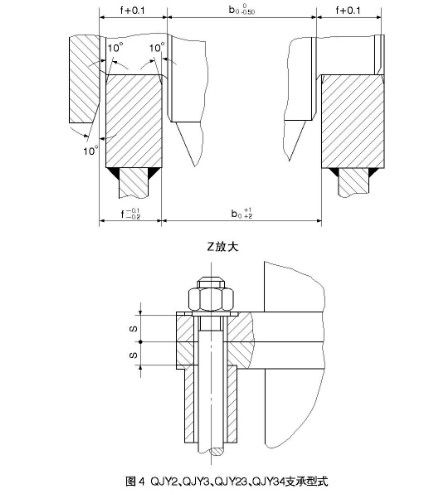
  注:a。角的度数与传动比有关,当减速器倾斜a角时,应保证使中间级大齿轮浸油1-2个齿高深度(αo具体数据由用户自定)。

  QJY2、QJY3、OJY23、QJY34型减速器支承型式见图4

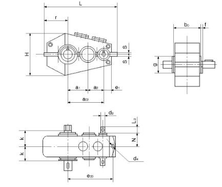
  外壳支座(结构举例)

  5、轴端型式

  高速轴端采用圆柱轴伸平键联接。

  输出轴端P-圆柱轴伸平键,单键联接;

  H-圆柱轴伸渐开线花键联接:

  c-齿轮轴端(仅用于中心距为236-560mm的减速器。)

  轴端结构型式和尺寸参数见图5和表2

  6、代号示例:

  三支点支承起重机减速器

  标记示例:

  起重机减速器三级传动,名义中心距ai=560mm,公称传动比50,装配型式第111种,输出轴端为齿轮轴端,卧式安装则标记为:QJY3560-50IIICW

  带底座起重机减速器

  标记示例

  起重机减速器二级传动,名义中心距a,=560mm,公称传动比i=20,第Ⅳ种装配型式,轴端型式为P型的标记为:QJYD2560-20ⅣP。

  带空心轴起重机减速器

  7、外形及安装尺寸

  (1)表3QJY2、QJYA2减速器外形及安装尺寸

  (2)表4QJY3、QJYA3减速器外形及安装尺寸

  (3)表5QJY23、QJYA23减速器外形及安装尺寸

TEL:18168892286

在线咨询

在线客服
网站首页    |    公司简介    |    新闻中心    |    产品展示    |    售后服务    |    联系我们

Copyright © 2017-2020 版权所有:江苏龙一诺机械制造有限公司 All Rights Reserved.
地址:无锡市钱桥工业园

传真:0510-82628805
手机:18168892286
网站:http://www.txjsjxs.com

苏ICP备15006862号-3