您好!欢迎您进入江苏龙一诺机械制造有限公司官网!
设为主页 加入收藏 客户留言
服务热线
181-6889-2286
专业生产摆线针轮减速机减速电机齿轮减速机
网站首页 企业简介 产品展示 客户服务 新闻中心 技术资讯 联系我们  
产品展示
联系我们

地址:无锡市钱桥工业园

手机:
18168892286
传真:0510-82628805

产品展示

PRODUCT

当前位置:首页 > 产品展示

ZD80.ZD100人字齿圆柱齿轮

ZD80.ZD100人字齿圆柱齿轮

主要用途

ZD80、ZD90、ZD100均为外啮合渐开线人字齿圆柱齿轮减速器,主要用于冶金、矿山、水泥建材机械等行业。

ZD80、ZD90、ZD100系列人字齿圆柱齿轮减速器主要技术规格

表一

主要零部件

1、高速轴材料采用42CrMo。

2、大齿轮由齿圈和轮芯组合而成,齿圈材料采用35SiMn,轮芯材料采用HT200°。

3、机盖、油池由A3钢板焊接而成。

4、机座采用HT200。

适用条件

1、减速器输入转速不高于750r/min。

2、减速器工作环境温度-40℃~+40℃。

3、减速器可用于正、反运转。

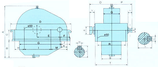
ZD80、ZD90、ZD100系列人字齿圆柱齿轮减速器吊运与安装

吊运与安装

1、起吊整机时,应用机体上的吊钩起吊,严禁用机盖上的吊钩起吊。

2、安装前应先浇好牢固的地脚,并保证整机处于水平状态。

3、外形尺寸如图及表二

表二

润滑

润滑方式采用油池飞溅润滑,润滑油采用120#~320#工业齿轮油,若需要采用特殊冷却装置时,则视油泵性能可采用10#或14#机油。

冷却

冷却方式有:油冷或油冷加循环水冷却,以及强冷。

装配形式及代号

ZD80、ZD90、ZD100系列人字齿圆柱齿轮减速器传动比

表四

代号
传动比
公称
实际
ZD80
ZD90
ZD100
1
4.5
4.515
4.515
4.516
2
5.0
4.891
4.891
4.897
3
5.6
5.577
5.577
5.577
4
6.3
6.435
6.435
6.435
5
7.1
7.143
7.143
7.143
6
6.3
6.297
6.300
6.308
TEL:18168892286

在线咨询

在线客服
网站首页    |    公司简介    |    新闻中心    |    产品展示    |    售后服务    |    联系我们

Copyright © 2017-2020 版权所有:江苏龙一诺机械制造有限公司 All Rights Reserved.
地址:无锡市钱桥工业园

传真:0510-82628805
手机:18168892286
网站:http://www.txjsjxs.com

苏ICP备15006862号-3