您好!欢迎您进入江苏龙一诺机械制造有限公司官网!
设为主页 加入收藏 客户留言
服务热线
181-6889-2286
专业生产摆线针轮减速机减速电机齿轮减速机
网站首页 企业简介 产品展示 客户服务 新闻中心 技术资讯 联系我们  
产品展示
联系我们

地址:无锡市钱桥工业园

手机:
18168892286
传真:0510-82628805

产品展示

PRODUCT

当前位置:首页 > 产品展示

SHD型减速器

SHD型减速器

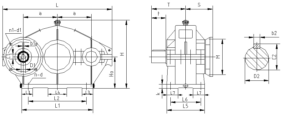
SHD型减速器外形尺寸,见图9、表11:

图9 SHD型减速器外形尺寸

表11   SHD型减速器外形尺寸

规格
中心尺寸
轮 廓 尺 寸
地  脚  螺  栓
输 入 尺 寸
低 速 轴 伸
参考电机 (机座号)
质量(不含电机)kg
a   Ho
H   L   L1  L5
d  n  k  L2  L3 L6 L7
D1  b1   c1   M  S n1 d1
D2  t  T  c2  b2
105
105  100
201 360 230 135
M12  4  18 160 60 105 40
14H7  4  16.3 145 95  4 12
19H7  6  21.8 165 101 4 12
32k6 58  125  35 10
63
80
35
125
125  115
258 410 270 140
M12  4  20 200 60 110 40
19H7  6  21.8 165 103.5 4 12
24H7  8  27.3 165 113.5 4 12
38k6 58  130  41 10
80
90
58
145
145  130
291 475 310 175
M16  4  25 220 60 130 50
24H7  8  27.3 165 121 4 12
28H7  8  31.3 215 131 4 15
28H7  8  31.3 215 131 4 15
48k6 82 160 51.5 14
90
100
112
69
175
175  165
367 585 370 200
M16  4  25 290 80 150 50
28H7  8  31.3 215 146 4 15
28H7  8  31.3 215 146 4 15
38H7  10 41.3 265 166 4 15
60m6 105 203 64 18
100
112
132
115
215
215  200
433 690 450 240
M20  4  30 380 100 185 65
28H7  8  31.3 215 146 4 15
38H7  10 41.3 265 181 4 15
42H7  12 45.3 300 211 4 19
75m6 105 215 79.5 20
112
132
160
210
255
255  230
493 810 530 260
M20  6  35 220 100 210 70
38H7  10 41.3 265 190 4 15
42H7  12 45.3 300 220 4 19
48H7  14 51.8 300 220 4 19
90m6 130 245 95 25
132
160
180
290
300
300  280
585 960 620 300
M24  6  40 255 120 235 80
42H7  12 45.3 300 220 4 15
48H7  14 51.8 300 220 4 19
55H7  16  59  350 233 4 19
110m6 165 315 116 28
160
180
200
500

上一篇: SH型减速器

下一篇: SHLD型减速器

返回列表

TEL:18168892286

在线咨询

在线客服
网站首页    |    公司简介    |    新闻中心    |    产品展示    |    售后服务    |    联系我们

Copyright © 2017-2020 版权所有:江苏龙一诺机械制造有限公司 All Rights Reserved.
地址:无锡市钱桥工业园

传真:0510-82628805
手机:18168892286
网站:http://www.txjsjxs.com

苏ICP备15006862号-3