您好!欢迎您进入江苏龙一诺机械制造有限公司官网!
设为主页 加入收藏 客户留言
服务热线
181-6889-2286
专业生产摆线针轮减速机减速电机齿轮减速机
网站首页 企业简介 产品展示 客户服务 新闻中心 技术资讯 联系我们  
产品展示
联系我们

地址:无锡市钱桥工业园

手机:
18168892286
传真:0510-82628805

产品展示

PRODUCT

当前位置:首页 > 产品展示

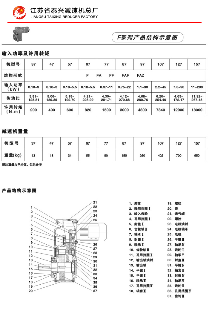
F系列平行轴斜齿轮减速电机

F系列平行轴斜齿轮减速电机

F系列平行轴斜齿轮减速机性能特点:

F系列平行轴斜齿轮减速机具有体积小、重量轻、传递扭矩大、起动平稳、低损耗、安装方式多样,输入输出灵活等特点。非常适合在空间受限制的情况下使用。并能与各种减、变速机组合,适用于各种不同条件要求的场所。

技术参数:                                                           安装形式:

电机功率:0.18~200Kw                                                 底脚安装

输出转速:0.1~752r/min                                               法兰安装

输出转矩:高至17000Nm                                                 轴装安装

 

TEL:18168892286

在线咨询

在线客服
网站首页    |    公司简介    |    新闻中心    |    产品展示    |    售后服务    |    联系我们

Copyright © 2017-2020 版权所有:江苏龙一诺机械制造有限公司 All Rights Reserved.
地址:无锡市钱桥工业园

传真:0510-82628805
手机:18168892286
网站:http://www.txjsjxs.com

苏ICP备15006862号-3