
本公司生产近30类,计140多种搅拌器,从最常见的(包括已有的HB5标准,SB90标准各种搅拌器)到各种复杂形状或特殊用途的搅拌器。可按H/T2123-91标准的各种规格尺寸系列制造,也可根据用户生产工艺需求,代为设计制造各种特殊要求、特殊规格或特殊用途的搅拌器。
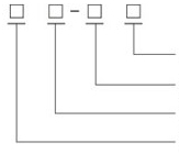
搅拌器型号标注方法:
 |
|
| 材料代号 |
| 搅拌器轴孔径 |
| 搅拌器的外径, |
| 搅拌器型式代号 |
弄形叶圆盘涡轮式搅拌器
半圆弧圆盘涡轮式-HY、半圆弧可拆圆盘涡轮式-HCY、半圆弧对开圆盘涡轮式-HDY、半圆弧可拆对开圆盘涡轮式-HKY、箭叶圆盘涡轮式-JY、箭叶可拆圆盘涡轮式-JCY、箭叶对开圆盘涡轮式-JDY、箭叶可拆对开涡轮式-JKY
本搅拌器具有圆盘涡轮搅拌器的通性,它的叶片纵截面变成了圆弧形,强化了剪切作用,影响了上下的混合能力,弧叶有利于上下的混合,箭叶下面存一些气体,作用更有效。操作条件同通用圆盘涡轮式搅拌器。

圆盘涡轮式搅拌器主要尺寸
| DJ |
d |
d1 |
d2 |
dm1 |
dm2 |
δ |
δ1 |
B |
h1 |
h2 |
h3 |
L |
R |
键槽 |
N/n≤ |
(kg)重量 |
碳钢/不锈钢 |
| 碳钢/不锈钢 |
b |
t |
JY |
HY |
| 150 |
30 |
50 |
100 |
M6 |
- |
4/3 |
4/3 |
30 |
30 |
8 |
10 |
38 |
15 |
8 |
33.3 |
0.008 |
1.042/0.861 |
0.875/0.735 |
| 200 |
30 |
50 |
130 |
M6 |
- |
4/3 |
4/3 |
50 |
30 |
8 |
10 |
50 |
20 |
8 |
33.3 |
0.008 |
1.602/1.283 |
1.304/1.058 |
| 250 |
40 |
65 |
170 |
M8 |
- |
4/3 |
4/3 |
60 |
35 |
8 |
10 |
62 |
25 |
12 |
43.3 |
0.011 |
2.666/2.154 |
2.204/1.805 |
| 300 |
40 |
65 |
200 |
M8 |
- |
5/4 |
5/4 |
60 |
50 |
10 |
10 |
75 |
30 |
12 |
43.3 |
0.018 |
5.631/3.816 |
4.798/3.146 |
| 400 |
50 |
80 |
270 |
M10 |
- |
6/4 |
6/4 |
80 |
60 |
14 |
10 |
100 |
40 |
14 |
53.8 |
0.031 |
9.468/6.835 |
7.692/5.644 |
| 500 |
65 |
95 |
330 |
M10 |
M12 |
8/5 |
8/5 |
100 |
70 |
14 |
40 |
125 |
50 |
18 |
69.4 |
0.089 |
18.54/12.44 |
14.84/10.11 |
| 600 |
65 |
95 |
400 |
M10 |
M12 |
8/6 |
8/6 |
120 |
90 |
24 |
40 |
150 |
60 |
18 |
69.4 |
0.11 |
26.538/20.699 |
21.21/16.68 |
| 700 |
80 |
120 |
470 |
M12 |
M12 |
10/6 |
8/6 |
140 |
100 |
30 |
40 |
175 |
70 |
22 |
85.4 |
0.40 |
45.741/29.603 |
36.68/24.13 |
| 800 |
90 |
135 |
530 |
M12 |
M12 |
10/8 |
10/8 |
160 |
110 |
30 |
40 |
200 |
80 |
25 |
95.4 |
0.42 |
61.396/51.158 |
49.58/41.64 |
| 900 |
100 |
150 |
600 |
M16 |
M12 |
12/10 |
12/10 |
180 |
120 |
35 |
40 |
225 |
90 |
28 |
106.4 |
0.58 |
88.125/79.181 |
74.15/64.12 |
| 1000 |
110 |
170 |
660 |
M16 |
M12 |
12/10 |
12/10 |
200 |
130 |
35 |
40 |
250 |
100 |
28 |
116.4 |
0.77 |
115.646/99.78 |
93.45/82.18 |
| 1120 |
110 |
180 |
750 |
M16 |
M12 |
14/12 |
12/10 |
225 |
150 |
40 |
50 |
280 |
110 |
32 |
127.4 |
- |
171.133/151.072 |
169.0/149.7 |
| 1250 |
120 |
190 |
830 |
M16 |
M12 |
14/12 |
12/10 |
250 |
160 |
40 |
50 |
310 |
125 |
32 |
137.4 |
- |
209.49/184.62 |
169.0/149.7 |
| 1400 |
130 |
200 |
930 |
M16 |
M16 |
16/14 |
14/12 |
280 |
170 |
45 |
50 |
350 |
140 |
36 |
148.4 |
- |
271.39/260.57 |
233.4/209.5 |
| 1600 |
140 |
210 |
1070 |
M16 |
M16 |
16/14 |
14/12 |
320 |
180 |
45 |
60 |
400 |
160 |
36 |
158.4 |
- |
376.123/335.667 |
300.4/269 |
| 1800 |
150 |
220 |
1200 |
M20 |
M16 |
18/16 |
16/14 |
360 |
200 |
50 |
60 |
450 |
180 |
40 |
169.4 |
- |
532.74/8482.00 |
424.9/385.6 |
| 2000 |
160 |
240 |
1330 |
M20 |
M16 |
18/16 |
16/14 |
400 |
210 |
50 |
70 |
500 |
200 |
40 |
179.4 |
- |
649.15/586.58 |
517/468.5 |
| 2240 |
170 |
250 |
1490 |
M22 |
M16 |
20/18 |
18/16 |
450 |
220 |
60 |
70 |
560 |
220 |
45 |
190.4 |
- |
888.3/810.24 |
704.7/644.3 |
| 2500 |
180 |
260 |
1670 |
M22 |
M16 |
20/18 |
18/16 |
500 |
230 |
60 |
80 |
630 |
250 |
45 |
200.4 |
- |
1099.5/1002 |
871.5/795.9 |
注:该系列搅拌器选型时,一般先决定叶片形状,然后考虑安装维护方便,确定结构型式,通常DJ≤500采用整体式,500≤DJ≤700采用桨叶可拆式,DJ≥800采用轮壳对开式。