|
产品展示
联系我们
地址:无锡市钱桥工业园
手机: 18168892286 传真:0510-82628805
|
|
产品展示
PRODUCT
当前位置:首页 > 产品展示
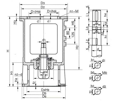
XS型双支点机架


主要参数及尺寸(公称直径 300 、 400 、 500 、 700 )
机架 型号 |
机架 公称 直径 |
传动 轴轴 径d |
传动 轴上 端轴 径d1 |
减速机输 出轴径d0 |
输入 端接 口 |
输出端接口 |
外形及其它尺寸 |
轴承型号 |
重量 (kg) |
D4 H9 |
D5 |
D6 |
n2-d |
f2 |
A型 |
B型 |
H3 |
H4 |
D7 |
上部 |
下部 |
A型 |
B型 |
| H |
H1 |
H2 |
H3 |
L |
H |
H1 |
H2 |
H3 |
L |
| XS3 |
300 |
60 |
45 |
35,40,45 |
见 表 |
320 |
400 |
445 |
12-22 |
6 |
1155 |
279 |
204 |
620 |
339 |
1400 |
399 |
324 |
745 |
429 |
20 |
32 |
280 |
153513 |
46216 |
196 |
207 |
| 70 |
55 |
45,50,55 |
197 |
383 |
317 |
508 |
153516 |
46216 |
198 |
209 |
| 80 |
65 |
55,60,65 |
186 |
413 |
306 |
538 |
153518 |
46218 |
203 |
214 |
| XS4 |
400 |
90 |
75 |
55,65,70 |
415 |
515 |
565 |
16-26 |
6 |
1310 |
310 |
206 |
695 |
451 |
1535 |
420 |
316 |
810 |
566 |
25 |
34 |
310 |
153520 |
46222 |
343 |
357 |
| 100 |
85 |
65,70,80 |
195 |
471 |
305 |
586 |
153524 |
46222 |
356 |
370 |
| XS5 |
500 |
100 |
85 |
65,70,80 |
520 |
620 |
670 |
20-26 |
6 |
1620 |
369 |
255 |
865 |
471 |
1870 |
494 |
380 |
990 |
586 |
30 |
36 |
335 |
153524 |
46224 |
546 |
572 |
| 110 |
90 |
70,80,90 |
251 |
501 |
376 |
646 |
153424 |
46226 |
561 |
587 |
| 120 |
100 |
90,95,100 |
247 |
521 |
372 |
666 |
153528 |
46228 |
566 |
592 |
| 130 |
110 |
95,100,110 |
234 |
569 |
359 |
694 |
153532 |
46230 |
578 |
604 |
| XS6 |
700 |
120 |
100 |
90,95,100 |
670 |
780 |
860 |
28-26 |
6 |
1830 |
399 |
277 |
970 |
521 |
2060 |
514 |
392 |
1085 |
666 |
35 |
40 |
400 |
153528 |
46228 |
981 |
1018 |
| 130 |
110 |
95,100,110 |
264 |
569 |
379 |
694 |
153532 |
46230 |
991 |
1028 |
| 140 |
120 |
100,110,120 |
251 |
599 |
366 |
724 |
153534 |
46232 |
998 |
1035 |
| 160 |
140 |
120,130,140 |
243 |
647 |
358 |
762 |
153538 |
46234 |
990 |
1027 |
| XS7 |
900 |
140 |
120 |
100,110,120 |
940 |
1070 |
1124 |
14-30 |
6.4 |
2150 |
426 |
283 |
1150 |
599 |
2350 |
550 |
407 |
1250 |
724 |
40 |
50 |
490 |
153534 |
46232 |
1500 |
1600 |
| 160 |
140 |
120,130,140 |
267 |
647 |
393 |
762 |
153538 |
46234 |
| 180 |
160 |
140,150,160 |
254 |
711 |
378 |
826 |
153540 |
46240 |
| 200 |
180 |
160,170,180 |
240 |
830 |
364 |
930 |
153544 |
46244 |
机架 型号 |
机架公 称直径 |
传动轴 轴径d |
传动轴上 端轴径d1 |
传动轴轴尺寸 |
| M0 |
d2h9 |
d3 |
d4 |
h |
h1 |
h2 |
h3 |
h4 |
L1 |
L0 |
L2 |
b1 |
b0 |
b2 |
t1 |
t0 |
t2 |
| XS3 |
300 |
60 |
45k6 |
M55×2 |
55 |
52 |
50 |
322 |
125 |
4 |
15 |
68 |
60 |
27 |
40 |
14 |
8 |
8 |
39.5 |
51 |
51 |
| 70 |
55m6 |
M65×2 |
65 |
62 |
60 |
278 |
125 |
4 |
15 |
83 |
75 |
27 |
40 |
16 |
8 |
8 |
49 |
61 |
61 |
| 80 |
65m6 |
M75×2 |
75 |
72 |
70 |
264 |
139 |
4 |
18 |
98 |
90 |
32 |
50 |
18 |
10 |
10 |
58 |
69 |
70 |
| XS4 |
400 |
90 |
75m6 |
M85×2 |
85 |
82 |
80 |
322 |
162 |
4 |
18 |
108 |
100 |
32 |
50 |
20 |
10 |
10 |
67.5 |
79 |
80 |
| 100 |
85m6 |
M95×2 |
95 |
92 |
90 |
317 |
166 |
4 |
22 |
118 |
110 |
38 |
50 |
22 |
12 |
12 |
76 |
89 |
90 |
| XS5 |
500 |
100 |
85m6 |
M95×2 |
95 |
92 |
90 |
490 |
166 |
4 |
22 |
118 |
110 |
38 |
50 |
22 |
12 |
12 |
76 |
89 |
90 |
| 110 |
90m6 |
M100×2 |
100 |
97 |
95 |
420 |
166 |
4 |
22 |
118 |
110 |
38 |
50 |
25 |
12 |
12 |
81 |
94 |
95 |
| 120 |
100m6 |
M110×2 |
110 |
107 |
105 |
413 |
177 |
4 |
22 |
128 |
120 |
40 |
60 |
28 |
14 |
14 |
90 |
104 |
104.5 |
| 130 |
110m6 |
M120×2 |
120 |
117 |
115 |
370 |
177 |
4 |
26 |
138 |
130 |
44 |
70 |
28 |
14 |
14 |
100 |
114 |
114.5 |
| XS6 |
700 |
120 |
100m6 |
M110×2 |
110 |
107 |
105 |
508 |
177 |
4 |
22 |
128 |
120 |
40 |
60 |
28 |
14 |
14 |
90 |
108 |
105.5 |
| 130 |
110m6 |
M120×2 |
120 |
117 |
115 |
465 |
177 |
4 |
26 |
138 |
130 |
44 |
70 |
28 |
14 |
14 |
100 |
114 |
114.5 |
| 140 |
120m6 |
M130×2 |
130 |
127 |
125 |
468 |
197 |
4 |
26 |
153 |
145 |
44 |
70 |
32 |
14 |
14 |
109 |
122 |
124.5 |
| 160 |
140m6 |
M150×2 |
150 |
147 |
145 |
441 |
207 |
4 |
30 |
168 |
160 |
50 |
70 |
36 |
16 |
16 |
128 |
142 |
144 |
| XS7 |
900 |
140 |
120m6 |
M130×2 |
130 |
127 |
125 |
468 |
197 |
4 |
26 |
153 |
145 |
44 |
70 |
32 |
14 |
14 |
109 |
122 |
124.5 |
| 160 |
140m6 |
M150×2 |
150 |
147 |
145 |
441 |
207 |
4 |
30 |
168 |
160 |
50 |
70 |
69 |
16 |
16 |
128 |
142 |
144 |
| 180 |
160m6 |
M170×3 |
170 |
166 |
165 |
496 |
227 |
4 |
32 |
198 |
190 |
52 |
80 |
40 |
16 |
16 |
157 |
162 |
164 |
| 200 |
180m6 |
M190×3 |
190 |
186 |
185 |
536 |
242 |
4 |
32 |
238 |
230 |
54 |
90 |
45 |
18 |
18 |
175 |
180 |
182 | XD、XS型机架输入端接口尺寸
| 减速机输出轴径d0 |
减速机类别代号 |
D1 |
D2 |
D3 |
n1-M |
f1 |
| 12 |
Z |
65 |
100 |
120 |
4-M6 |
3 |
| 14 |
Z |
85 |
120 |
140 |
4-M8 |
3 |
| 18 |
Z |
100 |
134 |
160 |
4-M8 |
4 |
| 25 |
Z |
130 |
160 |
180 |
6-M8 |
4 |
| C |
170 |
200 |
230 |
6-M10 |
3 |
| 30 |
C |
200 |
230 |
260 |
6-M12 |
4 |
| 35 |
Z |
170 |
200 |
230 |
6-M10 |
5 |
| C |
230 |
260 |
290 |
6-M12 |
4 |
| 40 |
Z |
170 |
200 |
230 |
6-M10 |
5 |
| C |
230 |
260 |
290 |
6-M12 |
4 |
| 45 |
Z |
200 |
230 |
260 |
6-M10 |
5 |
| C |
230 |
260 |
290 |
6-M12 |
4 |
| 50 |
Z |
200 |
230 |
260 |
6-M10 |
5 |
| C |
270 |
305 |
340 |
6-M10 |
5 |
| 55 |
Z |
200 |
230 |
260 |
6-M10 |
5 |
| C |
270 |
305 |
340 |
8-M16 |
5 |
| 60 |
C |
320 |
360 |
400 |
8-M16 |
5 |
| 65 |
Z |
316 |
360 |
400 |
8-M12 |
6 |
| Z1 |
270 |
310 |
340 |
6-M10 |
5 |
| 减速机输出轴径d0 |
减速机类别代号 |
D1 |
D2 |
D3 |
n1-M |
f1 |
| 60 |
C |
320 |
360 |
400 |
8-M16 |
5 |
| 70 |
Z |
316 |
360 |
400 |
8-M16 |
6 |
| C |
320 316 |
360 |
400 |
8-M16 |
5 |
| 80 |
Z |
345 |
390 |
430 |
8-M16 |
6 |
| Z1 |
316 |
360 |
400 |
8-M12 |
6 |
| C |
360 |
410 |
460 |
8-M20 |
6 |
| 90 |
Z |
400 |
450 |
490 |
12-M16 |
8 |
| C |
360 |
410 |
460 |
8-M20 |
6 |
| 95 |
Z |
400 |
450 |
490 |
12-M18 |
8 |
| Z1 |
455 |
520 |
580 |
12-M20 |
10 |
| 100 |
Z |
455 |
520 |
580 |
12-M20 |
10 |
| C |
470 |
520 |
580 |
12-M20 |
6 |
| 110 |
Z |
520 |
590 |
650 |
12-M20 |
12 |
| C |
470 |
520 |
580 |
12-M20 |
6 |
| 120 |
Z |
520 |
590 |
650 |
12-M20 |
12 |
| C |
550 |
600 |
660 |
12-M20 |
6 |
| 130 |
Z |
680 |
800 |
880 |
12-M30 |
12 |
| C |
680 |
800 |
880 |
12-M30 |
12 |
| 140 |
Z |
680 |
800 |
880 |
12-M30 |
12 |
| 180 |
Z |
900 |
1020 |
1160 |
12-M36 |
12 |
注:1、减速机类别代号Z为X系列,B系列的摆线针轮减速C为LC型,DC型齿轮减速机。 2、其他类型减速机由我公司对接口加以调整后也可配套。 |
|