503常压碳钢填料箱(PN<0.1HG21537.3-92)
603常压不锈钢填料箱(PN<0.1HG21537.4-92)
218常压碳钢填料箱(PN<1HG5-218-81)
1414常压不锈钢填料箱(PN<1HG5-1414-81)
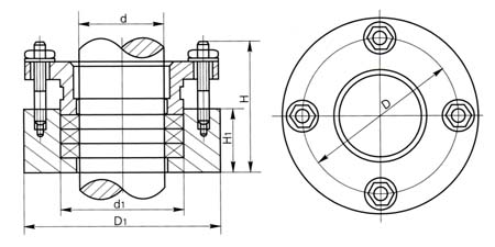
503、603型填料箱主要尺寸表
|
公称直径DN(d) |
d1 |
D1 |
D |
H |
H1 |
压盖螺柱 |
重量 |
|
数量 |
直径 |
|
30 |
50 |
80 |
105 |
96 |
42 |
4 |
M10 |
3.5 |
|
40 |
60 |
90 |
120 |
96 |
42 |
4 |
M12 |
4.43 |
|
50 |
76 |
105 |
140 |
96 |
42 |
4 |
M12 |
7.1 |
|
60 |
86 |
115 |
150 |
112 |
55 |
4 |
M12 |
7.3 |
|
65 |
91 |
120 |
155 |
118 |
55 |
4 |
M12 |
7.5 |
|
70 |
96 |
125 |
160 |
120 |
60 |
4 |
M12 |
7.8 |
|
80 |
112 |
150 |
180 |
130 |
70 |
4 |
M16 |
9.0 |
|
90 |
122 |
160 |
190 |
130 |
70 |
4 |
M16 |
11.5 |
|
95 |
127 |
165 |
195 |
130 |
70 |
4 |
M16 |
13.0 |
|
100 |
132 |
170 |
200 |
130 |
70 |
4 |
M16 |
15.0 |
|
110 |
142 |
180 |
210 |
130 |
70 |
4 |
M16 |
28.0 |
|
120 |
160 |
195 |
235 |
150 |
85 |
8 |
M16 |
16.5 |
|
130 |
170 |
205 |
245 |
150 |
85 |
8 |
M16 |
21.0 |
|
140 |
180 |
215 |
250 |
150 |
85 |
8 |
M16 |
22.5 |
|
160 |
200 |
245 |
280 |
150 |
85 |
8 |
M16 |
28.0 |
|
180 |
220 |
270 |
310 |
150 |
85 |
8 |
M16 |
36.0 |
|
200 |
240 |
290 |
330 |
150 |
85 |
8 |
M16 |
46.0 |
218、1414型填料箱主要尺寸表
|
d |
d1
|
D
|
D1
|
H
|
H1
|
压盖螺柱
|
重量 |
|
数量 |
直径 |
|
30 |
50 |
80 |
105 |
98 |
43 |
4 |
M10 |
4.2 |
|
40 |
60 |
90 |
120 |
96 |
43 |
4 |
M12 |
5.3 |
|
50 |
76 |
105 |
140 |
113 |
55 |
4 |
M12 |
8.5 |
|
65 |
91 |
120 |
150 |
113 |
55 |
4 |
M12 |
8.8 |
|
80 |
106 |
145 |
170 |
113 |
55 |
4 |
M12 |
10.8 |
|
95 |
127 |
170 |
200 |
130 |
67 |
4 |
M12 |
17.9 |
|
110 |
142 |
185 |
215 |
130 |
67 |
4 |
M12 |
19.2 |
|
130 |
162 |
200 |
230 |
130 |
67 |
4 |
M12 |
20.5 |
