本公司生产近30类,计140多种搅拌器,从最常见的(包括已有的HB5标准,SB90标准各种搅拌器)到各种复杂形状或特殊用途的搅拌器。可按H/T2123-91标准的各种规格尺寸系列制造,也可根据用户生产工艺需求,代为设计制造各种特殊要求、特殊规格或特殊用途的搅拌器。
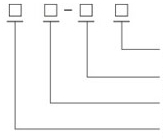
搅拌器型号标注方法:
 |
|
| 材料代号 |
| 搅拌器轴孔径 |
| 搅拌器的外径, |
| 搅拌器型式代号 |
六斜叶开启涡轮式搅拌器
六斜叶整体开启涡轮式XK、六斜叶可拆开启涡轮式XKK、六斜叶稳定环开启涡轮式XKW、六斜窄叶整体开启涡轮式XZK、六斜窄叶可拆开启涡轮式XKZ、六斜窄叶稳定开启涡轮式XZW
本类搅拌器与直叶开启涡轮式比较,除有径向流外有轴向分流,剪切性能介于直叶和弯叶之间,所以它具有较优的综合性能、分散、固体、悬浮、固体溶解都较适合,其它过程也能应用,运作条件同六直叶开启涡轮。

斜叶开启涡轮式搅拌器主要尺寸表
| DJ |
d |
d1 |
h2 |
A |
L |
L2 |
dm1/dm2 |
宽形 |
窄形 |
δ |
宽形重量 |
窄形重量 |
| h |
h1 |
N/n≤ |
h |
h1 |
N/n≤ |
碳钢/不锈钢 |
| 150 |
30 |
55 |
12 |
100 |
- |
- |
M12/- |
30 |
55 |
0.008 |
20 |
50 |
0.0035 |
6/5 |
1.1/1.05 |
0.924/0.914 |
| 35 |
60 |
1.1/1.05 |
0.1/0.994 |
| 200 |
30 |
55 |
12 |
140 |
- |
- |
M12/- |
40 |
60 |
0.008 |
25 |
55 |
0.0045 |
6/5 |
1.55/1.42 |
1.233/1.186 |
| 40 |
60 |
1.57/1.44 |
1.19/1.142 |
| 250 |
35 |
55 |
12 |
170 |
- |
- |
M12/- |
50 |
70 |
0.011 |
30 |
55 |
0.008 |
6/5 |
2.67/2.44 |
1.438/1.338 |
| 40 |
70 |
2.68/2.47 |
1.946/1.868 |
| 300 |
40 |
70 |
12 |
200 |
- |
- |
M12/- |
60 |
76 |
0.018 |
40 |
70 |
0.015 |
8/5 |
4.23/3.22 |
3.12/2.562 |
| 45 |
75 |
4.26/3.29 |
3.25/2.689 |
| 50 |
80 |
4.33/3.37 |
3.379/2.834 |
| 400 |
45 |
80 |
12 |
270 |
- |
- |
M12/- |
80 |
90 |
0.031 |
50 |
80 |
0.025 |
8/6 |
7.3/6.1 |
5.125/4.506 |
| 50 |
85 |
7.37/6.18 |
5.297/4.686 |
| 55 |
90 |
7.54/6.37 |
5.469/4.867 |
| 500 |
60 |
95 |
16 |
340 |
100 |
380 |
M16/-M12 |
100 |
106 |
0.089 |
65 |
95 |
0.06 |
10/8 |
13.96/11.92 |
9.301/8.267 |
| 65 |
100 |
14.1/12.06 |
9.505/8.481 |
| 70 |
105 |
14.17/12.17 |
9.710/8.696 |
| 600 |
65 |
105 |
16 |
400 |
130 |
420 |
M16/-M12 |
120 |
120 |
0.11 |
75 |
100 |
0.08 |
12/10 |
23.35/20.34 |
14.578/13.111 |
| 70 |
110 |
23.42/20.44 |
14.825/13.371 |
| 80 |
120 |
23.66/20.74 |
15.318/13.888 |
| 700 |
70 |
115 |
16 |
470 |
180 |
420 |
M16/-M12 |
140 |
140 |
0.15 |
90 |
110 |
0.1 |
12/10 |
31.75/27.7 |
20.271/18.193 |
| 80 |
120 |
32.33/28.3 |
20.881/18.834 |
| 90 |
135 |
32.36/28.47 |
21.492/19.475 |
| 800 |
75 |
120 |
18 |
540 |
200 |
480 |
M16/-M12 |
160 |
160 |
0.23 |
100 |
120 |
0.18 |
14/12 |
42.97/39.93 |
27.91/26.08 |
| 85 |
140 |
46.53/43.66 |
30.58/28.87 |
| 95 |
160 |
49.74/47.00 |
32.96/31.38 |
| 900 |
80 |
130 |
18 |
600 |
250 |
480 |
M16/-M12 |
180 |
180 |
0.26 |
115 |
130 |
0.21 |
14/12 |
55.69/51.25 |
35.96/33.62 |
| 90 |
150 |
60.02/55.58 |
39.08/36.9 |
| 100 |
160 |
61.20/56.76 |
39.94/37.8 |
| 1000 |
90 |
150 |
18 |
670 |
300 |
480 |
M16/-M12 |
200 |
200 |
0.29 |
125 |
150 |
0.23 |
14/12 |
72.48/67.96 |
42.52/44.16 |
| 100 |
160 |
73.79/69.34 |
48.5/45.86 |
| 110 |
180 |
79.75/75.6 |
52.97/50.55 |
| 1120 |
100 |
160 |
20 |
750 |
360 |
480 |
M18/M16 |
225 |
225 |
0.43 |
140 |
160 |
0.34 |
16/14 |
99.93/94.65 |
64.34/61.08 |
| 110 |
180 |
106.6/101.7 |
69.11/66.09 |
| 120 |
190 |
108.6/103.7 |
70.49/67.54 |
| 1250 |
110 |
180 |
20 |
840 |
430 |
480 |
M18/M16 |
250 |
250 |
0.47 |
160 |
180 |
0.38 |
16/14 |
130.2/123.8 |
84.33/80.54 |
| 120 |
190 |
132.3/126.1 |
85.88/82.17 |
| 130 |
200 |
134.5/128.3 |
87.44/83.8 |
| 1400 |
120 |
190 |
20 |
940 |
500 |
480 |
M18/M16 |
280 |
280 |
0.53 |
175 |
196 |
0.42 |
16/14 |
163/154.8 |
103.9/98.87 |
| 130 |
200 |
165.5/157.3 |
105.5/100.5 |
| 140 |
210 |
167.9/159.9 |
107.2/102.3 |
| 1600 |
130 |
200 |
25 |
1070 |
300 |
480 |
M18/M16 |
320 |
320 |
0.77 |
200 |
200 |
0.62 |
18/16 |
232.8/222.6 |
145.5/137.7 |
| 140 |
210 |
235.5/225.5 |
147.2/140.9 |
| 150 |
220 |
238.3/228.4 |
148.9/142.7 |
| 1800 |
140 |
210 |
25 |
1200 |
720 |
480 |
M18/M16 |
360 |
360 |
0.86 |
225 |
210 |
0.69 |
18/16 |
294/283.8 |
181.5/171.5 |
| 150 |
220 |
297.1/287 |
183.3/175 |
| 160 |
240 |
310.7/301.3 |
191.2/183.3 |
| 2000 |
150 |
220 |
25 |
1340 |
820 |
480 |
M20/M18 |
400 |
400 |
0.96 |
250 |
240 |
0.77 |
18/16 |
363.8/344.4 |
224.9/214.4 |
| 160 |
240 |
378.8/360.2 |
233.9/223.9 |
| 170 |
250 |
382.7/364.3 |
236.3/226.4 |
| 2240 |
160 |
240 |
30 |
1500 |
940 |
480 |
M20/M18 |
450 |
450 |
1.32 |
280 |
260 |
1.1 |
20/18 |
508.7/489.9 |
313.7/301.8 |
| 170 |
250 |
513.1/494.6 |
316.3/304.5 |
| 180 |
260 |
517.5/499.3 |
318.9/307.2 |
| 2500 |
170 |
250 |
30 |
1670 |
1070 |
480 |
M20/M18 |
500 |
500 |
1.47 |
315 |
280 |
1.18 |
20/18 |
631.1/607.2 |
387.7/372.2 |
| 180 |
260 |
636/612.4 |
390.5/375.4 |
| 190 |
270 |
641/617.6 |
393.2/378.3 |
备注:搅拌器内孔可根据用户要求制作,轮毂高度一般与内孔相一致。