本公司生产近30类,计140多种搅拌器,从最常见的(包括已有的HB5标准,SB90标准各种搅拌器)到各种复杂形状或特殊用途的搅拌器。可按H/T2123-91标准的各种规格尺寸系列制造,也可根据用户生产工艺需求,代为设计制造各种特殊要求、特殊规格或特殊用途的搅拌器。
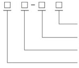
拌器型号标注方法:
 |
|
| 材料代号 |
| 搅拌器轴孔径 |
| 搅拌器的外径, |
| 搅拌器型式代号 |
平直叶桨式搅拌器
平直叶整体桨式PJ、平直叶拆桨式PCJ
此类型为最基本的一种桨型,低速时为水平环流型,层流区操作:高速时为径流型。有挡板时,功率准数值Np明显升,为上下循环流,湍流加强,适用于低粘度液的混合、分散、固体悬浮、传热、液相反应等过程。μ<2000cp,n=1-100rpm,V=1-50m/s。常用规格DJ/D=0.35-0.8,h/DJ=0.10-0.25。当DJ/D=0.9以上时可设置多层桨叶,适用于高粘度液搅拌:降低桨叶离底部高度可作刮板用,防止重组份沉附底部。有用于悬浮、结晶与萃取等过程。

平直叶桨式搅拌器主要尺寸
| DJ |
d |
d0 |
d1 |
d2 |
δ |
h |
h1 |
b |
t |
C |
m |
f |
e |
N/n不大于 |
重量(kg) |
| 350 |
30 |
2-M12 |
M12 |
- |
10 |
40 |
- |
8 |
33.3 |
120 |
85 |
- |
3 |
0.01 |
1.77 |
| 400 |
30 |
2-M12 |
M12 |
- |
10 |
40 |
- |
8 |
33.3 |
120 |
85 |
- |
3 |
0.01 |
1.93 |
| 500 |
40 |
2-M12 |
M12 |
- |
12 |
50 |
- |
12 |
43.3 |
140 |
100 |
- |
3 |
0.02 |
3.38 |
| 550 |
40 |
2-M12 |
M12 |
- |
12 |
50 |
- |
12 |
43.3 |
140 |
100 |
- |
3 |
0.02 |
3.62 |
| 600 |
40 |
2-M12 |
M12 |
- |
12 |
60 |
- |
12 |
43.3 |
140 |
100 |
- |
3 |
0.025 |
4.59 |
| 700 |
50 |
4-M12 |
M12 |
- |
16 |
90 |
- |
14 |
53.8 |
140 |
110 |
45 |
5 |
0.06 |
10.42 |
| 850 |
50 |
4-M12 |
M12 |
- |
16 |
90 |
- |
14 |
53.8 |
140 |
110 |
45 |
5 |
0.075 |
12.11 |
| 950 |
50 |
4-M16 |
M16 |
- |
16 |
90 |
- |
14 |
53.8 |
150 |
110 |
45 |
5 |
0.075 |
13.57 |
| 1100 |
50 |
4-M16 |
M16 |
- |
16 |
120 |
- |
14 |
53.8 |
150 |
110 |
70 |
5 |
0.075 |
20.95 |
| 1100 |
65 |
4-M16 |
M16 |
16 |
14 |
120 |
50 |
18 |
69.4 |
170 |
130 |
70 |
7 |
0.2 |
24.25 |
| 1250 |
65 |
4-M16 |
M16 |
16 |
14 |
120 |
50 |
18 |
69.4 |
170 |
130 |
70 |
7 |
0.2 |
27.07 |
| 1250 |
80 |
4-M16 |
M16 |
16 |
14 |
150 |
60 |
22 |
85.4 |
190 |
150 |
90 |
7 |
0.35 |
34.04 |
| 1400 |
65 |
4-M16 |
M16 |
16 |
14 |
150 |
50 |
18 |
69.4 |
170 |
130 |
90 |
7 |
0.25 |
35.29 |
| 1400 |
80 |
4-M16 |
M16 |
16 |
16 |
150 |
60 |
22 |
85.4 |
200 |
160 |
90 |
7 |
0.35 |
43.10 |
| 1500 |
65 |
4-M16 |
M16 |
16 |
14 |
150 |
50 |
18 |
69.4 |
170 |
130 |
90 |
7 |
0.25 |
37.63 |
| 1500 |
80 |
4-M16 |
M16 |
16 |
16 |
150 |
60 |
22 |
85.4 |
200 |
160 |
90 |
7 |
0.35 |
45.52 |
| 1700 |
80 |
4-M16 |
M16 |
16 |
16 |
180 |
65 |
22 |
85.4 |
200 |
160 |
110 |
7 |
0.4 |
59.20 |
| 1700 |
95 |
4-M22 |
M22 |
22 |
18 |
180 |
80 |
25 |
100.4 |
220 |
170 |
110 |
7 |
0.75 |
75.20 |
| 1800 |
95 |
4-M22 |
M22 |
22 |
16 |
180 |
80 |
25 |
100.4 |
220 |
170 |
110 |
7 |
0.54 |
67.30 |
| 1800 |
110 |
4-M22 |
M22 |
22 |
20 |
180 |
80 |
28 |
116.4 |
250 |
200 |
110 |
9 |
1.0 |
85.37 |
| 2000 |
95 |
4-M22 |
M22 |
22 |
14 |
200 |
80 |
25 |
100.4 |
220 |
170 |
130 |
7 |
0.64 |
70.66 |
| 2000 |
110 |
4-M22 |
M22 |
22 |
16 |
200 |
80 |
28 |
116.4 |
250 |
200 |
130 |
9 |
0.8 |
80.49 |
| 2100 |
95 |
4-M22 |
M22 |
22 |
14 |
200 |
80 |
25 |
100.4 |
220 |
170 |
130 |
7 |
0.6 |
72.70 |
| 2100 |
110 |
4-M22 |
M22 |
22 |
18 |
200 |
80 |
28 |
116.4 |
250 |
200 |
130 |
9 |
1.0 |
86.90 |
| 2240 |
110 |
4-M22 |
M24 |
22 |
16 |
220 |
80 |
28 |
116.4 |
250 |
200 |
140 |
7 |
1.0 |
98.53 |
| 2240 |
130 |
4-M22 |
M24 |
22 |
18 |
220 |
80 |
32 |
137.4 |
270 |
220 |
140 |
9 |
1.6 |
112.1 |
| 2500 |
120 |
6-M22 |
M24 |
24 |
16 |
250 |
90 |
32 |
127.4 |
280 |
230 |
150 |
8 |
1.3 |
124.7 |
| 2500 |
140 |
6-M24 |
M24 |
24 |
18 |
250 |
90 |
36 |
148.4 |
290 |
250 |
150 |
10 |
2.0 |
141.0 |
| 2800 |
150 |
6-M22 |
M24 |
24 |
18 |
280 |
100 |
32 |
137.4 |
270 |
220 |
160 |
8 |
1.6 |
172.1 |
| 2800 |
150 |
6-M22 |
M30 |
24 |
20 |
280 |
100 |
36 |
158.4 |
300 |
260 |
160 |
10 |
2.5 |
193.9 |
| 3150 |
140 |
6-M22 |
M30 |
24 |
18 |
315 |
110 |
36 |
148.4 |
290 |
250 |
170 |
8 |
2.0 |
215.3 |
| 3150 |
160 |
6-M22 |
M30 |
28 |
20 |
315 |
110 |
40 |
169.4 |
310 |
270 |
170 |
10 |
3.0 |
241.2 |
| 3550 |
150 |
6-M22 |
M30 |
28 |
20 |
355 |
120 |
36 |
150.4 |
300 |
260 |
180 |
8 |
2.5 |
298.3 |
| 3550 |
170 |
6-M22 |
M30 |
28 |
22 |
355 |
120 |
40 |
179.4 |
320 |
280 |
180 |
10 |
3.6 |
330.6 |
备注:搅拌器内孔可根据用户要求制作,轮毂高度一般与内孔相一致。