2000系列机械密封可与XD、XS型机架及AD安装底盖配套使用,2001、2002型使用压力<MPa,2003~2007型使用压力<1.6MPa,密封腔温度≤80℃,最大线速度<m/s,适用于各种弱腐蚀性气体。2002H、2005H为带废液收集器,2002K、2005K为带侧冷却水套型。通常2006型可用于2004型代用,2007型可用2006型代用。
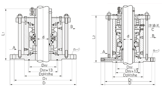
2001~2005型安装尺寸
|
d |
30~40 |
45~55 |
60~70 |
75~85 |
90~100 |
110~130 |
140~180 |
|
D |
175 |
240 |
240 |
275 |
305 |
330 |
395 |
|
D1 |
145 |
210 |
210 |
240 |
270 |
295 |
350 |
|
D2 |
110 |
176 |
176 |
204 |
234 |
260 |
|
|
Dπ |
85 |
140 |
140 |
180 |
200 |
220 |
270 |
|
n-Φ |
4-Φ18 |
8-Φ18 |
8-Φ18 |
8-Φ22 |
8-Φ22 |
8-Φ22 |
12-Φ22 |
|
L1 |
148 |
160 |
160 |
170 |
180 |
200 |
205 |
|
L2 |
215 |
230 |
260 |
280 |
280 |
305 |
310 |

2006、2007型机械密封安装尺寸
|
d |
30~40 |
45~55 |
60~70 |
75~85 |
90~100 |
110~130 |
140~160 |
|
D |
200 |
240 |
255 |
295 |
305 |
330 |
395 |
|
D1 |
170 |
210 |
225 |
260 |
270 |
295 |
350 |
|
D2 |
130 |
176 |
176 |
204 |
234 |
260 |
313 |
|
Dπ |
100 |
140 |
140 |
180 |
200 |
220 |
270 |
|
n-Φ |
4-Φ18 |
8-Φ18 |
8-Φ18 |
8-Φ22 |
8-Φ22 |
8-Φ22 |
12-Φ22 |
|
L1 |
160 |
170 |
170 |
180 |
180 |
200 |
205 |
|
L2 |
215 |
230 |
260 |
280 |
280 |
305 |
310 |
