本公司生产近30类,计140多种搅拌器,从最常见的(包括已有的HB5标准,SB90标准各种搅拌器)到各种复杂形状或特殊用途的搅拌器。可按H/T2123-91标准的各种规格尺寸系列制造,也可根据用户生产工艺需求,代为设计制造各种特殊要求、特殊规格或特殊用途的搅拌器。
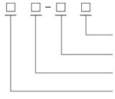
搅拌器型号标注方法:
 |
|
| 材料代号 |
| 搅拌器轴孔径 |
| 搅拌器的外径, |
| 搅拌器型式代号 |
四叶推进式搅拌器
四叶左旋推进式-SXL、四叶右旋稳定环推进式-SWR、四叶右旋推进式-SXR、四叶左旋导流筒推进式-SVL、四叶左旋稳定环推进式-SWL、四叶右旋导流筒推进式-SVR
本类搅拌器的性能,作用基本与三叶推进相同,在相同的运作条件下可输入更大些的搅拌功率,在实际中也常得到应用。

推进式搅拌器主要尺寸
|
DJ |
d |
d1 |
h1 |
h2 |
h3 |
D2 |
M |
δ |
重量(kg) |
|
不锈钢 |
碳钢 |
不锈钢 |
碳钢 |
|
200 |
30 |
60 |
55 |
50 |
50 |
135 |
10 |
5 |
6 |
1.65 |
1.81 |
|
220 |
35 |
70 |
55 |
50 |
50 |
150 |
10 |
5 |
6 |
2.21 |
2.39 |
|
250 |
40 |
75 |
60 |
60 |
60 |
170 |
10 |
5 |
6 |
2.73 |
2.97 |
|
280 |
40 |
75 |
65 |
60 |
650 |
190 |
10 |
5 |
6 |
3.23 |
3.54 |
|
320 |
45 |
80 |
75 |
70 |
70 |
215 |
10 |
6 |
8 |
4.54 |
5.35 |
|
360 |
50 |
85 |
85 |
80 |
80 |
240 |
10 |
6 |
8 |
5.61 |
6.62 |
|
400 |
55 |
90 |
95 |
90 |
90 |
270 |
12 |
6 |
8 |
7.09 |
8.43 |
|
450 |
60 |
100 |
100 |
95 |
95 |
300 |
12 |
8 |
10 |
11.03 |
12.74 |
|
500 |
65 |
105 |
105 |
100 |
100 |
335 |
12 |
8 |
10 |
13.10 |
15.15 |
|
560 |
70 |
110 |
115 |
110 |
100 |
375 |
12 |
10 |
12 |
17.90 |
20.36 |
|
630 |
75 |
120 |
130 |
120 |
120 |
420 |
12 |
10 |
12 |
22.74 |
25.77 |
|
710 |
80 |
130 |
140 |
130 |
130 |
475 |
16 |
12 |
14 |
32.81 |
36.51 |
|
800 |
85 |
140 |
150 |
140 |
140 |
535 |
16 |
12 |
14 |
41.48 |
46.29 |
|
900 |
90 |
150 |
155 |
150 |
140 |
600 |
16 |
14 |
16 |
58.55 |
64.63 |
|
1000 |
95 |
155 |
155 |
150 |
140 |
670 |
16 |
14 |
16 |
70.41 |
78.01 |
|
1120 |
100 |
160 |
160 |
150 |
150 |
750 |
20 |
14 |
16 |
87.59 |
97.38 |
|
1250 |
110 |
180 |
160 |
150 |
150 |
840 |
20 |
16 |
18 |
126.97 |
139.73 |
|
1400 |
120 |
190 |
180 |
170 |
170 |
940 |
20 |
16 |
18 |
152.55 |
167.70 |
|
1600 |
130 |
200 |
200 |
190 |
190 |
1070 |
20 |
16 |
18 |
158.36 |
218.39 |
|
1800 |
140 |
210 |
210 |
200 |
200 |
1200 |
20 |
18 |
20 |
275.88 |
301.28 |
|
2000 |
150 |
220 |
220 |
210 |
210 |
1340 |
20 |
18 |
20 |
338.87 |
370.49 |
备注:搅拌器内孔可根据用户要求制作,轮毂高度一般与内孔相一致。