|
产品展示
联系我们
地址:无锡市钱桥工业园
手机: 18168892286 传真:0510-82628805
|
|
产品展示
PRODUCT
当前位置:首页 > 产品展示
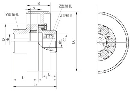
MLL-I型分体式制动轮梅花形弹性联轴器(GB5272-85)


MLL-Ⅰ型分体式制动轮梅花形弹性联轴器主要技术参数
| 型号 |
许用转矩MP/(N·m) |
许用转速mp/(r·min) |
轴孔直径 d1/mm, d2/mm, d3/mm |
轴孔长度 |
L0 mm |
D0 mm |
B mm |
D mm |
D1 mm |
d0 mm |
h mm |
转动惯量 kg·m2 |
质量 kg |
许用位移 |
| 弹性件硬度HA |
Y型 |
J、Z型 |
| ≥75 |
≥85 |
≥94 |
L mm |
L1 mm |
径向 mm |
轴向 mm |
角向 |
| MLL4-Ⅰ-160 |
140 |
250 |
400 |
4750 |
25,28 |
62 |
44 |
151 |
160 |
70 |
105 |
72 |
100 |
20 |
2.0 |
8.5 |
0.8 |
2.5 |
2°00` |
| 30,32,35,38 |
82 |
60 |
191 |
| 40,42 |
112 |
84 |
251 |
| MLL4-Ⅰ-200 |
3800 |
25,28 |
62 |
44 |
151 |
200 |
85 |
3.8 |
9.5 |
| 30,32,35,38 |
82 |
60 |
191 |
| 40,42 |
112 |
84 |
251 |
| MLL5-Ⅰ-200 |
250 |
400 |
800 |
3800 |
30,32,35,38 |
82 |
60 |
197 |
200 |
85 |
125 |
90 |
122 |
25 |
5.75 |
13.8 |
1.0 |
3.0 |
1°30` |
| 40,42,45,48 |
112 |
84 |
257 |
| MLL6-Ⅰ-200 |
400 |
630 |
1120 |
3800 |
35,38 |
82 |
60 |
203 |
200 |
85 |
145 |
104 |
140 |
30 |
6.70 |
16.7 |
| 40,42,45,48,50,55 |
112 |
84 |
263 |
| MLL6-Ⅰ-250 |
3050 |
35,38 |
82 |
60 |
203 |
250 |
105 |
13.50 |
21.7 |
| 40,42,45,48,20,55 |
112 |
84 |
263 |
| MLL7-Ⅰ-250 |
710 |
1120 |
2240 |
3050 |
45,48,50,55 |
112 |
84 |
265 |
250 |
105 |
170 |
130 |
166 |
30 |
15.25 |
26.3 |
3.5 |
| 60,63,55 |
142 |
107 |
325 |
| MLL7-Ⅰ-315 |
710 |
1120 |
2240 |
2400 |
45,48,50,55 |
112 |
84 |
265 |
315 |
135 |
170 |
35.0 |
34.7 |
| 60,63,65,70,71,75 |
142 |
107 |
325 |
| MLL8-Ⅰ-315 |
1120 |
1800 |
3550 |
2400 |
50,55 |
112 |
84 |
272 |
315 |
135 |
200 |
156 |
196 |
35 |
45.9 |
47.3 |
1.5 |
4.0 |
| 60,63,65,70,71,75 |
142 |
107 |
332 |
| MLL8-Ⅰ-400 |
1900 |
50,55 |
112 |
84 |
272 |
400 |
170 |
98.0 |
61.3 |
| 60,63,65,70,71,75 |
142 |
107 |
332 |
| MLL9-Ⅰ-400 |
1800 |
2800 |
5600 |
1900 |
60,63,65,70,71,75 |
142 |
107 |
334 |
400 |
170 |
230 |
180 |
225 |
35 |
132.5 |
84 |
4.5 |
1°00` |
| 80,85,90,95 |
172 |
132 |
394 |
| MLL9-Ⅰ-500 |
1800 |
2800 |
5600 |
1500 |
60,63,65,70,72,75 |
142 |
107 |
334 |
500 |
210 |
230 |
270 |
108 |
| 80,85,90,95 |
172 |
132 |
394 |
| MLL10-Ⅰ-500 |
2800 |
4500 |
9000 |
1500 |
70,71,75 |
142 |
107 |
344 |
500 |
210 |
260 |
205 |
255 |
45 |
330 |
132 |
5.0 |
| 80,85,90,95 |
172 |
132 |
394 |
| 100,110 |
212 |
167 |
484 |
| MLL11-Ⅰ-630 |
4000 |
6300 |
12500 |
1200 |
80,85,90,95 |
172 |
132 |
411 |
630 |
265 |
300 |
245 |
295 |
50 |
782 |
197 |
1.8 |
| 100,110 |
212 |
167 |
484 |
| MLL12-Ⅰ-710 |
7100 |
11200 |
20000 |
1050 |
90,95 |
172 |
132 |
417 |
710 |
300 |
360 |
300 |
356 |
55 |
1069 |
212 |
| 100,110,120,125 |
212 |
167 |
497 |
| 130 |
252 |
202 |
577 |
| MLL13-Ⅰ-800 |
8000 |
12500 |
25000 |
950 |
100,110,120,125 |
212 |
167 |
497 |
800 |
340 |
400 |
335 |
391 |
55 |
1920 |
294 |
|